钽酸锂红外
火焰传感器
火焰探测器 Flame detector;
双通道 Dual channel;
单输出 Single Output;
TO39 封装 TO39 housing;
电压模式 Voltage mode;
注意:
1.不要在超出产品规格范围的情况下使用本产品。
2.在产品封样过程中,双方对承认书需书面确认,以便保证批量产品无误。
3.本说明书中提到的应用电路仅作为标准使用范例,请注意根据外围设施来设计电路并调整参数设置。
4.错误的使用,会导致危险和人身伤害。
封装尺寸

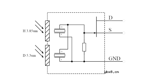
工作原理

典型滤光片参数,其他参数可根据客户具体要求定制
Typical Filters parameters and other parameters can be customized according to the requirements

性能参数


注意事项
01
跌落到瓷砖、金属板等硬质材质的表面上,硬跌落高度不超过10cm。
When falling to hard material such as ceramic tile and metal plate, the height of hard drop is not more than 10cm。
02
安装焊接过程注意静电防护以防止击穿内部 IC。
During welding process, pay attention to electrostatic protection to prevent internal IC breakdown。
03
传感器在温度比较稳定后方可进行正常工作,例如:烙铁的余温、老化后的余温、手触摸后的余温、从一个温度的空间移动到另一个温度的空间等等都有可能影响传感器达到温度稳定的时间。
The sensor can do normal work after the temperature is stable, for example, the residual temperature of a soldering iron , the residual temperature after aging, the residual temperature after hand touch, and the space from one temperature to another, and so on, may affect the temperature stability time of the sensor。
审核编辑:刘清
新型植入式气体传感器问世,可在人体内溶解
时间:2026-03-16
美国康奈尔大学官网
时间:2026-03-16
差压传感器的典型应用_差压传感器的安装
时间:2026-03-16
建筑物中的物联网传感器可以做什么?
时间:2026-03-16
物位传感器有哪些_物位传感器的实际应用
时间:2026-03-16
物位传感器的工作原理_物位传感器的特点
时间:2026-03-16
陀螺仪传感器的分类_陀螺仪传感器有什么用
时间:2026-03-16
模糊传感器的结构_模糊传感器的应用
时间:2026-03-16
小米重磅发布人体传感器2
时间:2026-03-16
中小企业受困 CIS 芯片缺货
时间:2026-03-16
玻璃釉电容器的结构与特点
时间:2026-03-05
电阻的标称阻值和允许偏差
时间:2026-03-05
石英灯电子变压器电路原理
时间:2026-03-06
变压器并列运行的条件浅析
时间:2026-03-06
关于STM32WL LSE 添加反馈电阻后无法起振的...
时间:2026-03-05
可调电阻怎么接线
时间:2026-03-05
压敏电阻有正负极吗
时间:2026-03-05
碳膜电阻如何识别_金属膜电阻器和碳膜电阻器...
时间:2026-03-05
晶体三极管放大电路的非线形失真及其解决办...
时间:2026-03-07
怎样测试三极管的好坏,NPN三极管如何知道是...
时间:2026-03-07