在我国工业经济结构调整与产业升级发展的背景下,国内工业自动化行业将迎来快速发展。同时,随着“调结构、促转型”政策的实施,自动化、智能化成为产业结构优化升级的方向之一。
工业自动化行业的不断发展,直接影响到相应电流检测产品需求快速上升,工业4.0即互联网+智能制造,赋予工业自动化更高要求。而国内产品性能较差,且部分产品存在性能虚标,国外产品交付困难、价格昂贵,缺乏合适的产品方案。
产品简介
为了更好的助力工业自动化发展,金升阳在深厚的技术沉淀中突破创新,推出了性价双优、高兼容的方形/圆形盘式霍尔闭环电流传感器——TLx00-D2C/TLx00(P)-D1C系列。
金升阳通过核心材料特殊处理、巧妙的结构设计、高度自动化的制造工艺,研发出价格更低、性能更优、兼容性更强的方形/圆形盘式霍尔闭环电流传感器此系列产品基于霍尔闭环效应传感器来实现电流检测,在原边与副边之间做了绝缘处理。
产品优势
性能优异
精度:圆形:0.5%、方形:0.3%
方形实测常温精度典型值:国内常规方案<0.3%、金升阳<0.15%
常温精度均满足规格,金升阳优、一致性更好。
如下为常温数据,高低温实测性能也更优。

兼容性强
可适应高低温恶劣环境(-40~85℃)
体积更小(68*57*20mm)
供电电压范围广(±12/15V)

材料可靠、设计巧妙
大品牌选材:磁芯选用高磁导率、低矫顽力的材料,使传感器的响应更快,灵敏度更高。
设计上采用卡扣设计,使组装更加简单,制造成本更低。同时进行了几何美学的设计,使产品更平稳、更美观。
自动化覆盖率高、性价比更高
从贴片、焊接到组装,均采用高度自动化的制造工艺,有效保证产品的质量,提升了效率,同时降低制造成本,使产品具有更高的性价比、更低的不良率。
产品应用
该系列产品可应用于焊接电源、电力电源设备、功率加热设备、大型UPS设备、电机驱动设备等应用领域。此产品系列更适用于精度、线性度、温漂要求较高的工控级电流检测应用。可按实际安装环境及预留的安装空间,选择圆形或者方形的霍尔闭环电流传感器。(方形体积68mm*57mm*20mm,圆形体积68mm*57.7mm*20mm,安装空间较小情况可优先选择圆形电流传感器)
电流传感器进行交流/直流/脉冲检测、反馈等,可提升焊接质量,提效降本。
提升焊接质量:高精度动态反馈调节电流,使焊接过程更可靠、效果更美观
提效降本:延长电极的使用寿命来提高产量
产品特点
可测量交流、直流或脉冲电流等
宽工作温度范围-40℃ to +85℃;
精度线性度优良
(圆形:精度0.5%、线性度0.1%,方形:精度0.3%、线性度0.05%)
全温度范围温漂20ppm(Typ.);
宽频带(DC-100KHz)
抗干扰能力强
产品选型

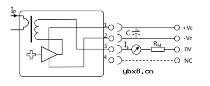
应用连接说明:

测试说明:
1、IP为被测电流,IS为测量电流;
2、RM测量电阻,依据输出电路的所需电压范围设定;
3、通过测量流过RM的测试电流Is,或者RM两端的电压UR,可以得到原边电流IP:
IP=KN*IS=KN*(UR/RM)
审核编辑:彭静
新型植入式气体传感器问世,可在人体内溶解
时间:2026-03-16
美国康奈尔大学官网
时间:2026-03-16
差压传感器的典型应用_差压传感器的安装
时间:2026-03-16
建筑物中的物联网传感器可以做什么?
时间:2026-03-16
物位传感器有哪些_物位传感器的实际应用
时间:2026-03-16
物位传感器的工作原理_物位传感器的特点
时间:2026-03-16
陀螺仪传感器的分类_陀螺仪传感器有什么用
时间:2026-03-16
模糊传感器的结构_模糊传感器的应用
时间:2026-03-16
小米重磅发布人体传感器2
时间:2026-03-16
中小企业受困 CIS 芯片缺货
时间:2026-03-16
玻璃釉电容器的结构与特点
时间:2026-03-05
电阻的标称阻值和允许偏差
时间:2026-03-05
石英灯电子变压器电路原理
时间:2026-03-06
变压器并列运行的条件浅析
时间:2026-03-06
关于STM32WL LSE 添加反馈电阻后无法起振的...
时间:2026-03-05
可调电阻怎么接线
时间:2026-03-05
压敏电阻有正负极吗
时间:2026-03-05
碳膜电阻如何识别_金属膜电阻器和碳膜电阻器...
时间:2026-03-05
晶体三极管放大电路的非线形失真及其解决办...
时间:2026-03-07
怎样测试三极管的好坏,NPN三极管如何知道是...
时间:2026-03-07