在驱动源和负载之间的扭转轴的两侧安装有齿形圆盘.它们旁边装有相应的两个磁电传感器.磁电传感器的结构见图所示.传感器的检测元件部分由yong久磁铁、感应线圈和铁芯组成.yong久磁铁产生的磁力线与齿形圆盘交接.当齿形圆盘旋转时,圆盘齿凸凹引起磁路气隙的变化,于是磁通量也发生变化,在线圈中感应出交流电压,其频率在数值上等于圆盘上齿数与转数的乘积.

当扭矩作用在扭转轴上时,两个磁电传感器输出的感应电压U1和U2存在相位差.这个相位差与扭转轴的扭转角成正比.这样,传感器就可以把扭矩引起的扭转角转换成相位差的电信号.
将专用的测扭应变片用应变胶粘贴在被测弹性轴上并组成应变桥,向应变桥提供电源即可测得该弹性轴受扭的电信号。将该应变信号放大后,经过压/频转换,变成与扭应变成正比的频率信号。本系统的能源输入及信号输出是由两组带间隙的特殊环型变压器承担的,因此实现了无接触的能源及信号传递功能。(虚线内为旋转部分)

在特制的弹性轴上粘贴上专用的测扭应片并组成变桥,即为基础扭矩传感器;在轴上固定着:(1)能源环形变压器的次级线圈,(2)信号环形变压器初级线圈,(3)轴上印刷电路板,电路板上包含整流稳定电源、仪表放大电路、V/F变换电路及信号输出电路,在传感器的外壳上固定。
向传感器提供±15V电源,激磁电路中的晶体振荡器产生400Hz的方波,经过TDA2030功率放大器即产生交流激磁功率电源,通过能源环形变压器T1从静止的初级线圈传递至旋转的次级线圈,得到的交流电源通过轴上的整流滤波电路得到±5V的直流电源,该电源做运算放大器AD822的工作电源;由基准电源AD589与双运放AD822组成的高精度稳压电源产生±4.5V的精密直流电源,该电源既作为电桥电源,又作为放大器及V/F转换器的工作电源。当弹性轴受扭时,应变桥检测得到的mV级的应变信号通过仪表放大器AD620放大成1.5v±1v的强信号,再通过V/F转换器LM131变换成频率信号,通过信号环形变压器T2从旋转的初级线圈传递至静止次级线圈,再经过传感器外壳上的信号处理电路滤波、整形即可得到与弹性轴承受的扭矩成正比的频率信号,该信号为TTL电平,既可提供给专用二次仪表或频率计显示也可直接送计算机处理。由于该旋转变压器动-静环之间只有零点几毫米的间隙,加之传感器轴上部分都密封在金属外壳之内,形成有效的屏蔽,因此具有很强的抗干扰能力。本传感器输出的频率信号在零点时为10kHz.正向旋转满量程时为15KHz.反向旋转满量程时为5KHz。即满量程变量为5000个数/每秒。转速测量采用光电齿轮或者磁电齿轮的测量方法,轴每旋转一周可产生60个脉冲,高速或中速采样时可以用测频的方法,低速采样时可以用测周期的方法。本传感器精度可达±0.2%~±0.5%(F?S)。由于传感器输出为频率信号,所以无需AD转换即可直接送至计算机进行数据处理。
扭矩的测量有相位差式和电阻应变式等。这里只简单介绍相位差式扭矩测量中的磁电式扭矩的工作原理和测量电路。磁电式扭矩传感器的测量原理图如下图所示。

在弹性轴的两端,安装有两个相同的齿轮,在齿轮上方分别安装有两个相同的、绕在磁钢上的信号线圈。弹性轴两端分别与动力轴和被测轴固定。弹性轴转动时,由于磁钢与齿轮的齿和齿间气隙的磁导率的交替变化,在两个信号线圈中分别感应出两个交变电势,此两电动势有一恒定的初始相位差。当弹性轴受到扭矩作用时,产生扭转变形,两齿轮将有相对扭转角,导致两电动势的相位差发生变化,测出相位差的变化,即可求得扭矩,而且根据其电动势的频率还可同时测出转速值。因为两电动势的信号较弱,所以要先进行信号放大,然后送入相位差检测器中检测其相位差。

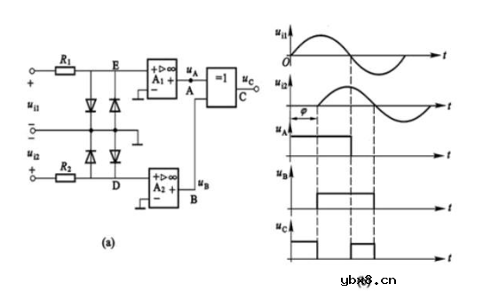
上图是相位差检测器原理图,图中是两个过零比较器,起限流作用,其参数选择视输入的大小而定。设超前,当此二信号经两对反并联的二极管限幅后,进入比较器,再经异或门后便得出脉冲宽度等于两个电压相位差的信号。这里两对反并联的二极管的限幅作用是必要的。因为对于选择好的参数和二极管,只要保证和二极管能承受和的波动,D和E两点的电位永远不会超过0.7V,从而保证了不致因电压过高而损坏。
新型植入式气体传感器问世,可在人体内溶解
时间:2026-03-16
美国康奈尔大学官网
时间:2026-03-16
差压传感器的典型应用_差压传感器的安装
时间:2026-03-16
建筑物中的物联网传感器可以做什么?
时间:2026-03-16
物位传感器有哪些_物位传感器的实际应用
时间:2026-03-16
物位传感器的工作原理_物位传感器的特点
时间:2026-03-16
陀螺仪传感器的分类_陀螺仪传感器有什么用
时间:2026-03-16
模糊传感器的结构_模糊传感器的应用
时间:2026-03-16
小米重磅发布人体传感器2
时间:2026-03-16
中小企业受困 CIS 芯片缺货
时间:2026-03-16
玻璃釉电容器的结构与特点
时间:2026-03-05
电阻的标称阻值和允许偏差
时间:2026-03-05
石英灯电子变压器电路原理
时间:2026-03-06
变压器并列运行的条件浅析
时间:2026-03-06
关于STM32WL LSE 添加反馈电阻后无法起振的...
时间:2026-03-05
可调电阻怎么接线
时间:2026-03-05
压敏电阻有正负极吗
时间:2026-03-05
碳膜电阻如何识别_金属膜电阻器和碳膜电阻器...
时间:2026-03-05
晶体三极管放大电路的非线形失真及其解决办...
时间:2026-03-07
怎样测试三极管的好坏,NPN三极管如何知道是...
时间:2026-03-07