该过压保护电路如图所示。在220V市电工常时,通过零序电流互感器T初级线圈L1、L2的电流大小相等、方向相反,这两个电流的向量和为零,互感器T次级绕组L3中无电流流过,双向晶闸管VS得不到触发信号而处于截止状态。当电源电压过高时,压敏电阻器RV击穿放电,破坏了原电路的平衡状态,认中有感应电压输出,由电位器RP1检出的信号便会触发双向晶刊管饱和导通,致使流过保险丝FU的电流剧增而使其很快熔断,从而达到过压保护的目的。

图:压敏电阻器一双向晶闸管过压保护电路
电路中双向晶闸管的额定电流应大于保险丝的熔断电流,其耐压应大于300V。压敏电阻器应选用标称值为360V的氧化锌压敏电阻器。

压敏电阻的最大特点是当加在它上面的电压低于它的阀值“UN”时,流过它的电流极小,相当于一只关死的阀门,当电压超过UN时,流过它的电流激增,相当于阀门打开。利用这一功能,可以抑制电路中经常出现的异常过电压,保护电路免受过电压的损害。
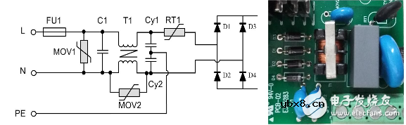
以某型号的电源模块为例,该模块是周立功致远电子为某客户定制的电源模块,输入85VAC~350VAC,且EMC前级电路电路嵌入到模块中。抗浪涌要求差模电压3KV,共模电压6KV。更换更大的保险丝后可承受6KV差模电压。其前级原理图及对应实物图如图2所示

图2实例原理图与实物图
1.差模浪涌测试
压敏电阻选型时,首先应使最大允许电压略大于350V,此电压等级压敏电阻最大钳位电压为1000V左右(50A测试电流下)。其次在差模路径上,等效于一个内阻为2Ω、脉冲电压为6KV的电压源与压敏电阻串联,则峰值电流约为(6KV-1KV)/2Ω=2500A。最终选择了681KD14作为压敏电阻。其峰值电流为4500A,最大允许工作电压385VAC,最大钳位电压1120V。
不必担心,因为共模电感中未耦合的部分,在差模路径中作为差模电感,将分得部分电压,事实上,在共模电感后级,电路已得到保护,经试验验证,整流二极管选择常用的1N4007即可。
2.共模浪涌测试
当对ACL-PE或ACN-PE测试6KV浪涌时,即共模浪涌试验,共模路径等效为一个内阻约为12Ω,脉冲电压为6KV的电压源与共模电感、Y电容串联。因为Y电容选择Y1等级电容,其耐压较高,6KV共模浪涌的能量不足以使其损坏,因此仅需保证PE布线与其他布线保持一定间接,即可很容易地通过共模浪涌测试。
但是,因为浪涌测试时共模电感两端将产生高压,出现飞弧。若与周围器件间距较近,可能使周围器件损坏。因此可在其上并联一个放电管或压敏电阻限制其电压,从而起到灭弧的作用。如图中MOV2所示。
压敏电阻经常被用于仪器设备的电源入口处进行防雷、防浪涌设计,在此类用途中,通常将压敏电阻与气体放电管、熔断器、热敏电阻等器件一起作用,相互结合来更好的发挥作用。
下图为一典型的防雷抗浪涌电路结构。RV1~RV3为压敏电阻,GAS为气体放电管,F1、F2为保险管。RV1用来防护差模浪涌电压,RV2、RV3、GAS三者相结合用来进行共模浪涌电压的保护。保险丝用来进行短路保护,防止压敏电阻击穿而发生短路。
图中由RV2、RV3、GAS相结合而构成的共模浪涌保护电路结合了压敏电阻与气体放电管的优点,相互弥补各自的缺点,是一种常用的浪涌保护电路。气体放电管的通流容量大,在,但动作时间长,漏电流大,而压敏电阻响应速度快且漏电流小。

压敏电阻器在电路中通常并接在被保护电器的输入端,如图所示。从图中可以看出,压敏电阻器的阻抗zv与电路总阻抗(包括浪涌阻抗么)构成了分压器,因此压敏电阻器的限制电压可由下式确定:
Vc=VsZv/(Zs+Zv)
式中:VC--限制电压;
VS--浪涌电压;
ZV--压敏电阻器的阻抗,它可以从正常值的几兆欧降到儿欧,甚至小于lΩ;
ZS--电路总阻抗。
从上式可见,Zv在瞬间流过很大电流时,瞬间过电压大部分降落在么上,而用电被保护电器得到的电压在其耐压之下,因而能起到保护作用。

电感器设计流程和见解
时间:2026-05-01
什么是触发器?触发器的作用是什么?
时间:2026-05-01
什么是电源?电源是如何进行分类的?
时间:2026-05-01
电驱动NVH的特点和结构
时间:2026-05-01
什么是霍尔传感器?
时间:2026-05-01
电负性的计算方法
时间:2026-04-30
电导的定义_电导的单位_电导怎么算
时间:2026-04-30
什么是计数器_计数器的作用
时间:2026-04-30
什么是欧姆定律_欧姆定律公式
时间:2026-04-30
RAID是什么?RAID有哪些?
时间:2026-04-30
电阻的原理和作用 电阻色环识别图 电路中电...
时间:2026-03-09
NVIDIA CPU+GPU超级芯片大升级!
时间:2026-03-09
什么是室温超导?半导体时代将走向结束?芯...
时间:2026-03-09
石英灯电子变压器电路原理
时间:2026-03-06
什么是硅片或者晶圆?一文了解半导体硅晶圆
时间:2026-03-09
半导体光刻工艺 光刻—半导体电路的绘制
时间:2026-03-09
一文详解MOS管驱动电路拓扑的设计
时间:2026-03-09
汽车芯片业应汲取的教训
时间:2026-03-09
压敏电阻型号的含义
时间:2026-03-05
半导体行业之ICT技术简介
时间:2026-03-09