众所周知, 如今在人类的生产、生活中,传感器已得到了广泛的应用,尤其对于高精密的产品要借助各种传感器来监视和控制生产过程中的各个参数,使设备工作在正常状态或最佳状态,并使产品达到最好的质量。因此可以说,没有众多的优良的传感器,现代化生产也就失去了基础。在医学中,借助传感器能够更好分析病因,得到一个好的治疗方案。在科研究中,传感器更具有突出的地位,许多领域人的感官还有简易的传感器根本无法得到精确的数据,必须借助高精密的传感器来实现分析测量,而光敏传感器是利用光敏元件将光信号转换为电信号的传感器,因其具有非接触、响应快、性能可靠等特点,故而在自动控制和非电量电子技术中占有非常重要的地位。
(1)敏感元件:它能直接感受被测非电量,并按一定规律将其转换成与被测非电量有确定对应关系的其他物理量。
(2)转换器件(又称变换器、传感器件):将敏感元件输出的非电物理量(如光强等)转换成电路参量。
(3)信号调节(转换)电路:将转换器件输出的电信号进行放大、运算、处理等,以获得便于显示、记录、处理和控制的有用电信号。
(4)辅助电源:它的作用是提供能源。有的传感器需要外部电源供电;有的传感器则不需要外部电源供电,如压电传感器。
现在的信息技术发展革命,用人自身感觉器官既无法得到准确的数据,同时对很多无法用器官感测的事物不得不望而止步,而传感器就是一种代替人的感觉器官来获取信息、数据的媒介。
在工业生产中,对于高精密的产品要接助各种传感器来监视和控制生产过程中的各个参数,使设备工作在正常状态或最佳状态,并使产品达到最好的质量。因此可以说,没有众多的优良的传感器,现代化生产也就失去了基础。
光传感器是利用光敏元件将光信号转换为电信号的传感器,它的敏感波长在可见光波长附近,包括红外线波长和紫外线波长。光传感器不只局限于对光的探测,它还可以作为探测元件组成其他传感器,对许多非电量进行检测,只要将这些非电量转换为光信号的变化即可。光传感器是目前产量最多、应用最广的传感器之一,它在自动控制和非电量电测技术中占有非常重要的地位。 光敏传感器的种类繁多,主要有:光电管、光电倍增管、光敏电阻、光敏三极管、光电耦合器、太阳能电池、红外线传感器、紫外线传感器、光纤式光电传感器、色彩传感器、CCD 和CMOS 图像传感器等。
光敏电阻器又叫光感电阻,其工作原理是基于内光电效应。光敏传感器内装有一个高精度的光电管, 光电管内有一块由”针式二管”组成的小平板, 当向光电管两端施加一个反向的固定压时, 任何光了对它的冲击都将导致其释放出电子, 结果是, 当光照强度越高, 光电管的电流也就越大, 电流通过一个电阻时, 电阻两端的电压被转换成可被采集器的数模转换器接受的0-5V 电压, 然后采集以适当的形式把结果保存下来。 简单的说,光敏传感器就是利用光敏电阻受光线强度影响而阻值发生变化的原理向机器人主机发送光线强度的模拟信号。
光敏电阻是利用半导体的光电效应制成的一种电阻值随入射光的强弱而改变的电阻器;入射光强,电阻减小,入射光弱,电阻增大。光敏电阻器一般用于光的测量、光的控制和光电转换(将光的变化转换为电的变化)。

原理:它是基于 半导体光电效应工作的。光敏电阻无极性,纯粹是一个电阻元件。使用时可以加直流电压,也可以加交流电压。 光敏电阻的工作原理:光照时,电阻很小;无光照时,电阻很大。光照越强,电阻越小;光照停止,电阻又恢复原值。
光谱范围:从紫外线区到红外线区。
优点:灵敏度高,体积小,性能稳定,价格较低。
光敏电阻的性能参数:
光敏电阻不受光照时的电阻称为暗电阻,此时流过的电流称为暗电流。在受到光照时的电阻称为亮电阻,此时电流称为亮电流。暗电阻越大越好,亮电阻越小越好。实际应用时,暗电阻大约在兆欧级,亮电阻大约在几千欧以下。
传感器是利用光敏元件将光信号转换为电信号的传感器,它的敏感波长在可见光波长附近,包括红外线波长和紫外线波长。光传感器的不只局限于对光的探测,它还可以作为探测元件组成其他传感器,对许多非电量进行检测,只要将这些非电量转换为光信号的变化即可。光传感器是目前产量最多、应用最广的传感器之一它在自动控制和非电量电测技术中占有非常重要的地位。光敏电阻器是利用半导体光电导效应制成的一种特殊电阻器,对光线十分敏感,它的电阻值能随着外界光照强弱(明暗)变化而变化。他在无光照射时,呈高阻状态;当有光照射时,其电阻值迅速减小。广泛应用于各种控制电路(如自动照明灯控制电路、自动报警电路等)、家用电器(如电视机中的高度自动调节,照相机中的自动曝光控制等)及各种测量仪器中。电阻称光导管,它几乎都是用半导体材料制成的光电器件。光敏电阻没有极性,纯粹是一个电阻器件,使用时既可加直流电压,也可以加交流电压。无光照时,光敏电阻值(暗电阻)很大,电路中电流(暗电流)很小。当光敏电阻受到一定波长范围的光照时,它的阻值(亮电阻)急剧减小,电路中电流迅速增大。一般希望暗电阻越大越好,亮电阻越小越好,时光敏电阻的灵敏度高。实际光敏电阻的暗电阻值一般在兆欧量级,亮电阻值在几千欧以下。

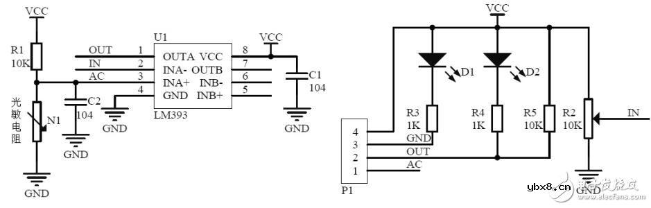
通过光敏传感器将光照强弱信号转化为电信号通过发光二极管显示以及蜂鸣器报警从而成为光照强度自动显示检测系统。光照强度不同光明传感器的组织不同,当光照强度很强时,光敏传感器的阻值很小;当光照强度弱时,光敏传感器的组织很大;当光照强度适宜时光敏传感器的阻值介于强光和弱光的阻值之间。因此可以通过光敏传感器将光信号变为电信号,并可以利用光照传感器受光照不同阻值不同产生的电信号不同从而显示不同的信号。
电感器设计流程和见解
时间:2026-05-01
什么是触发器?触发器的作用是什么?
时间:2026-05-01
什么是电源?电源是如何进行分类的?
时间:2026-05-01
电驱动NVH的特点和结构
时间:2026-05-01
什么是霍尔传感器?
时间:2026-05-01
电负性的计算方法
时间:2026-04-30
电导的定义_电导的单位_电导怎么算
时间:2026-04-30
什么是计数器_计数器的作用
时间:2026-04-30
什么是欧姆定律_欧姆定律公式
时间:2026-04-30
RAID是什么?RAID有哪些?
时间:2026-04-30
电阻的原理和作用 电阻色环识别图 电路中电...
时间:2026-03-09
什么是室温超导?半导体时代将走向结束?芯...
时间:2026-03-09
NVIDIA CPU+GPU超级芯片大升级!
时间:2026-03-09
石英灯电子变压器电路原理
时间:2026-03-06
什么是硅片或者晶圆?一文了解半导体硅晶圆
时间:2026-03-09
半导体光刻工艺 光刻—半导体电路的绘制
时间:2026-03-09
汽车芯片业应汲取的教训
时间:2026-03-09
压敏电阻型号的含义
时间:2026-03-05
一文详解MOS管驱动电路拓扑的设计
时间:2026-03-09
半导体行业之ICT技术简介
时间:2026-03-09