1 引言
LED 正成为背光照明的主流器件。一般背光源设计中有多个LED, 所以要考虑各个LED 亮度的一致性。在实际应用中, 可根据向电压(Vf) 对LED 器件进行" 差异筛选".LED 的Vf 值是背光设计的重要变数。将多个LED 连接在一起使用时, 各管电流均必须匹配, 整个组件才能产生一致的亮度。
LED 的亮度决定于流过它的电流。实现恒定电流最简单的方法, 是将多个LED 串联起来。这样不用差异筛选, 串联LED 就能确保流过各个LED 的电流相同。但是串联时的总体正向电压为多个LED 的Vf 之和, 需要使用带电感的具有升压功能的LED 驱动电路, 使得成本增加。而且, 一个LED 发生故障就会使整个背光源失效。此外, 串联驱动方法有较强的电磁干扰, 对通讯产品尤其不利。
将多个LED 并联的设计方法, 无需带电感的升压电路, 电磁干扰较小, 容错性较强。但为了保证亮度的均匀性, 必须对LED 进行差异筛选。随着所用LED 数量的增加, 成本也会因差异筛选而增加。即使经过差异筛选, LED 的Vf 值仍会存在一个变化范围, 影响亮度的均匀性。
本文重点讨论在LED 并联设计中, 如何提高亮度的均匀性。
2 LED 背光源电路模型
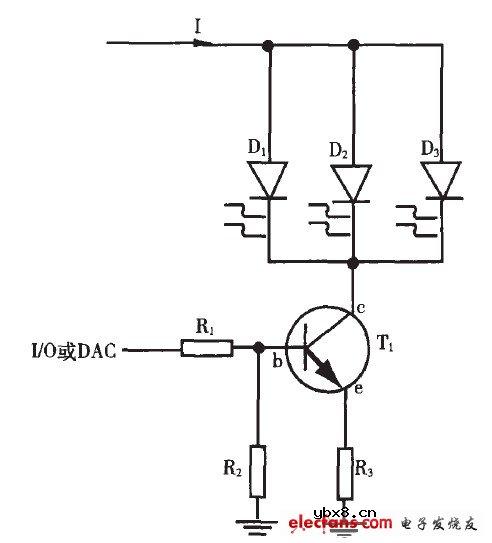
将三个LED 并联构成背光源, 其总电流由三极管电路控制, 如图1 所示。亮度均匀性的NLED 被定义为:

式中,Imax 和Imin 为各个LED 电流的最大值和最小值;

图1 LED 背光源的驱动电路
图中, D1, D2, D3 为发光二极管, T1 为NPN 型三极管, R1 , R2 , R3 的阻值可根据总电流I 的设计要求进行调节, I/O 或DAC 为控制端口。
理想发光二极管的正向电压为:

实际上, 寄生电阻对Vf 影响很大:

式中: I 为正向电流; n 为理想因子; k 为玻尔兹曼常数(1.38x10- 23 J /K) ; T 为温度( 298K 或25℃) ;q 为电子电量( 1.602x10- 19 C) ;Is 为饱和电流; R 为寄生电阻;本文以西铁成公司的发光二极管为例, 其特性参数如表1 所示。
表1 发光二极管特性参数

依据式( 2) , 使用对分法[2]计算出在不同正向电压下,三种LED 的正向电流, 如图2 所示。

图2 不同LED的正向电压与电流的关系。
由图2 可以看出, 在相同的电压下, 不同LED 的电流不同, 即亮度不同。LED 都有其额定电流, 西铁城LED 的额定电流为20mA, 所以本文给出了20mA以内的数据。
3 偏置电阻对LED 背光源亮度均匀性的影响
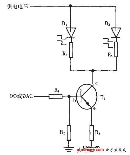
在实际设计中, 利用外加偏置电阻, 即在每个LED 处串联一个电阻来改善LED 背光源的亮度均匀性。本文讨论两个LED 并联, 加偏置电阻R4=R5的情况, 如图3 所示。

图3 加偏置电阻的电路图
计算机利用对分法算出了在总电流为15mA,外加偏置电阻(R)为R4=R5=0 , 22 , 47 , 68 , 100 , 150, 200 (Ω) 时, D1 和D2 的电流( I1 和I2) 、亮度均匀性( Uni)、正向电压(V5) 、以及偏置电阻带来的功耗(P)。
计算结果如表2 及图4、图5 所示。
表2 不同偏置电阻的计算结果


图4 偏置电阻对亮度均匀性的影响。

图5 偏置电阻对功耗及供电电压的影响。
由表2 和图4、5 可以看出, 外加偏置电阻可以显着提高亮度的均匀性, 但电路的功耗会相应增加,对LED 正向电压的要求会增大。例如, 外加150Ω偏置电阻时, 其耗散功率为17mW, V5 为3.104V。
对于锂电池而言, 一般工作电压范围为3.0~4.2V,再考虑三极管的偏置电压, 因此, 外加150Ω偏置电阻是不能接受的。设计中要根据具体的供电电压来确定偏置电阻的值。
4 LED 的发光亮度对亮度均匀性的影响
根据式(2) , 也可以通过改变LED 的发光亮度来改善LED 背光源的亮度均匀性, 即通过改变系统的总电流来改善亮度的均匀性。本文讨论两个LED并联, 且外加68Ω偏置电阻的情况, 结果如表3 及图6 所示。


图6 由外加偏置电阻改变系统总电流对亮度均匀性的影响
由表3 和图6 可以看出, 外加68Ω 偏置电阻使亮度降低, 可以适当提高亮度的均匀性。在实际设计中, 可利用本文所述方法进行模拟计算。
5 结论
本文讨论了偏置电阻、和发光亮度对LED 亮度均匀性的影响。随着偏置电阻值的增加、亮度的减小,LED 背光源的亮度均匀性会提高。实际设计中要兼顾偏置电阻的功耗、发光亮度和供电电压等的要求。
什么是PCA?何时应该使用PCA?
时间:2026-04-28
仪表放大器放大倍数分析
时间:2026-04-28
射频微波设计入门
时间:2026-04-28
变压器结构
时间:2026-04-28
8种进行简单线性回归的方法分析与讨论
时间:2026-04-28
什么是RS485通信接口
时间:2026-04-28
简单的上色装置
时间:2026-04-26
液晶屏对比度温度补偿
时间:2026-04-26
双输入视频多路复用的电缆驱动器
时间:2026-04-26
带有75Ω负载的抗阻匹配线路驱动器
时间:2026-04-26
NVIDIA CPU+GPU超级芯片大升级!
时间:2026-03-09
电阻的原理和作用 电阻色环识别图 电路中电...
时间:2026-03-09
什么是室温超导?半导体时代将走向结束?芯...
时间:2026-03-09
石英灯电子变压器电路原理
时间:2026-03-06
半导体光刻工艺 光刻—半导体电路的绘制
时间:2026-03-09
什么是硅片或者晶圆?一文了解半导体硅晶圆
时间:2026-03-09
汽车芯片业应汲取的教训
时间:2026-03-09
半导体行业之ICT技术简介
时间:2026-03-09
压敏电阻有正负极吗
时间:2026-03-05
实用模拟电路小常识浅析
时间:2026-03-09