西门子空气断路器3WL互锁功能
机械联锁模块可用于1台或2台西门子断路器3WL,并可根据相应型号进行简便调整。固定式与抽出式断路器完全兼容,因此可组合使用,这也适用于3WT和3WN1断路器。
空气断路器安装可采用左右排列方式或者采用上下排列方式,同时断路器之间的间距仅取决于钢缆线的长度(长度:2m/3m/4.5m)。使用钢缆线可循环互锁信号,对于抽出式断路器,联锁只有在设备处于连接位置时才有效,钢缆线的机械寿命为10000次。
在开关设备中必须满足互锁功能的最小需求:
●必须尽可能直线地敷设钢缆线;
●钢缆线的弯曲半径必须大于500mm;
●沿钢缆线的所有弯曲角度之和不能超过640°;
●若联锁西门子空气断路器是采用垂直布置,则必须串联联锁机构;
●在布置联锁断路器时,应能安装2m或4.5m长的钢缆线,以满足上述要求;
●在调整联锁装置之前,必须固定所安装的钢缆线(使用扎带等);
●开关柜应足够宽,以留有空间调整联锁装置;
●在设计系统部件中的开孔和开口时,不应改变钢缆线的方向或妨碍钢缆线。
西门子断路器3WL相互机械联锁电路图举例如下所示:

西门子空气断路器3WL相互机械联锁电路
配电中区域可选互锁功能的工作原理示例:

西门子空气断路器3WL互锁工作原理一
用于高低不同短路水平(层级)的 西门子3VL和西门子3WL断路器。

西门子空气断路器3WL互锁工作原理二
应用西门子空气断路器,区域选择性联锁的接线图可满足多电源馈线和出线单元功能。

西门子空气断路器3WL互锁工作原理三
区域选择性联锁功能:使用一台联络开关,采用3WL断路器。
西门子空气断路器3WL连接电路原理图
主回路连接作为标准配置,所有的断路器直至最大至5000A都配备水平板后安装的主母排连接(用于水平接至汇流排)。而最大额定电流4000A的框II断路器例外,最大额定电流 6300A的断路器和最大额定电流4000A的框II空气断路器都装配有垂直的主母排连接(用于垂直安装母排)。
西门子空气断路器3WL主回路连接
提供以下选件上下进线均可:
●板前连接、单孔(母排垂直安装);
●板前连接、双孔(DIN 43673 孔)(母排垂直安装);
●板后垂直(母排垂直安装);
●连接法兰(用于直接连接到抽屉座,最高4000A)。
根据安装形式连接辅助回路端子:
●抽出式:内部辅助回路端子连接到西门子空气断路器本体侧的插头上,完全插入时连接器可与抽屉座中的滑动触头模块连接,从而可用各种适配器来完成配线。
●固定式安装:在这种情况下,辅助回路插件直接啮合在空气断路器上,连接器配有编码针脚可防止误插。
西门子断路器3WL端子分配连接电路图如下所示:
西门子空气断路器3WL端子分配连接电路
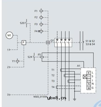
西门子断路器3WL总电路原理图如下所示:

西门子空气断路器3WL总电路原理图
(3WL1. 。.–。..。.–4GN4–Z C11+ C22+K07)手动/电动储能操作机构,带电气合闸按钮(可选 C11),合闸就绪信号开关(可选 C22),LSING过电流脱扣器,“UVR”欠电压脱扣器(可选 F3),“ST”分励脱扣器(F1),脱扣信号开关 (K07),辅助开关4NO+4NC。
注:
-A1:电子脱扣器ETU;
-S1/-S2:第1辅助回路接线端子(2NO+2NC);
-S3/-S4:第2辅助回路接线端子(2NO+2NC);
-S7(可选)第2辅助回路接线端子,S3和S7具有相同的端子分布/安装空间,如果没有S3,可使用S7(2NO);
-S8(可选)第2辅助回路接线端子,S4和S8具有相同的端子分布/安装空间。如果没有S4,可使用S8(2NO)
3WL1.。.-。..。.-。..2(2NO+2NC)S1+S2,
3WL1.。.-。..。.-。..4(4NO+4NC)S1+S2+S3+S4,
3WL1.。.-。..。.-。..7(6NO+2NC)S1+S2+S7+S8,
3WL1.。.-。..。.-。..8(5NO+3NC)S1+S2+S3+S8;
-S10电气合闸按钮;
-S11内部电动机储能限位触点;
-S12电动机断电开关(控制是否自动储能);
-S20合闸准备就绪信号开关;
-S24脱扣信号开关;
-F1第1辅助脱扣器、分励脱扣器;
-F3第2辅助脱扣器、欠电压脱扣器;
-F5脱扣线圈;
-M“储能”电机;
-P储能机构;
-QS储能杆;
-Q1主触头;
-T1/-T2/-T3电流互感器;
-X5/-X6/-X7/-X8端子组;
-Y1合闸线圈;
-R脱扣器指示器和复位按钮;
-X8.9/-X8.10连接选项:外部中线互感器。
西门子断路器3WL功能连接电路原理图如下所示:

西门子空气断路器3WL功能连接电路原理
声控开关安装接线方法_声控开关接线实物图
时间:2026-03-13
行程开关实物接线图
时间:2026-03-13
温度开关的分类_温度开关的选型
时间:2026-03-13
温度开关作用_温度开关检测及使用
时间:2026-03-13
温控开关坏了什么症状_温控开关怎么检测好坏
时间:2026-03-13
温控开关常开常闭区别
时间:2026-03-13
震动开关原理_震动开关的使用
时间:2026-03-13
四脚轻触开关原理和封装尺寸
时间:2026-03-13
轻触开关与薄膜开关的区别
时间:2026-03-13
薄膜开关基本结构_薄膜开关技术参数
时间:2026-03-13
电阻的标称阻值和允许偏差
时间:2026-03-05
玻璃釉电容器的结构与特点
时间:2026-03-05
变压器并列运行的条件浅析
时间:2026-03-06
关于STM32WL LSE 添加反馈电阻后无法起振的...
时间:2026-03-05
可调电阻怎么接线
时间:2026-03-05
压敏电阻有正负极吗
时间:2026-03-05
碳膜电阻如何识别_金属膜电阻器和碳膜电阻器...
时间:2026-03-05
电容器入门教程
时间:2026-03-05
科普:电子入门基础知识之各种电容器的识别
时间:2026-03-05
电容的作用和工作原理 电容具有什么特点 简...
时间:2026-03-05