1、安装时,开关不得跌落,不得碰撞,不得受过大的冲击(有触点开关应小于300m/s2,无触点开关应小于1000m/s2)。虽开关本体没有破损,但内部可能破损而出现误动作。
2、开关的导线不要随气缸运动。
不仅仅是导线易断,而且应力加在开关内部,开关内部元件可能破损,故绝对不允许让开关的导线随气缸运动。
3、安装开关时的紧固力矩应在允许范围内。
紧固力矩过大,安装螺钉,安装附件及开关等都可能破损。紧固力矩不足,开关的安装位置可能偏移。
4、开关应安装在动作范围的中间位置。
动作位置是指开关接通的范围。让活塞停在动作范围的中心来调整磁性开关的安装位置。若开关安装在动作范围的两端附近,即开关通断边界上,则开关动作不稳定。
磁性开关气缸用于检测气缸行程的位置,不需再行程两端设置机控阀(或行程开关)及其安装架,不需要在活塞杆端部设置撞常见的有以下几种安装方法:
气缸磁性开关安装方式·固定在导轨上

开关壳体上有一带孔的夹片,导轨中有一可滑移的安装螺母,将安装螺钉穿过夹片孔,对准螺母拧紧,则开关便紧固在导轨上。这张安装方法通常用于中小型气缸及带安装平面的气缸。
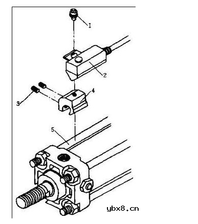
气缸磁性开关安装方式·卡固在拉杆上

开关壳体上有带孔夹片或带孔凸缘。图中所示是将安装件用止动螺钉固定在拉杆上,然后再将开关固定在安装件上。
由于磁性开关经常处于在工作状态中,我们必须定期维护检查,以防止开关误动作。
1、检查磁性开关的工作环境,保持环境干燥,正常温度即可。
2、检查导线有无损伤导线损伤会造成绝缘不良或导线断路。如果发现导线破损,应更换开关或修复导线。
3、增拧感应开关的安装小螺钉防止感应开关松动或者位置发生偏移;如果已经发生偏移,应重新调整到正确的位置后再紧固小螺钉。建议使用NNT磁性开关,大大优良了感应的灵活度。
1)用钢带固定
2)固定在导轨上
3)卡固在拉杆上
4)直接安装气缸磁性开关磁性开关的安装位置磁性开关可以安装在行程末端,也可以安装在行程中间的任意位置上。
对于要将磁性开关安装在行程中间的情况(例如要使活塞在行程中途的某-位置停止) ,开关的安装位置可按照如下方法确定。在活塞应停止位置使活塞固定,让磁性开关在活塞的上方左右移动,找出开关开始吸合时的位置,则左右吸台位置的中间位置更是开关的灵敏度位置。
磁性开关应固定在这个灵敏度位置。当要将开关安装在行程未端时,为保证开关安装在灵敏度位置,对不同气缸,在样本上,都已经标出离侧端盖和无杆侧端盖的距离A和B。

先通过拉动气缸检查指示灯是否正常,注意磁性开关需要接负载,防止电流过大,烧坏磁性开关。磁性开关有三线的,二线的,你可以找对应的接线图看下。通过型号也可以判断几线的,是NPN的还是PNP的。配合PLC使用使用时应注意正确地选型。
注意:使用磁性开关上自带的紧定螺钉来固定磁性开关,否则,磁性开关可能被破损。
什么是PCA?何时应该使用PCA?
时间:2026-04-28
仪表放大器放大倍数分析
时间:2026-04-28
射频微波设计入门
时间:2026-04-28
变压器结构
时间:2026-04-28
8种进行简单线性回归的方法分析与讨论
时间:2026-04-28
什么是RS485通信接口
时间:2026-04-28
简单的上色装置
时间:2026-04-26
液晶屏对比度温度补偿
时间:2026-04-26
双输入视频多路复用的电缆驱动器
时间:2026-04-26
带有75Ω负载的抗阻匹配线路驱动器
时间:2026-04-26
NVIDIA CPU+GPU超级芯片大升级!
时间:2026-03-09
电阻的原理和作用 电阻色环识别图 电路中电...
时间:2026-03-09
什么是室温超导?半导体时代将走向结束?芯...
时间:2026-03-09
石英灯电子变压器电路原理
时间:2026-03-06
半导体光刻工艺 光刻—半导体电路的绘制
时间:2026-03-09
什么是硅片或者晶圆?一文了解半导体硅晶圆
时间:2026-03-09
汽车芯片业应汲取的教训
时间:2026-03-09
半导体行业之ICT技术简介
时间:2026-03-09
压敏电阻有正负极吗
时间:2026-03-05
实用模拟电路小常识浅析
时间:2026-03-09