怎样看电路图-电路图中的 555 时基电路
555 集成时基电路的特点
555 集成电路开始出现时是作定时器应用的,所以叫做 555 定时器或 555 时基电路。但是后来经过开发,它除了作定时延时控制外,还可以用于调光、调温、调压、调速等多种控制以及计量检测等作用;还可以组成脉冲振荡、单稳、双稳和脉冲调制电路,作为交流信号源以及完成电源变换、频率变换、脉冲调制等用途。由于它工作可靠、使用方便、价格低廉,因此目前被广泛用于各种小家电中。
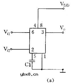
555 集成电路内部有几十个元器件,有分压器、比较器、触发器、输出管和放电管等,电路比较复杂,是模拟电路和数字电路的混合体。它的性能和参数要在非线性模拟集成电路手册中才能查到。 555 集成电路是 8 脚封装,图 1 ( a )是双列直插型封装,按输入输出的排列可画成图 1 ( b )。 其中 6 脚称阀值端( TH ),是上比较器的输入。 2 脚称触发端(




对于初学者来说,可以把 555 电路等效成一个带放电开关的 R - S 触发器,如图 2 ( a )。这个特殊的触发器有两个输入端;阈值端( TH )可看成是置零端 R ,要求高电平;触发端(







这个特殊的 R - S 触发器有 2 个特点:( 1 )两个输入端的触发电平要求一高一低:置零端 R 即阈值端 TH 要求高电平,而置低端




经过简化, 555 电路可以等效成一个触发器,它的功能表见图 2 ( b )。
555 集成电路有双极型和 CMOS 型两种。 CMOS 型的优点是功耗低、电源电压低、输入阻抗高,但输出功率较小,输出驱动电流只有几毫安。双极型的优点是输出功率大,驱动电流达 200 毫安,其它指标则不如 CMOS 型的。
此外还有一种 556 双时基电路, 14 脚封装,内部包含有两个相同的时基电路单元。 555 的应用电路很多,大体上可分为 555 单稳、 555 双稳和 555 无稳三类。 555 单稳电路单稳电路有一个稳态和一个暂稳态。 555 的单稳电路是利用电容的充放电形成暂稳态的,因此它的输入端都带有定时电阻和定时电容,常见的 555 单稳电路有两种。
( 1 )人工启动型单稳
将 555 电路的 6 、 2 端并接起来接在 RC 定时电路上,在定时电容 C T 两端接按钮开关 SB ,就成为人工启动型 555 单稳电路,见图 3 ( a )。用等效触发器替代 555 ,并略去与单稳工作无关的部分后画成等效图 3 ( b )。下面分析它的工作:


① 稳态:接上电源后,电容 C T 很快充到 V DD ,从图 3 ( b )看到,触发器输入 R=1 ,

② 暂稳态:按下开关 SB , C T 上电荷很快放到零,相当于触发器输入 R=0 ,

( 2 )脉冲启动型单稳
把 555 电路的 6 、 7 端并接起来接到定时电容 C T 上,用 2 端作输入就成为脉冲启动型单稳电路,见图 4 ( a )。电路的 2 端平时接高电平,当输入接低电平或输入负脉冲时才启动电路。用等效触发器替代 555 电路后可画成图 4 ( b )。这个电路利用放电端使定时电容能快速放电。下面分析它的工作状态:

① 稳态:通电后, R=1 ,

② 暂稳态:输入负脉冲后,输入


这两种单稳电路常用作定时延时控制。
555 双稳电路
常见的 555 双稳电路有两种。
( 1 ) R-S 触发器型双稳把 555 电路的 6 、 2 端作为两个控制输入端, 7 端不用,就成为一个 R - S 触发器。要注意的是两个输入端的电平要求和阈值电压都不同,见图 5 ( a )。有时可能只有一个控制端,这时另一个控制端要设法接死,根据电路要求可以把 R 端接到电源端,见图 5 ( b ),也可以把 S 端接地,用 R 端作输入。


有两个输入端的双稳电路常用作电机调速、电源上下限告警等用途,有一个输入端的双稳电路常作为单端比较器用作各种检测电路。
( 2 )施密特触发器型双稳
把 555 电路的 6 、 2 端并接起来成为只有一个输入端的触发器,见图 6 ( a )。这个触发器因为输出电压和输入电压的关系是一个长方形的回线形,见图 6 ( b ),所以被称为施密特触发器。从曲线看到,当输入 V i =0 时输出 V o =1 。当输入电压从 0 上升时,要升到> 2/ 3 V DD 以后, V o 才翻转成 0 。而当输入电压从最高值下降时,要降到 < 1 /3 V DD 以后, V o 才翻转成 1 。所以输出电压和输入电压之间是一个回线形曲线。由于它的输入有两个不同的阈值电压,所以这种电路被用作电子开关,各种控制电路,波形变换和整形的用途。


555 无稳电路
无稳电路有 2 个暂稳态,它不需要外触发就能自动从一种暂稳态翻转到另一种暂稳态,它的输出是一串矩形脉冲,所以它又称为自激多谐振荡器或脉冲振荡器。 555 的无稳电路有多种,这里介绍常用的 3 种。
( 1 )直接反馈型 555 无稳
利用 555 施密特触发器的回滞特性,在它的输入端接电容 C ,再在输出 V 0 与输入之间接一个反馈电阻 R f ,就能组成直接反馈型多谐振荡器,见图 7 ( a )。用等效触发器替代 555 电路后可画成图 7 ( b )。现在来看看它的振荡工作原理:



( 2 )间接反馈型无稳
另一路多谐振荡器是把反馈电阻接在放电端和电源上,如图 8 ( a ),这样做使振荡电路和输出电路分开,可以使负载能力加大,频率更稳定。这是目前使用最多的 555 振荡电路。

这个电路在刚通电时, V 0 =1 , DIS 端开路, C 的充电路径是:电源 →R A →DIS→R B →C ,当 C 上电压上升到> 2 /3 V DD 时, V 0 =1 , DIS 端接地, C 放电, C 放电的路径是: C→R B →DIS→ 地。可以看到充电和放电时间常数不等,输出不是方波。 t 1 =0.693 ( R A + B B ) C 、 t 2 =0.693R B C ,脉冲频率 f=1.443 /( R A + 2R ) C
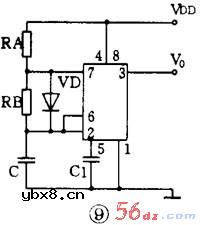
( 3 ) 555 方波振荡电路
要想得到方波输出,可以用图 9 的电路。它是在图 8 的电路基础上在 R B 两端并联一个二极管 VD 组成的。当 R A =R B 时, C 的充放电时间常数相等,输出就得到方波。方波的频率为 f=0.722 / R A C ( R A =R B )

在这个电路的基础上,在 R A 和 R B 回路内增加电位器以及采用串联或并联二极管的方法可以得到占空比可调的脉冲振荡电路。
555 脉冲振荡电路常被用作交流信号源,它的振荡频率范围大致在零点几赫到几兆赫之间。因为电路简单可靠,所以使用极广。
555 电路读图要点及举例
555 集成电路经多年的开发,实用电路多达几十种,几乎遍及各个技术领域。但对初学者来讲,常见的电路也不过是上述几种,因此在读图时,只要抓住关键,识别它们是不难的。
从电路结构上分析,三类 555 电路的区别或者说它们的结构特点主要在输入端。因此当我们拿到一张 555 电路图时,在大致了解电路的用途之后,先看一下电路是 CMOS 型还是双极型,再看复位端(


( 1 ) 6 、 2 端是分开的
①7 端悬空不用的一定是双稳电路。如有两个输入的则是双限比较器;如只有一个输入的则是单端比较器。这类电路一般都是作电子开关、控制和检测电路的用途。
②7 、 6 端短接并接有电阻电容、取 2 端作输入的一定是单稳电路。它的输入可以用开关人工启动,也可以用输入脉冲启动,甚至为了取得较好的启动效果在输入端带有 RC 微分电路。这类电路一般用作定时延时控制和检测的用途。
( 2 ) 6 、 2 端短接的
① 输入没有电容的是施密特触发器电路。这类电路常用作电子开关、告警、检测和整形的用途。
② 输入端有电阻电容而 7 端悬空的,这时要看电阻电容的接法:( a ) R 和 C 串联接在电源和地之间的是单稳电路, R 和 C 就是它的定时电阻和定时电容。( b ) R 在上 C 在下, R 的一端接在 V 0 端上的是直接反馈型无稳电路,这时 R 和 C 就是决定振荡频率的元件。
③7 端也接在输入端,成“ R A - 7 - R B - 6 、 2—C ”的形式的就是最常用的无稳电路。这时 R A 和 R B 及 C 就是决定振荡频率的元件。这类电路可以有很多种变型:如省去 R A ,把 7 端接在 V 0 上;或者在 R B 两端并联二极管 VD 以获得方波输出,或者用电阻和电位器组成 R A 和 R B ,而且在 R A 和 R B 两端并联有二极管以获得占空比可调的脉冲波等等。这类电路是用途最广的,常用于脉冲振荡、音响告警、家电控制、电子玩具、医疗电器以及电源变换等用途。
( 3 )如果控制电压( V c )端接有直流电压,则只是改变了上下两个阀值电压的数值,其它分析方法仍和上面的相同。
只要按上述步骤细心分析核对,一定能很快地识别 555 电路的类别和了解它的工作原理。下面的问题就比较好办了,例如定时时间、振荡频率等都可以按给出的公式进行估算。
例 1 相片曝光定时器
图 10 是用 555 电路制成的相片曝光定时器。从图看到,输入端 6 、 2 并接在 RC 串联电路中,所以这是一个单稳电路, R1 和 RP 是定时电阻, C1 是定时电容。

电路在通电后, C1 上电压被充到 6 伏,输出 V 0 =0 ,继电器 KA 不吸动,常开接点是打开的,曝光灯 HL 不亮。这是它的稳态。
按下 SB 后, C1 快速放电到零,输出 V 0 =1 ,继电器 KA 吸动,点亮曝光灯 HL ,暂稳态开始。 SB 放开后电源向 C1 充电,当 C1 上电压升到 4 伏时,暂稳态结束,定时时间到,电路恢复到稳态。输出翻转成 V 0 =0 ,继电器 KA 释放,曝光灯熄灭。电路定时时间是可调的,大约是 1 秒~ 2 分钟。
例 2 光电告警电路
图 11 是 555 光电告警电路。它使用 556 双时基集成电路,有两个独立的 555 电路。前一个接成施密特触发器,后一个是间接反馈型无稳电路。图中引脚号码是 556 的引脚号码。
图中 R1 是光敏电阻,无光照时阻值为几~几十兆欧,所以 555a 的输入相当于 R=0 、 S=0 ,输出 V 0 =1 ,三极管 VT 导通, VT 的集电极电压只有 0.3 伏,加在 555b 的复位端( MR ),使 555b 处于复位状态,即无振荡输出。
当 R1 受光照后,阻值突然下降到只有几~几十千欧,于是 555a 的输入电压升到上阀值电压以上,输出翻转成 V 0 =0 , VT 截止, VT 集电极电压升高, 555b 被解除复位状态而振荡,于是扬声器 BL 发声告警。 555b 的振荡频率大约是 1 千赫。
如果把整个装置放入公文包内,那么当打开公文包时,这个装置会发声告警而成为防盗告警装置。
什么是PCA?何时应该使用PCA?
时间:2026-04-28
仪表放大器放大倍数分析
时间:2026-04-28
射频微波设计入门
时间:2026-04-28
变压器结构
时间:2026-04-28
8种进行简单线性回归的方法分析与讨论
时间:2026-04-28
什么是RS485通信接口
时间:2026-04-28
简单的上色装置
时间:2026-04-26
液晶屏对比度温度补偿
时间:2026-04-26
双输入视频多路复用的电缆驱动器
时间:2026-04-26
带有75Ω负载的抗阻匹配线路驱动器
时间:2026-04-26
NVIDIA CPU+GPU超级芯片大升级!
时间:2026-03-09
电阻的原理和作用 电阻色环识别图 电路中电...
时间:2026-03-09
什么是室温超导?半导体时代将走向结束?芯...
时间:2026-03-09
石英灯电子变压器电路原理
时间:2026-03-06
半导体光刻工艺 光刻—半导体电路的绘制
时间:2026-03-09
什么是硅片或者晶圆?一文了解半导体硅晶圆
时间:2026-03-09
汽车芯片业应汲取的教训
时间:2026-03-09
半导体行业之ICT技术简介
时间:2026-03-09
压敏电阻有正负极吗
时间:2026-03-05
实用模拟电路小常识浅析
时间:2026-03-09