绝对式光电编码器基本构造及特点
用增量式光电编码器有可能由于外界的干扰产生计数错误,并且在停电或故障停车后无
法找到事故前执行部件的正确位置。采用绝对式光电编码器可以避免上述缺点。绝对式光电
编码器的基本原理及组成部件与增量式光电编码器基本相同,也是由光源、码盘、检测光栅、
光电检测器件和转换电路组成。与增量式光电编码器不同的是,绝对式光电编码器用不同的
数码来分别指示每个不同的增量位置,它是一种直接输出数字量的传感器。在它的圆形码盘
上沿径向有若干同心码道,每条上由透光和不透光的扇形区相间组成,相邻码道的扇区数目
是双倍关系,码盘上的码道数就是它的二进制数码的位数,在码盘的一侧是光源,另一侧对
应每一码道有一光敏元件;当码盘处于不同位置时,各光敏元件根据受光照与否转换出相应
的电平信号,形成二进制数。这种编码器的特点是不要计数器,在转轴的任意位置都可读出
一个固定的与位置相对应的数字码。显然,码道越多,分辨率就越高,对于一个具有 N 位
二进制分辨率的编码器,其码盘必须有N 条码道。绝对式光电编码器原理如图1-8 所示。
绝对式光电编码器是利用自然二进制、循环二进制(格雷码)、二-十进制等方式进行光
电转换的。绝对式光电编码器与增量式光电编码器不同之处在于圆盘上透光、不透光的线条
图形,绝对光电编码器可有若干编码,根据读出码盘上的编码,检测绝对位置。它的特点是:
可以直接读出角度坐标的绝对值;没有累积误差;电源切除后位置信息不会丢失;编码器的
精度取决于位数;最高运转速度比增量式光电编码器高。

图1-8 绝对式光电编码器原理
1.3.2 码制与码盘
绝对式光电编码器的码盘按照其所用的码制可以分为:二进制码、循环码(格雷码)、
十进制码、六十进制码(度、分、秒进制)码盘等。四位二元码盘(二进制、格雷码)如图
1-9 所示。图中黑、白色分别表示透光、不透光区域。

图 1-9 四位二元码盘
图 1-9(a)是一个四位二进制码盘,它的最里圈码道为第一码道,半圈透光半圈不透光,
对应于最高位C1,最外圈为第n 码道,共分成2n 个亮暗间隔,对应于最低位Cn,n 位二元
码盘最小分辨率为:

二进制马盘的缺点是:每个码道的黑白分界线总有一半与相邻内圈码道的黑白分界线是
对齐的,这样就会因黑白分界线刻画不精确造成粗误差。采用其他的有权编码时也存在类似
的问题。图1-10 是一个四位二进制码盘展开图,图中aa 为最高位码道黑白分界线的理想位
置,它与其他三位码道的黑白分界线正好对齐,当码盘转动,光束扫过这一区域时,输出数
码从0111 变为1000 不会出现错误。如果C1 道黑白分界线刻偏到a’a’,当码盘转动时,输
出数码就会从0111 变为1111 再变到1000,中途出现了错误数码1111。反之C1 道黑白分界
线刻偏到a’’a’’,当码盘转动时,输出数码就会从0111 变为0000 再变到1000,中途出现了
错误数码0000。为了消除这种粗误差,可以采用循环码盘(格雷码盘)。

图 1-9(b)是一个四位循环码盘,它与二进制码盘相同的是,码道数也等于数码位数,
因此最小分辨率也是式(1-2)求得,最内圈也是半圈透光半圈不透光,对应R1 位,最外圈
是第n 码道对于Rn 位。与二进制码盘不同的是:第二码道也是一半透光一半不透光,第i
码道分为2i-1个黑白间隔,第i 码道的黑白分界线与第i-1 码道的黑白分界线错开360° / 2i。
循环码盘转到相邻区域时,编码中只有一位发生变化。只要适当限制各码道的制作误差和安
装误差,就不会产生粗误差。由于这一原理,使得循环码盘获得广泛的应用。
1.3.3 二进制码与循环码的转换
绝对式光电编码器是利用自然二进制或循环二进制(格雷码)方式进行光电转换的,编
码的设计一般是采用自然二进制码、循环二进制码、二进制补码等。特点是不要计数器,在
转轴的任意位置都可读出一个固定的与位置相对应的数字码;抗干扰能力强,没用累积误差;
电源切断后位置信息不会丢失,但分辨率是由二进制的位数决定的,根据不同的精度要求,
可以选择不同的分辨率即位数。目前有10 位、11 位、12 位、13 位、14 位或更高位等多种。
其中采用循环二进制编码的绝对式编码器,其输出信号是一种数字排序,不是权重码,
每一位没有确定的大小,不能直接进行比较大小和算术运算,也不能直接转换成其他信号,
要经过一次码变换,变成自然二进制码,再由上位机读取以实现相应的控制。而在码制变换
中有不同的处理方式,本文着重介绍二进制格雷码与自然二进制码的互换。
(1)格雷码(又叫循环二进制码或反射二进制码)介绍
在数字系统中只能识别 0 和1,各种数据要转换为二进制代码才能进行处理,格雷码是
一种无权码,采用绝对编码方式,典型格雷码是一种具有反射特性和循环特性的单步自补码,
它的循环、单步特性消除了随机取数时出现重大误差的可能,它的反射、自补特性使得求反
非常方便。格雷码属于可靠性编码,是一种错误最小化的编码方式,因为,自然二进制码可
以直接由数/模转换器转换成模拟信号,但某些情况,例如从十进制的3 转换成4 时二进制
码的每一位都要变,使数字电路产生很大的尖峰电流脉冲。而格雷码则没有这一缺点,它是
一种数字排序系统,其中的所有相邻整数在它们的数字表示中只有一个数字不同。它在任意
两个相邻的数之间转换时,只有一个数位发生变化。它大大地减少了由一个状态到下一个状
态时逻辑的混淆。另外由于最大数与最小数之间也仅一个数不同,故通常又叫葛莱反射码或
循环码。表1-1 为几种自然二进制码与格雷码的对照表:
表 1-1 几种自然二进制码与格雷码的对照表


从表 1-1 种可以得出,十进制数N 与n 位二进制码满足以下关系:

可见,二进制码由于是有权码,满足(1-4)的关系,而格雷码是无权码,不满足(1-4)
的关系。它与所对应的角度不存在类似(1-3)的关系,因此必须找出循环码和二进制码之
间的对应关系和相互转换规则。
(2)二进制码转换成制格雷码
二进制码转换成制格雷码,其法则是保留二进制码的最高位作为格雷码的最高位,而次
高位格雷码为二进制码的高位与次高位相异或,而格雷码其余各位与次高位的求法相类似。
图1-11 所示为二进制码转换成格雷码。

图 1-11 自然二进制码转换成二进制格雷码
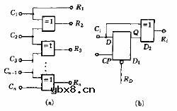
图 1-12 为将二进制码转换为格雷码的电路图,其中图(a)为并行转换电路,图(b)
为串行转换电路。当采用串行电路时,工作之前先将D 触发器D1 置0,Q=0,在Ci 端送入
C1,异或门D2 输出R1=C1○+ 0=C1,随后加CP 脉冲,使Q=C1;在Ci 端加入C2,D 输出R2=C2○+
C1,以后重复上述过程,可以依次获得R1,R2,……,Rn。

(3)格雷码转换为二进制码
格雷码转换成二进制码,则是保留格雷码的最高位作为二进制码的最高位,而次高位二
进制码为高位二进制码与次高位格雷码相异或,而二进制码的其余各位与次高位二进制码的
求法相类似。图1-13 为将格雷码转换为二进制码的电路,其中图(a)为并行转换电路,图
(b)为串行转换电路。当采用串行电路时,工作之前先将JK 触发器D 置0,Q=0,将R1
同时加到J、K 端,再加入CP 脉冲后,Q=C1= R1。以后若Q 端为Ci-1 在J、K 端加入Ri。
根据JK触发器的特性,若J、K为“1”则加入CP脉冲后, i 1 Q C − = ;若J、K 为“0”则
加入CP 脉冲后保持Q=Ci-1。这一逻辑关系可以写成:
图 1-13 格雷码转换为二进制码的电路
格雷码是无权码,采用格雷码盘获得的格雷码R1,R2,……,Rn 必须按图1-11 转换为
对应的二进制码C1,C2,……,Cn 后,才能代入(1-3)式确定与之对应的角度。
(4)格雷码与二进制码互换的软件实现方法
(a)二进制码转换成格雷码的软件实现法
根据自然二进制转换成格雷码的法则,可以得到以下的代码:
static unsigned int DecimaltoGray(unsigned int x)
{
return x^(x>>1);
}
//以上代码实现了unsigned int 型数据到格雷码的转换,最高可转换32 位自然二进
制码,超出32 位将溢出。
static int DecimaltoGray( int x)
{
return x^(x>>1);
}
//以上代码实现了 int 型数据到格雷码的转换,最高可转换31 位自然二进制码,超
出 31 位将溢出。
上述代码即可用于 VC 控制程序中,也可以用于单片机控制程序中。在单片机程序设计
时,若采用汇编语言编程,可以按相同的原理设计程序;若采用C 语言编程,则可以直接
利用上述代码,但建议用unsigned int 函数。
(b)软件实现法(参见示例工程中的 Gray to Binary )
根据二进制格雷码转换成自然二进制码的法则,可以得到以下的三种代码方式:
static unsigned int GraytoDecimal(unsigned int x)
{
unsigned int y = x;
while(x>>=1)
y ^= x;
return y;
}
static unsigned int GraytoDecimal(unsigned int x){
x^=x>>16;
x^=x>>8;
x^=x>>4;
x^=X>>2;
x^=x^1;
return x;
}
static unsigned int GraytoDecimal(unsigned int x)
{
int i;
for(i=0;(1<{
x^=x>>(1<}
return x;
}
//以上代码实现了unsigned int 型数据到自然二进制码的转换,最高可转换32 位格雷码,
超出32 位将溢出。将数据类型改为int 型即可实现31 位格雷码转换。
上述代码即可用于 VC 控制程序中,也可以用于单片机控制程序中。在单片机程序设计
时,若采用汇编语言编程,可以按相同的原理设计程序;若采用C 语言编程,则可以直接
利用上述代码,但建议用unsigned int 函数。
更详细请查看: http://bbs.elecfans.com/dispbbs_54_113406.html
什么是PCA?何时应该使用PCA?
时间:2026-04-28
仪表放大器放大倍数分析
时间:2026-04-28
射频微波设计入门
时间:2026-04-28
变压器结构
时间:2026-04-28
8种进行简单线性回归的方法分析与讨论
时间:2026-04-28
什么是RS485通信接口
时间:2026-04-28
简单的上色装置
时间:2026-04-26
液晶屏对比度温度补偿
时间:2026-04-26
双输入视频多路复用的电缆驱动器
时间:2026-04-26
带有75Ω负载的抗阻匹配线路驱动器
时间:2026-04-26
NVIDIA CPU+GPU超级芯片大升级!
时间:2026-03-09
电阻的原理和作用 电阻色环识别图 电路中电...
时间:2026-03-09
什么是室温超导?半导体时代将走向结束?芯...
时间:2026-03-09
石英灯电子变压器电路原理
时间:2026-03-06
半导体光刻工艺 光刻—半导体电路的绘制
时间:2026-03-09
什么是硅片或者晶圆?一文了解半导体硅晶圆
时间:2026-03-09
汽车芯片业应汲取的教训
时间:2026-03-09
半导体行业之ICT技术简介
时间:2026-03-09
压敏电阻有正负极吗
时间:2026-03-05
实用模拟电路小常识浅析
时间:2026-03-09