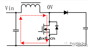
1.电感在boost中的工作原理

当mos闭合时电感充电,由电感特性有:



从这个公式中可以看出,电感值L为确定值,如果Vi越大,则电感上电流的变化率越大。因此在固定输入的情况下,如果选择感值比较小的电感,那电流的纹波di/dt,会偏大,电感电流的峰值较高。如果选择感值较大的电感,电流的纹波会变小,但是动态响应会变差,可能会需要很多个开关周期才能达到预计的电流大小。
对于电感根据伏秒积平衡可有:

当mos闭合(Ton)时,电感上的电压Von=Vin,当mos断开时(Toff)电感上的电压为Vout-Vin(忽略二极管的压降),由此可得。



整理后可得:

( 记住这个公式,之后算输入电容也会用到! )
其中△ Ion为电感的纹波大小,Vin为输入电压,L为电感感值,f为开关频率,Vout为输出电压。而△ Ion一般为电感平均电流IL的20%-40%。
假设系统的整体效率为η,那么

假设η为0.8,则有

其中IL为电感平均电流,Io为负载电流,Vbat为输入电压,Vout为输出电压。
电感的选型公式可简化为:

由上述分析可知,升压电路中电感的选择与电路的输入和输出电压,开关频率f,电感纹波电流△ Ion相关。在负载和输入输出电压确定的情况下,芯片开关频率越高,需要的电感感值越小,电感体积就越小。但当选择了一款芯片,开关频率和输入输出电压一定的情况下,电感的选择就与电路的过流能力也就是带载能力有关。
电场激活原位掺杂平面光伏型胶体量子点红外...
时间:2026-03-09
什么是硅片或者晶圆?一文了解半导体硅晶圆
时间:2026-03-09
集成电路的几纳米代表了什么?
时间:2026-03-09
金刚石基GaN问世 化合物半导体行业进入第三...
时间:2026-03-09
实用模拟电路小常识浅析
时间:2026-03-09
寄存器是什么?怎么操作寄存器点亮LED灯?
时间:2026-03-09
一文详解MOS管驱动电路拓扑的设计
时间:2026-03-09
汽车芯片业应汲取的教训
时间:2026-03-09
半导体光刻工艺 光刻—半导体电路的绘制
时间:2026-03-09
电阻的原理和作用 电阻色环识别图 电路中电...
时间:2026-03-09
石英灯电子变压器电路原理
时间:2026-03-06
住宅小区负荷与变压器容量的选择技巧
时间:2026-03-06
变压器的常用型号如何标识?变压器的有载如...
时间:2026-03-06
使用过滤器电容器和诱导器来抑制受辐射的EM...
时间:2026-03-05
LED固晶机龙头直面“寒冬”
时间:2026-03-05
玻璃釉电容器的结构与特点
时间:2026-03-05
电容器入门教程
时间:2026-03-05
分析一个工作中常用的带有放大功能的高精度...
时间:2026-03-05
关于STM32WL LSE 添加反馈电阻后无法起振的...
时间:2026-03-05
绝缘电阻表的选用及使用注意事项
时间:2026-03-05