当前位置:首页 > 维修 > 正文

海尔LS55AL88G31型液晶彩电无伴音故障通病维修

来源:网络  发布者:电工基础  发布时间:2026-03-09 14:45
海尔LS55AL88G31型液晶彩电无伴音故障通病维修一台海尔LS55AL88G31型液晶彩电,开机后图像正常,在各种信号源状态下均无伴音。本机主芯片是Mstar638搭载阿里云智能系统。首先怀疑软件有问题,进入菜单→系统→关于
海尔LS55AL88G31型液晶彩电无伴音故障通病维修
一台海尔LS55AL88G31型液晶彩电,开机后图像正常,在各种信号源状态下均无伴音。
本机主芯片是Mstar638搭载阿里云智能系统。首先怀疑软件有问题,进入菜单→系统→关于→恢复出厂,执行完毕后故障依旧,说明硬件存
在故障。

海尔LS55AL88G31型液晶彩电无伴音故障通病维修

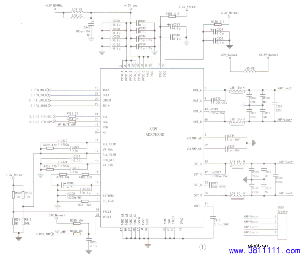
本机伴音功放芯片采用LQFP封装的AD82584D(U39),共48个引脚,如图1所示。上电,测得U39的34、35脚的12V供电正常,13脚的3.3V供电也正常。U3919脚为静音控制端,低电平时静音。上电 ,测得19脚电压为3.7V,说明伴音功放未进入静音状态。测扬声器输出插座CN28的
左、右声道输出端电压都为5.9V,正常,说明功放电路静态工作状态正常。
U39采用I'S音频输入方式,15脚为主时钟MCLK,20脚为帧时钟LRCLK,21脚为串行时钟SCLK ,22脚为串行数据SDIN。上电,测得这几个引脚电压均约为1.3V,未见明显异常。接下来测量23脚(SDA).24脚(SCL)电压,均为0.5V,明显异常(正常电压约为3V)。
本机主芯片总线外挂元件除U39外,还有U15 ( MSH6110A),USB分配芯片U49(GL852G),高频头硅调芯片U905( MXL66L)。
图像正常,说明CPU工作正常,则内核供电芯片U14、U15也应该没问题;插入U盘,能识别,说明U49也没问题。对于U39和U905的判断,采用断开的方法:拆下电阻R364、R382,测量主芯片的总线电压仍为0.5V,说明U905有问题。上电,测得U905①脚3.3V供电电压为0V;断电,测得该脚对地呈现短路状态。此路供电由低压差供电块U901(AMS1117L-3.3 )提供,如图2所示。为.快速找到故障元件,在U901的3.3V输出端外接3.3V大功率电源,通电后电路C903冒烟,说明C903损坏。拆下C903后再测3.3V端对地不再短路。更换C903后,恢复总线电阻,上电试机,故障排除。
事后又多次遇到几乎相同故障的同型机,部分机的故障原因是U905损坏,还有几台的故障原因是33VTU供电滤波电容短路。这些故障均导致PC总线负载异常,从而出现无声故障。

海尔LS55AL88G31型液晶彩电无伴音故障通病维修

相关热词:#液晶维修

最新文章
什么是BCD码_BCD码怎么换算?什么是BCD码_BCD码怎么换算?

时间:2026-04-25

几种toString的性能对比几种toString的性能对比

时间:2026-04-25

电感的三个法则电感的三个法则

时间:2026-04-25

薄膜和厚膜电阻的区分薄膜和厚膜电阻的区分

时间:2026-04-25

14种大功率PCB设计技巧14种大功率PCB设计技巧

时间:2026-04-25

什么是RTSP? RTSP和RTMP的区别什么是RTSP? RTSP和RTMP的区别

时间:2026-04-24

LCD1602显示原理LCD1602显示原理

时间:2026-04-24

什么是BGA?BGA的结构和性能什么是BGA?BGA的结构和性能

时间:2026-04-24

降低电机驱动风险:栅极驱动器隔离的关键作用降低电机驱动风险:栅极驱动器隔离的关键作...

时间:2026-04-24

电阻温度系数电阻温度系数

时间:2026-04-24