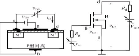
1.增强型NMOS管

s:Source 源极,d:Drain 漏极,g:Gate 栅极,B:Base 衬底,在P型衬底扩散上2个N 区,P型表面加SiO2绝缘层,在N 区加铝线引出电极。
2.增强型PMOS管

在N型衬底上扩散上2个P 区,P型表面加SiO2绝缘层,在二个P 区加铝线引出电极。PMOS与NMOS管的工作原理完全相同,只是电流和电压方向不同。
3.增强型NMOS管的工作原理
正常工作时外加电源电压的配置:
(1)VGS=0, VDS=0:漏源间是两个背靠背串联的PN结,所以d-s间不可能有电流流过,即iD≈0。
(3)当VGS>VT,VDS>0后, 漏-源电压VDS产生横向电场:由于沟道电阻的存在,iD沿沟道方向所产生的电压降使沟道上的电场产生不均匀分布。近s端电压差较高,为VGS;近d端电压差较低,为VGD=VGS-VDS,所以沟道的形状呈楔形分布。
1)当VDS较小时:VDS对导电沟道的影响不大,沟道主要受VGS控制, 所以VGS为定值时,沟道电阻保持不变,iD随VDS 增加而线性增加。此时,栅漏间的电压大于开启电压,沟道尚未夹断,

2)当VDS增加到VGS-VDS=VT时(即VDS=VGS-VT):栅漏电压为开启电压时,漏极端的感应层消失,沟道被夹断,称为“预夹断”。
伏安特性与电流方程:
(1) 增强型NMOS管的转移特性:在一定VDS下,栅-源电压VGS与漏极电流iD之间的关系:
IDO是VGS=2VT时的漏极电流。
(2) 输出特性(漏极特性)
表示漏极电流iD漏-源电压VDS之间的关系:


与三极管的特性相似,也可分为3个区:可变电阻区,放大区(恒流区、饱和区), 截止区(夹断区)。可变电阻区管子导通,但沟道尚未预夹断,即满足的条件为:




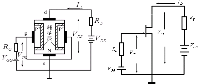
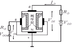
4.耗尽型NMOS管
在制造过程中,人为地在栅极下方的SiO2绝缘层中埋入了大量的K (钾)或Na (钠)等正离子 ;VGS=0,靠正离子作用,使P型衬底表面感应出N型反型层,将两个N 区连通,形成原始的N型导电沟道;VDS一定,外加正栅压(VGS>0),导电沟道变厚,沟道等效电阻下降,漏极电流iD增大; 外加负栅压VGS<0)时,沟道变薄,沟道电阻增大,iD减小;VGS负到某一定值VGS(off)(常以VP表示,称为夹断电压),导电沟道消失,整个沟道被夹断,iD≈0,管子截止 。
耗尽型NMOS的伏安特性:

放大区的电流方程:

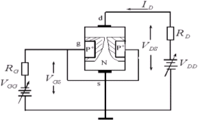
二、结型场效应管(JFET)
结构与符号:

在N区两侧扩散两个P+区,形成两个PN结。两个P+区相连,引出栅极g。N体的上下两端分别引出漏极d和源极s。
导电原理:

(1)VGS=0时,N型棒体导电沟道最宽(N型区)。有了VDS后,沟道中的电流最大。
(2)VGS<0时,耗尽层加宽(主要向沟道一测加宽),并向沟道中间延伸,沟道变窄。
当VGS<VP(称为夹断电压)时,二个耗尽层增大到相遇,沟道消失,这时称沟道夹断,沟道中的载流子被耗尽。若有VDS电压时,沟道电流也为零。所以属于耗尽型FET,原理和特性与耗尽型MOSFET相似。所不同的是JFET正常工作时,两个PN结必须反偏,如对N沟道JFET,要求VGS≤0。
JFET的伏安特性(以N沟道JFET为例):伏安特性曲线和电流方程与耗尽型MOSFET相似。但VGS必定要反向偏置。
1.直流参数
开启电压VT: 增强型管的参数;夹断电压VP:耗尽型管的参数;饱和漏极电流IDSS: 指耗尽型管在VGS=0时的漏极电流;输入电阻 RGS(DC):因iG=0,所以输入电阻很大。JFET大于107Ω,MOS管大于1012Ω。
2.交流参数
低频跨导(互导)gm:

3.极限参数
最大漏-源电压V(BR)DS :漏极附近发生雪崩击穿时的VDS;最大栅-源电压V(BR)GS : 栅极与源极间PN结的反向击穿电压;最大耗散功率PDM:同三极管的PCM相似,当超过PDM时,管子可能烧坏。
电场激活原位掺杂平面光伏型胶体量子点红外...
时间:2026-03-09
什么是硅片或者晶圆?一文了解半导体硅晶圆
时间:2026-03-09
集成电路的几纳米代表了什么?
时间:2026-03-09
金刚石基GaN问世 化合物半导体行业进入第三...
时间:2026-03-09
实用模拟电路小常识浅析
时间:2026-03-09
寄存器是什么?怎么操作寄存器点亮LED灯?
时间:2026-03-09
一文详解MOS管驱动电路拓扑的设计
时间:2026-03-09
汽车芯片业应汲取的教训
时间:2026-03-09
半导体光刻工艺 光刻—半导体电路的绘制
时间:2026-03-09
电阻的原理和作用 电阻色环识别图 电路中电...
时间:2026-03-09
使用过滤器电容器和诱导器来抑制受辐射的EM...
时间:2026-03-05
LED固晶机龙头直面“寒冬”
时间:2026-03-05
玻璃釉电容器的结构与特点
时间:2026-03-05
电容器入门教程
时间:2026-03-05
分析一个工作中常用的带有放大功能的高精度...
时间:2026-03-05
关于STM32WL LSE 添加反馈电阻后无法起振的...
时间:2026-03-05
绝缘电阻表的选用及使用注意事项
时间:2026-03-05
压敏电阻爆裂的原因分析
时间:2026-03-05
暑期买元器件下单立减还送华为P30pro
时间:2026-03-05
电阻的标称阻值和允许偏差
时间:2026-03-05