场效应管的特性

图1.1 结场效管漏极输出曲线
下面以N沟道.结型场效应管为例说明场效应管的特性. 图1.1为场效应管的漏极特性曲线。输出特性曲线分为三个区:可变电阻区、恒流区和击穿区 。

( 1) 可变电阻区: 图中VDS很小,曲线靠近左边。它表示管子预夹断前电压.电流关系是:当VDS较小时,由于VDS的变化对沟道大小影响不大,沟道电阻基本为一常数,ID基本随VGS作线性变化。 当VGS恒定时,沟道导通电阻近似为一常数,从此意义上说,该区域为恒定电阻区,当VGS变化时,沟道导通电阻的值将随VGS变化而变化,因此该区域又可称为可变电阻区。利用这一特点,可用场效应管作为可变电阻器 。

(2)恒流区:图中VDS较大,曲线近似水平的部分是恒流区,它表示管子预夹断后电压.电流的关系,即图1.1两条虚线之间即为恒流区(或称为饱和区)该区的特点是ID的大小受VGS可控, 当VDS改变时ID几乎不变,场效应管作为放大器使用时,一般工作在此区域内。
(3)击穿区:当VDS增加到某一临界值时,ID开始迅速增大, 曲线上翘, 场效应管不能正常工作,甚至烧毁,场效应管工作时要避免进入此区间.
(4)场效应管特性曲线的测试

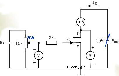
场效应管的特性曲线可以用晶体管图示仪测试,也可以用逐点测量法测试。图1.2是用逐点测量法测试场效应管特性曲线的原理图。场效应管的转移特性曲线是当漏源间电压VDS保持不变,栅源间电压VGS与漏极电流ID的关系曲线,如图1.3所示:

在上图中,先调节VDD使VDS固定在某个数值上,当栅源电压VGS取不同的电压值时(调节RW),ID也将随之改变,利用测得的数据,便可在VGS~ID直角坐标系上画出如图3.2.3的转移特性曲线。当VDS取不同的数值,便可得到另一条特性曲线。ID=0时的VGS值为场效应管的夹断电压VP,VGS=0时的ID值为场效应管的饱和漏极电流IDSS。
漏极特性曲线是当栅源间电压VGS保持不变时,漏极电流ID与漏源间电压VDS的关系曲线,当VDS取不同的数值时便可测出与之对应的ID值,对于不同的VGS可以测得多条漏极特性曲线。
晶体管是电流控制器件,作放大器件用时,发射结必须正偏。场效应管是电压控制器件,N沟道结型场效应管工作时G、S间必须加反向偏置电压。
电场激活原位掺杂平面光伏型胶体量子点红外...
时间:2026-03-09
什么是硅片或者晶圆?一文了解半导体硅晶圆
时间:2026-03-09
集成电路的几纳米代表了什么?
时间:2026-03-09
金刚石基GaN问世 化合物半导体行业进入第三...
时间:2026-03-09
实用模拟电路小常识浅析
时间:2026-03-09
寄存器是什么?怎么操作寄存器点亮LED灯?
时间:2026-03-09
一文详解MOS管驱动电路拓扑的设计
时间:2026-03-09
汽车芯片业应汲取的教训
时间:2026-03-09
半导体光刻工艺 光刻—半导体电路的绘制
时间:2026-03-09
电阻的原理和作用 电阻色环识别图 电路中电...
时间:2026-03-09
变压器的常用型号如何标识?变压器的有载如...
时间:2026-03-06
使用过滤器电容器和诱导器来抑制受辐射的EM...
时间:2026-03-05
LED固晶机龙头直面“寒冬”
时间:2026-03-05
玻璃釉电容器的结构与特点
时间:2026-03-05
电容器入门教程
时间:2026-03-05
分析一个工作中常用的带有放大功能的高精度...
时间:2026-03-05
关于STM32WL LSE 添加反馈电阻后无法起振的...
时间:2026-03-05
绝缘电阻表的选用及使用注意事项
时间:2026-03-05
压敏电阻爆裂的原因分析
时间:2026-03-05
暑期买元器件下单立减还送华为P30pro
时间:2026-03-05