该设计理念解释了如何使用微控制器和一些常用组件实现8位模数转换器(ADC)。
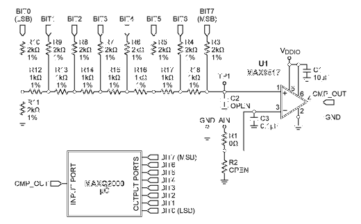
模数转换器(ADC)广泛用于各种电子设备。但是,大多数低成本微控制器不包括ADC外设。该设计理念提供了一种使用微控制器和一些常见组件实现8位ADC的方法。该电路由电阻和运算放大器组成(图 1)。

图1.模数转换器电路。
R3–R18电阻形成R/2R梯形电阻网络,将数字信息转换为模拟输出。换句话说,它是一个简单的DAC。位7(MSB)(最高有效位)到位0(LSB)(最低有效位)由微控制器的数字输出端口驱动。DAC输出电压的公式为:

其中 V迪奥是微控制器的 I/O 电源电压。位[7:0]是二进制DAC输入的十进制等效值。
运算放大器用作比较器,用于比较DAC的输出和模拟输入(AIN)。比较器(CMP_OUT)的输出连接到微控制器的输入。
微控制器输出数据按降序循环变化,并馈入DAC输入。将每个瞬时DAC输出与模拟输入电压进行比较。当DAC输出低于模拟输入时,比较器输出将切换为低电平。比较器输出反馈到微控制器的输入端口。从比较器接收到逻辑低电平信号后,微控制器停止并保存DAC输入数据(微控制器输出数据)。最终DAC输入数据是ADC输出。
清单1提供了为Maxim的MAXQ2000微控制器编写的示例代码。

同样,您可以使用相同的概念实现具有不同分辨率的ADC。但是,在实现高分辨率ADC时,需要具有较低容差的更高质量的电阻来降低DAC输出误差。
审核编辑:郭婷
相关热词:
详解卡尔曼滤波原理
时间:2026-04-23
什么是IMU(惯性传感器)
时间:2026-04-23
编码器是什么?编码器有哪些分类?
时间:2026-04-23
电容器颜色代码
时间:2026-04-23
简述ESD的原理和测试
时间:2026-04-23
介电常数是什么意思
时间:2026-04-23
影响介电常数的因素有哪些?
时间:2026-04-22
关于电流互感器基础知识介绍
时间:2026-04-22
开关电源的工作原理及特性
时间:2026-04-22
绝缘栅双极型晶体管(IGBT)外形、等效结构与...
时间:2026-04-22
基于逻辑门的构成解释如何完成任意逻辑的管...
时间:2026-03-08
彩灯电路
时间:2026-03-05
NE555的有趣电路设计分享
时间:2026-03-08
三相异步电动机原理
时间:2026-03-04
光耦在电子电路中作用、关键参数详解
时间:2026-03-08
三相异步电动机的拆装详讲
时间:2026-03-04
从0学电路,万用表演示测量三极管方法
时间:2026-03-08
电动机单线远程正反转控制电路图
时间:2026-03-04
H桥电机驱动电路解析
时间:2026-03-08
转角测量电路
时间:2026-03-05