TL431的典型应用电路,主要包括恒压电路,恒流电路,可控分流电路以及在开关电源设计中的应用
TL431是可控精密稳压源。它的输出电压用两个电阻就可以任意的设置到从Vref(2.5V)到36V范围内的任何值。该器件的典型动态阻抗为0.2Ω,在很多应用中用它代替稳压二极管,例如,数字电压表,运放电路,可调压电源,开关电源等。
TL431是由德州仪器生产,所谓TL431就是一个有良好的热稳定性能的三端可调分流基准源。它的输出电压用两个电阻就可以任意地设置到从Vref(2.5V)到36V范围内的任何值数字电压表,运放电路、可调压电源,开关电源等等。
恒压电路

图2:恒压电路
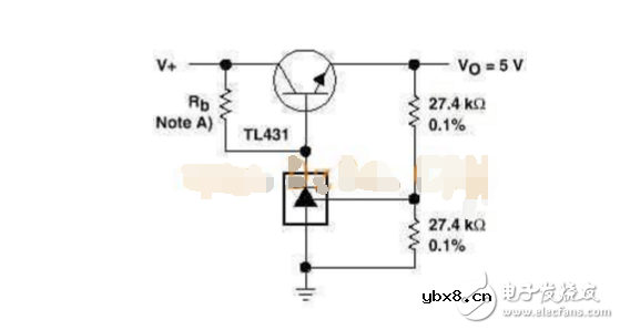
前面提到TL431的内部含有一个2.5V的基准电压,所以当在REF端引入输出反馈时,器件可以通过从阴极到阳极很宽范围的分流,控制输出电压。如上图所示,当R1和R2的阻值确定后,两者对Vo的分压引入反馈,若Vo增大,反馈量增大,TL431的分流也就增加,从而又导致Vo下降。显见,这个深度的负反馈电路必然在VI等于基准电压处稳定,此时Vo=(1+R1/R2)Vref。选择不同的R1和R2的值可以得到从2.5V到36V范围内的任意范围电压输出,特别地,当R1=R2时,Vo=5V。需要注意的是,在选择电阻时必须保证TL431工作的必要条件,就是通过阴极的电流要大于1mA。
当然,这个电路并不太实用,但它很清晰地展示了该器件的工作原理在应用中的方法。将这个电路稍加改动,就可以得到在很多实用的电源电路,如图3,4

图3:大电流的分流稳压电路

图4:精密5V稳压器
由前面的例子我们可以看到,器件作为分流反馈后,REF端的电压始终稳定在2.5V,那么接在REF端和地间的电阻中流过的电流就应是恒定的。利用这个特点,可以将TL431应用很多恒流电路中。

图5:精密恒流源
如图5是一个实用的精密恒流源电路。原理很简单,不在聱述。但值得注意的是,TL431的温度系数为300ppm/℃,所以输出恒流的温度特性要比普通镜象恒流源或恒流二极管好的多,因而在应用中无需附加温度补偿电路。
下面就介绍一个用该器件为传感器电桥提供恒定偏流的电路,如图6

图6:恒定偏流电路
这是一个已连成桥路的传感器的前级处理电路。Vref/R2的值应设为电桥工作所必要的恒定电流,该电流值通常会由传感器制造商提供。流经TL431阴极的电流由R1和电源电压Vs决定,在应用中通常让它等于桥路电流,但一定要注意大于1mA。
由于TL431非常易于实现恒压或恒流,而且有很好的温度稳定性,因此很适合于仪表电路、传感器电路等设计应用。
影响介电常数的因素有哪些?
时间:2026-04-22
关于电流互感器基础知识介绍
时间:2026-04-22
开关电源的工作原理及特性
时间:2026-04-22
绝缘栅双极型晶体管(IGBT)外形、等效结构与...
时间:2026-04-22
信噪比(SNR)的定义,如何计算信噪比
时间:2026-04-22
波特率是什么意思_怎样计算波特率
时间:2026-04-21
RS485基本知识介绍
时间:2026-04-18
什么是激光雷达?激光雷达的构成与分类
时间:2026-04-18
Excelpoint - 一文了解SiC MOS的应用
时间:2026-04-18
什么是磁电阻器?磁电阻特性及应用
时间:2026-04-18
石英灯电子变压器电路原理
时间:2026-03-06
半导体光刻工艺 光刻—半导体电路的绘制
时间:2026-03-09
什么是室温超导?半导体时代将走向结束?芯...
时间:2026-03-09
什么是硅片或者晶圆?一文了解半导体硅晶圆
时间:2026-03-09
电阻的原理和作用 电阻色环识别图 电路中电...
时间:2026-03-09
NVIDIA CPU+GPU超级芯片大升级!
时间:2026-03-09
北京理工大学实现了光导型向平面光伏型量子...
时间:2026-03-09
HTCC:半导体封装的理想方式
时间:2026-03-06
汽车芯片业应汲取的教训
时间:2026-03-09
半导体行业之ICT技术简介
时间:2026-03-09