三极管有静态和动态两种工作状态。未加信号时三极管的直流工作状态称为静态,此时各极电流称为静态电流。给三极管加入交流信号之后的工作电流称为动态工作电流,这时三极管是交流工作状态,即动态。一个完整的三极管电路分析有4步:直流电路分析、交流电路分析、元器件分析和修理识图。
1、直流电路分析方法
直流工作电压加到三极管各个电极上主要通过两条直流电路:一是三极管集电极与发射极之间的直流电路,二是基极直流电路。通过这一步分析可以搞清楚直流工作电压是如何加到集电极、基极和发射极上的。图1-85所示是放大器直流电路分析示意图。对于一个单级放大器而言,其直流电路分析主要是图中所示的3个部分。

图1-85 放大器直流电路分析示意图分析三极管直流电路时,由于电路中的电容具有隔直流特性,所以可以将它们看成开路,这样图1-85所示电路就可以画成如图1-86所示的直流等效电路,再用这一等效电路进行直流电路分析就相当简便了。

图1-86 直流等效电路
2、交流电路分析方法
交流电路分析主要是交流信号的传输线路分析,即信号从哪里输入到放大器中,信号在这级放大器中具体经过了哪些元器件,信号最终从哪里输出。图1-87所示是交流信号传输线路分析示意图。

图1-87 交流信号传输线路分析示意图
另外,还要分析信号在传输过程中受到了哪些处理,如信号在哪个环节放大,在哪个环节受到衰减,哪个环节不放大也不衰减,信号是否得到了补偿等。
图1-87所示电路中的信号经过了C1、VT1、C3、VT2和C4,其中C1、C3和C4是耦合电容,对信号没有放大和衰减作用,只是起着将信号传输到下级电路中的耦合作用;VT1和VT2对信号起了放大作用。
3、元器件作用分析方法
(1)元器件特性是电路分析的关键。分析电路中元器件的作用时,应依据该元器件的主要特性来进行。例如,耦合电容让交流信号无损耗地通过,而同时隔断直流通路,这一分析的理论根据是电容隔直通交特性。
(2)元器件在电路中的具体作用。电路中的每个元器件都有它的特定作用,通常一个元器件起一种特定的作用,当然也有一个元器件在电路中起两个作用的。在电路分析中要求搞懂每一个元器件在电路中的具体作用。
(3)元器件简化分析方法。对元器件作用的分析可以进行简化,掌握了元器件在电路中的作用后,不必每次对各个元器件都进行详细分析。例如,掌握耦合电容的作用之后,不必对每一个耦合电容都进行分析。图1-88所示是耦合电容分析示意图。

图1-88 耦合电容分析示意图
4.修理识图方法
修理识图为检修电路故障服务,这一识图要求在完全搞懂电路工作原理之后进行,否则没有意义。
因为故障现象明确,所以故障检修过程中的修理识图可以有针对性地选择电路中的元器件进行,而不需要对电路中的每个元器件都进行故障分析。
分析时,找出电路中的主要元器件,并分别假设它们出现开路、短路、阻值变大和变小等故障,分析这些故障对直流电路和交流电路的影响,从而推理出可能的故障根源。
修理识图的关键是找出电路中的关键测试点。
(1)单级放大器关键测试点。如图1-89所示,单级放大器中主要是三极管的关键测试点。

图1-89 示意图三极管的关键测试点用来测量3个电极的直流工作电压,其中集电极是第一测试点,其次是基极,第三是发射极。
(2)集成电路关键测试点。如图1-90所示,集成电路关键测试点最重要的是电源引脚,还有输入信号引脚和输出信号引脚。例如,电路中的⑧脚是电源引脚,①脚是信号输入引脚,⑥脚是信号输出引脚。

图1-90 示意图
5.三极管基极偏置电路分析方法
三极管基极偏置电路分析最为困难,掌握一些电路分析方法可以方便基极偏置电路的分析。
(1)电路分析的第一步是在电路中找出三极管的电路符号,如图1-91所示,然后在三极管电路符号中找出基极,这是分析基极偏置电路的关键一步。

图1-91 示意图
(2)第二步从基极出发,将与基极和电源端(+V端或-V端)相连的所有元器件找出来,如图1-92所示电路中的R1,再将基极与地端相连的所有元器件找出来,如电路中的R2,这些元器件构成基极偏置电路的主体电路。

图1-92 示意图
上述与基极相连的元器件中,要区别哪些元器件可能是偏置电路中的元器件。电阻器有可能构成偏置电路,电容器具有隔直作用而视为开路,所以在分析基极直流偏置电路时,不必考虑电容器。
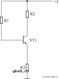
(3)第三步确定偏置电路中的元器件后,进行基极电流回路的分析,如图1-93所示。基极电流回路是:直流工作电压+V→偏置电阻R1→VT1基极→VT1发射极→VT1发射极电阻R3→地端。

图1-93 示意图
审核编辑:汤梓红
影响介电常数的因素有哪些?
时间:2026-04-22
关于电流互感器基础知识介绍
时间:2026-04-22
开关电源的工作原理及特性
时间:2026-04-22
绝缘栅双极型晶体管(IGBT)外形、等效结构与...
时间:2026-04-22
信噪比(SNR)的定义,如何计算信噪比
时间:2026-04-22
波特率是什么意思_怎样计算波特率
时间:2026-04-21
RS485基本知识介绍
时间:2026-04-18
什么是激光雷达?激光雷达的构成与分类
时间:2026-04-18
Excelpoint - 一文了解SiC MOS的应用
时间:2026-04-18
什么是磁电阻器?磁电阻特性及应用
时间:2026-04-18
半导体光刻工艺 光刻—半导体电路的绘制
时间:2026-03-09
石英灯电子变压器电路原理
时间:2026-03-06
什么是室温超导?半导体时代将走向结束?芯...
时间:2026-03-09
什么是硅片或者晶圆?一文了解半导体硅晶圆
时间:2026-03-09
电阻的原理和作用 电阻色环识别图 电路中电...
时间:2026-03-09
北京理工大学实现了光导型向平面光伏型量子...
时间:2026-03-09
HTCC:半导体封装的理想方式
时间:2026-03-06
如何利用可扩展的柔性中间层制备超低模量电...
时间:2026-03-09
NVIDIA CPU+GPU超级芯片大升级!
时间:2026-03-09
光伏控制器简介
时间:2026-03-06