今天给大家分享的是PCB 项目--使用 555定时器 IC 的可调单/双 LED 闪光灯。(附加项目原理图+项目资料(Gerber )文件)
555 定时器 IC 是一种集成电路,用于各种定时器电路,脉冲发生器和振荡器应用,这里主要使用的是非稳态多谐振荡器的 555 定时器 IC。

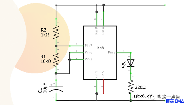
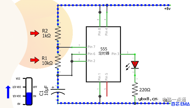
使用 555定时器 IC 的可调单/双 LED 闪光灯总电路图 首先“DIY 555 脉冲发生器模块”产生的正脉冲使“一个 LED”闪烁,然后是“两个 LED”交替闪烁定期,脉冲的输出频率可以使用电位计进行调整。该电路可以在 5 至 15 V直流电之间的任何电压下工作。
一、元器件清单
2 个 LED
1 个 555 定时器 IC
1 x 10µF 电容
1 x 220Ω 电阻
1 个 1kΩ 电阻
1 x 10kΩ 电阻和/或
1 x 10kΩ 电位器
二、电路原理图
电路十分简单,通过连接 555 定时器的引脚 2 和 6,可以将 IC 置于非稳态模式。在非稳态模式下,555 定时器 IC 充当振荡器(重新触发自身),从输出引脚编号生成方波 [PWM 信号]。

使用 555定时器 IC 的可调单/双 LED 闪光灯电路图
通过改变 R1、R2 和 C1 的值,可以改变 引脚 3 产生的输出脉冲的频率。
三、电路工作原理
1、555 定时器 检测电压

555 定时器 检测电压
当 IC 的 引脚 2 检测到电压低于电源电压的 1/3 时,它会打开输出。
当引脚 6 检测到电压超过电源电压的 2/3 时,它会关闭输出。
当输出关闭时,放电引脚 (引脚7) 内部接地。
这就是555 定时器的触发引脚 (引脚 2 ) 和阈值引脚 (引脚 3 ) 如何检测电压并控制引脚 3 的输出。
2、启动电路,电容 C1 放电

启动电路,电容 C1 放电
当我们启动电路时,电容 C1 将立即处于放电状态。
因此,引脚 2 的电压将为 0v,小于电源电压的 1/3,这将打开引脚 3 上的输出。
同时,引脚 7 将在内部与 GND 断开,电容 C1 将通过电阻 R1 和 R2 开始变化。
一旦电容 C1 两端的电压超过电源电压的 2/3,引脚 6 将关闭输出。
同时,引脚 7 将在内部重新连接到 GND,从而使电容 C1 通过电阻 R1 放电。
3、测量电路,检测电容的放电和充电

测量电路检测电容的放电和充电
一旦电容 C1 两端的电压低于电源电压的 1/3,引脚 2 将打开输出,并且上述循环不断重复。
你可以将万用表连接到电路以测量电容的充电和放电。
由于电阻 R1 涉及电容的充电和放电,因此增加或减少其值将增加或减少关闭周期的持续时间,并会减少或增加 LED 的闪烁率,因为电容需要更多的时间来充电和放电。
通过更换更高或更低值的电容,你还可以获得更长或更短的闪烁率。
通过用电位器代替电阻 R1,可以动态调节 LED 的闪烁率。
4、连接第二个极性相反的 LED 灯

连接第二个极性相反的 LED 灯
现在,为了实现双 LED 闪烁效果,我们需要将第二个极性相反的 LED 连接到 IC 的引脚 3。
四、电路元器件数值计算
现在,我们计算输出波形的输出频率和占空比。在设置中,电阻 R1 = 1kΩ,R2 = 10kΩ,电容 C = 10uF。
1、t1--电容充电“导通”时间为:

电容充电“导通”时间计算公式 t1=76.23 ms。
2、t2--电容放电“关闭”时间为:

电容放电“关闭”时间计算公式 t2= 69.3 ms。
3、总周期时间(T):

总周期时间(T)计算公式 T =145.53 ms。
4、输出频率 ƒ:

输出频率 ƒ计算公式 f= 6.871Hz。
5、占空比值为:

占空比值计算公式 占空比= 52.38%。
如果你想更好地控制充电和放电,需要使用较高的 R2 (100K) 值和较低的 R1 (1K) 值。这样,你将对电路中的充电和放电电阻进行 99% 的控制。 该 IC 的最大输出电流为 200mA,因此要驱动高达 1A 的更高电流负载,我们必须使用像 BD135 这样的晶体管。
五、电路 PCB 设计 (项目资料点击链接可以获取,在线浏览3D模型)
对于上面讨论的 电路,设计了使用 555定时器 IC 的可调单/双 LED 闪光灯具体如下图所示: 点击下面链接可以直接下载Gerber文件,并且在线浏览3D模型:555定时器PCB设计项目
1、 3D 模型图

使用 555定时器 IC 的可调单/双 LED 闪光 3D PCB 图
2、PCB 正面图

使用 555定时器 IC 的可调单/双 LED 闪光灯 PCB 正面图
3、PCB 背面图

使用 555定时器 IC 的可调单/双 LED 闪光灯 PCB背面图
4、PCB 分层图

使用 555定时器 IC 的可调单/双 LED 闪光灯 PCB 分层图
六、电路实物图
为了方便,创建了这个小小的“555 脉冲发生器模块”。组装组件后,你只需通过提供 5v 至 15v 之间的电压为该模块供电,以在“脉冲”引脚上获得振荡输出。
上面就是 PCB 在 2D 和 3D 中的样子。这个 100 厘米 x 100 厘米的组件中有 16 个分线板。
七、电路焊接
下面为将组件安装到 PCB 板上的步骤:
1、首先将 IC 底座焊接到电路板上。
2、然后将电位器焊接到板上。
3、之后,将 1kΩ (R1) 电阻焊接到板上。
4、然后将 10µF 电容 (C1) 焊接到板上。
5、最后将 555 定时器 IC 插入 IC 底座。
八、电路的应用和用途
该电路可用于控制直流电机和步进电机的速度
它可用于控制挡风玻璃刮水器电机以产生往复运动
可用作方波信号发生器
可用作 MCU 的可调脉冲发生器
在频闪灯和 SoS 信号电路中
用于编码目的的电信
在所有类型的车辆和自行车的转向指示器电路中
产生可调脉冲(定时脉冲)来控制其他电路,与 4017 和 4026 IC 结合使用。
审核编辑:汤梓红
相关热词:
影响介电常数的因素有哪些?
时间:2026-04-22
关于电流互感器基础知识介绍
时间:2026-04-22
开关电源的工作原理及特性
时间:2026-04-22
绝缘栅双极型晶体管(IGBT)外形、等效结构与...
时间:2026-04-22
信噪比(SNR)的定义,如何计算信噪比
时间:2026-04-22
波特率是什么意思_怎样计算波特率
时间:2026-04-21
RS485基本知识介绍
时间:2026-04-18
什么是激光雷达?激光雷达的构成与分类
时间:2026-04-18
Excelpoint - 一文了解SiC MOS的应用
时间:2026-04-18
什么是磁电阻器?磁电阻特性及应用
时间:2026-04-18
基于逻辑门的构成解释如何完成任意逻辑的管...
时间:2026-03-08
彩灯电路
时间:2026-03-05
NE555的有趣电路设计分享
时间:2026-03-08
三相异步电动机原理
时间:2026-03-04
三相异步电动机的拆装详讲
时间:2026-03-04
从0学电路,万用表演示测量三极管方法
时间:2026-03-08
电动机单线远程正反转控制电路图
时间:2026-03-04
光耦在电子电路中作用、关键参数详解
时间:2026-03-08
H桥电机驱动电路解析
时间:2026-03-08
转角测量电路
时间:2026-03-05