目前使用频率最高的PLC编程语言是结构化文本和梯形图,对于没什么基础的技术人员,从梯形图开始学习PLC编程是最快捷的,不管什么品牌的PLC,其梯形图的结构都和实际电气控制回路神似。下面,我们就推荐几种最常用的控制电路。

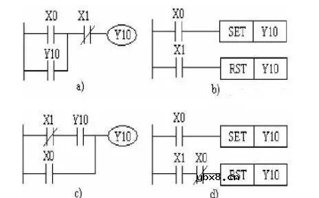
1、启动、保持和停止电路
实现Y10的启动、保持和停止的四种梯形图如图所示。这些梯形图均能实现启动、保持和停止的功能。x0为启动信号,X1为停止信号。图a、c是利用Y10常开触点实现自锁保持,而图b、d是利用SET,RST指令实现自锁保持。

2、多地控制电路
下图是两个地方控制一个继电器线圈的程序。其中X0和X1是一个地方的起动和停止控制按钮,X2和x3是另一个地方的起动和停止控制按钮。

3、互锁控制电路
下图是3个输出线圈的互锁电路。其中X0、 X1和X2是起动按钮,X3是停止按钮。由于Y0,Y1,Y2每次只能有一个接通,所以将Y0, Y1,Y2的常闭触点分别串联到其它两个线圈的控制电路中。

4、顺序启动控制电路
如图所示,Y0的常开触点串在Y1的控制回路中,Y1的接通是以Y0的接通为条件。这样,只有Y0接通才允许Y1接通。Y0关断后Y1也被关断停止,而且Y0接通条件下,Y1可以自行接通和停止。X0,X2为起动按钮,X1,X3为停止按钮。

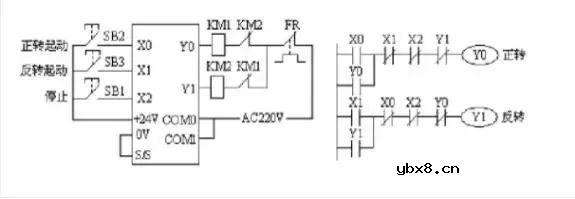
5、电机正反转电路

6、集中与分散控制电路
在多台单机组成的自动线上,有在总操作台上的集中控制和在单机操作台上分散控制的联锁。集中与分散控制的梯形图如图所示。x2为选择开关,以其触点为集中控制与分散控制的联锁触点。当 X2为ON时,为单机分散起动控制;当x2为OFF时,为集中总起动控制。在两种情况下,单机和总操作台都可以发出停止命令。

审核编辑:汤梓红
相关热词:#plc
影响介电常数的因素有哪些?
时间:2026-04-22
关于电流互感器基础知识介绍
时间:2026-04-22
开关电源的工作原理及特性
时间:2026-04-22
绝缘栅双极型晶体管(IGBT)外形、等效结构与...
时间:2026-04-22
信噪比(SNR)的定义,如何计算信噪比
时间:2026-04-22
波特率是什么意思_怎样计算波特率
时间:2026-04-21
RS485基本知识介绍
时间:2026-04-18
什么是激光雷达?激光雷达的构成与分类
时间:2026-04-18
Excelpoint - 一文了解SiC MOS的应用
时间:2026-04-18
什么是磁电阻器?磁电阻特性及应用
时间:2026-04-18
基于逻辑门的构成解释如何完成任意逻辑的管...
时间:2026-03-08
彩灯电路
时间:2026-03-05
NE555的有趣电路设计分享
时间:2026-03-08
三相异步电动机原理
时间:2026-03-04
三相异步电动机的拆装详讲
时间:2026-03-04
从0学电路,万用表演示测量三极管方法
时间:2026-03-08
电动机单线远程正反转控制电路图
时间:2026-03-04
光耦在电子电路中作用、关键参数详解
时间:2026-03-08
H桥电机驱动电路解析
时间:2026-03-08
转角测量电路
时间:2026-03-05