超实用电工电路图集:
咱一线电工实际工作中实用便查、不可或缺的经典电路图集!
《超实用电工电路图集》内容包括:
电工常用电动机控制电路;
单相与同步电动机控制电路;
电工常用电动机减压起动控制电路;
电工常用电动机制动控制电路;
电工常用电动机保护电路;
电工常用调速控制电路;
电工常用变频电路;
电工常用软起动电路;
电工常用机床控制电路;
电工常用电力开关电路;
信号指示电路;
电气保护电路;
用电设备节电电路;
报警与防盗电路;
灯光照明与配电电路;
电气自动控制与水位控制电路;
电工计量仪表与测量仪表电路;
电工临场经验电路;
居家生活新颖电子电路;
农业常用电气电路;
建筑电工常用电路;
交通与运输类机械控制电路;
起重与输送机械控制电路;
常用扶梯、电梯控制电路;
消防报警与供水电路;
电工常用高压配电电路;
无功功率补偿与浪涌保护电路等。
本文主要重点列举电工常用电动机控制电路图,下面让我们一起来看一看吧!
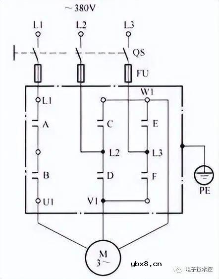
用胶盖瓷底的刀开关进行手动正转控制电路
常用扶梯、电梯控制电路;
消防报警与供水电路;
电工常用高压配电电路;
无功功率补偿与浪涌保护电路等。
本文主要重点列举电工常用电动机控制电路图,下面让我们一起来看一看吧!
用胶盖瓷底的刀开关进行手动正转控制电路

利用铁壳开关手动正转控制电路

采用转换开关的控制电路

用倒顺开关的正反转控制电路

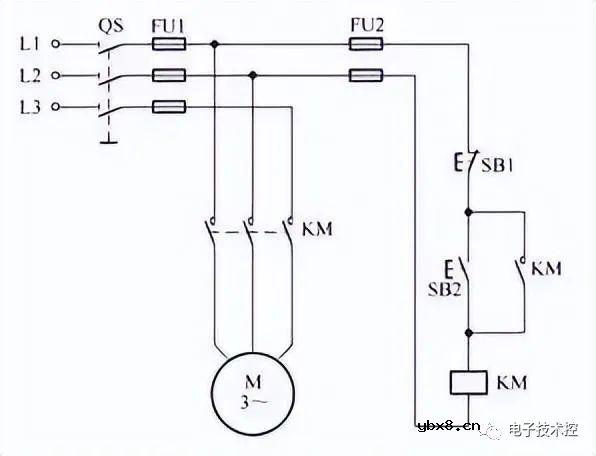
具有自锁的正转控制电路

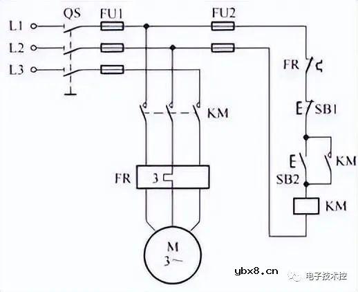
具有过载保护的正转控制电路

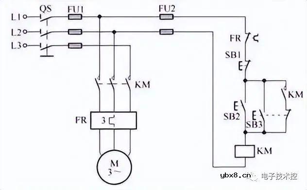
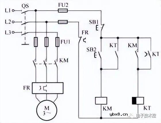
点动与连续运行控制电路

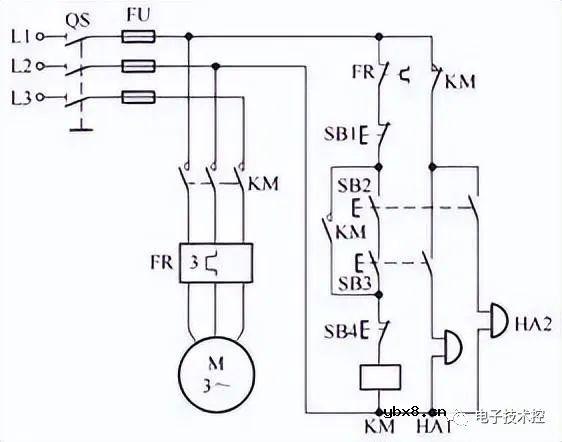
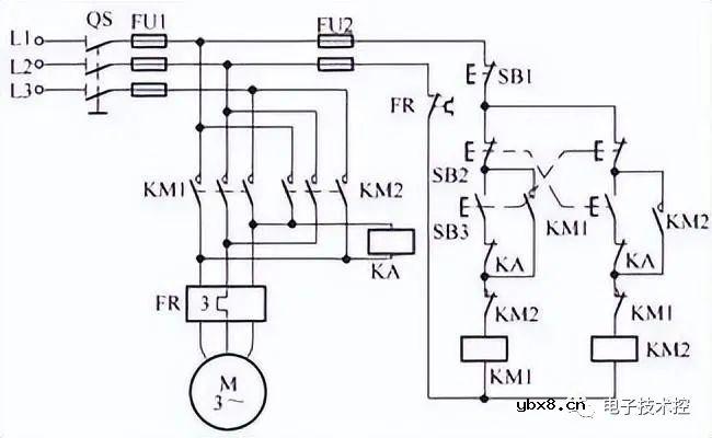
避免误操作的两地控制电路

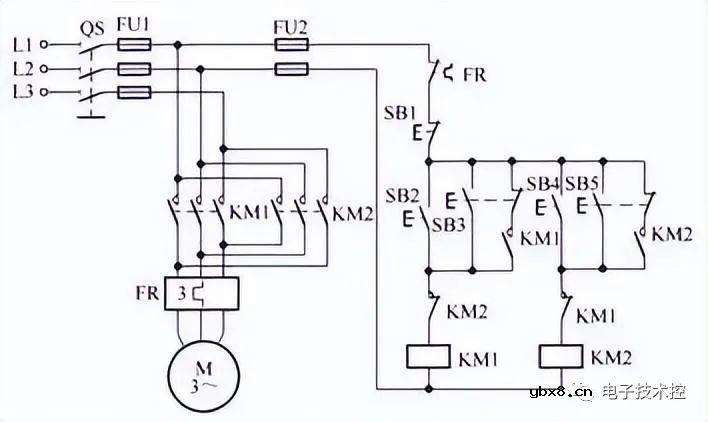
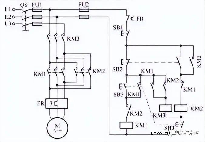
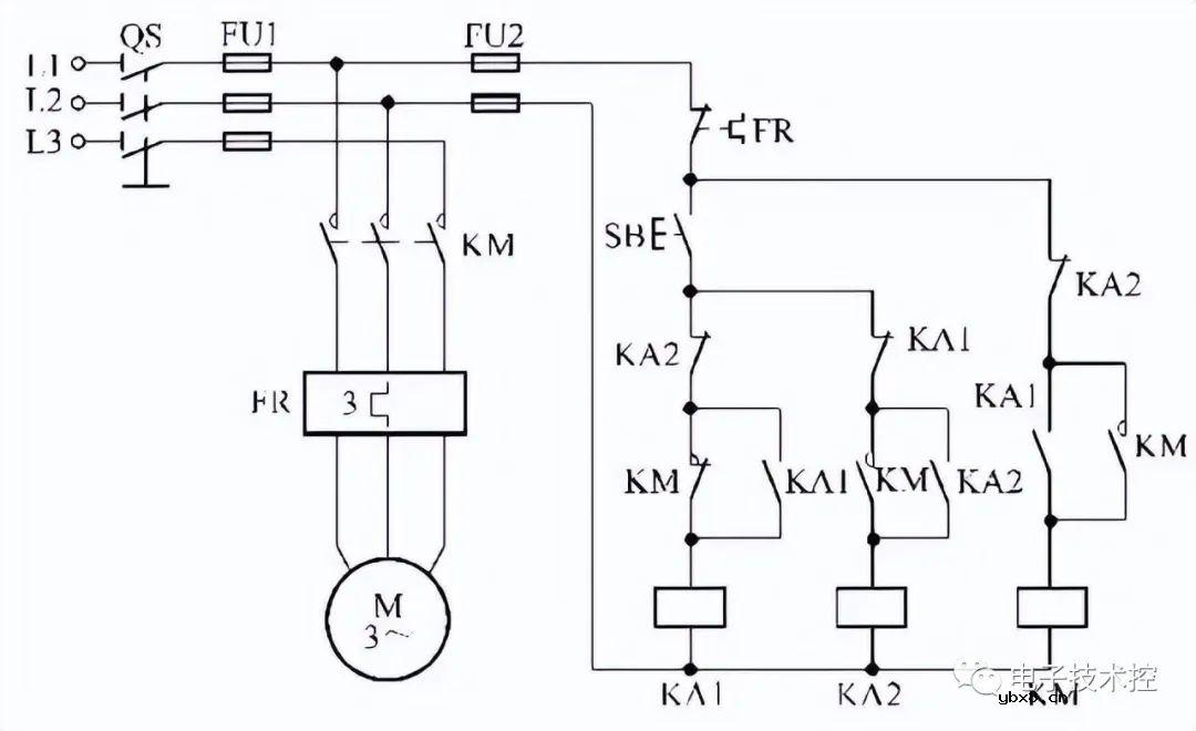
三地(多地点)控制电路

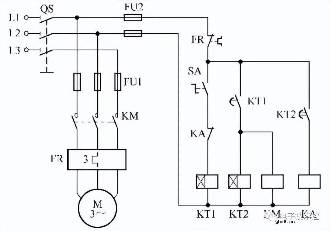
电动机间歇运行电路

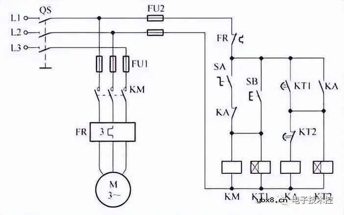
电动机短时间停电来电后自动快速再起动电路

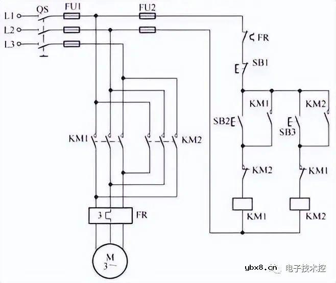
按钮连锁的正反转控制电路

接触器连锁的正反转控制电路

按钮、接触器复合连锁的正反转控制电路

用按钮点动控制电动机启停电路

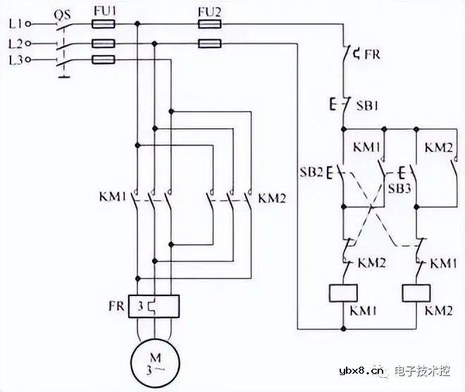
具有三重互锁保护的正反转控制电路

接触器连锁的点动和长动正反转控制电路

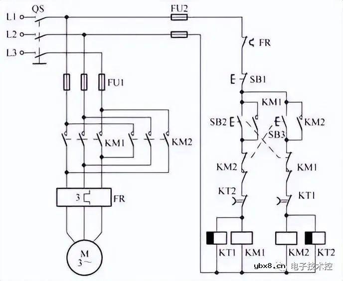
防止正反转转换期间相间短接的三接触器控制电路

用连锁继电器防止正反转转换相间短接的控制电路

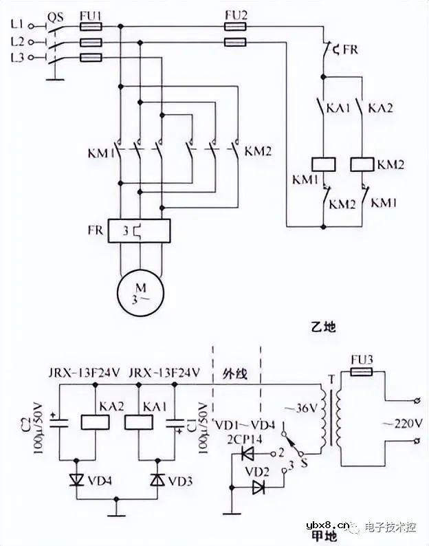
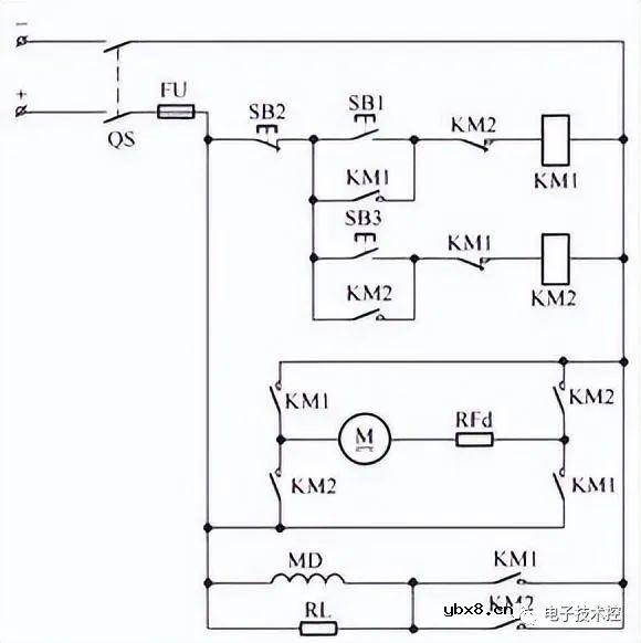
单线远程正反转控制电路

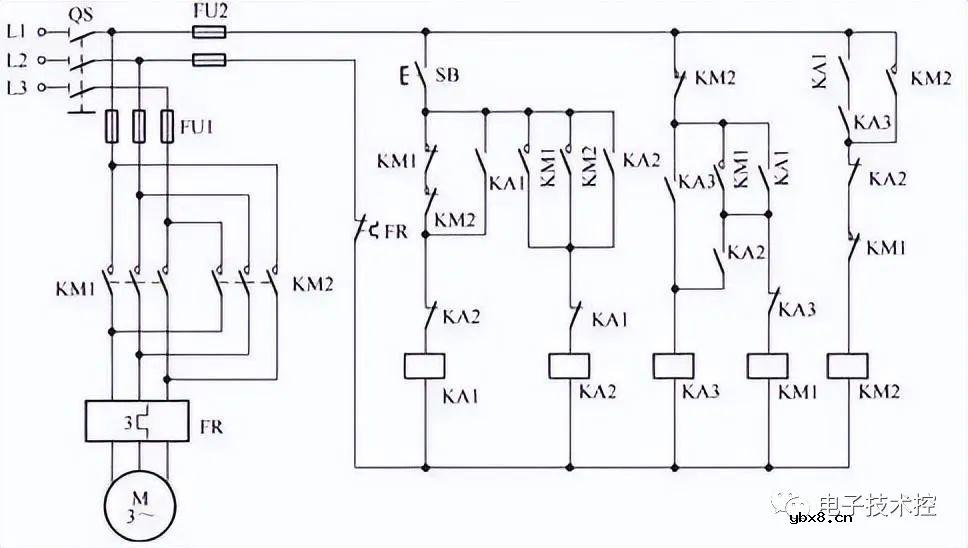
仅用一个按钮控制电动机正反转的电路

直流电动机正反转控制电路

用转换开关预选的正反转启停控制电路

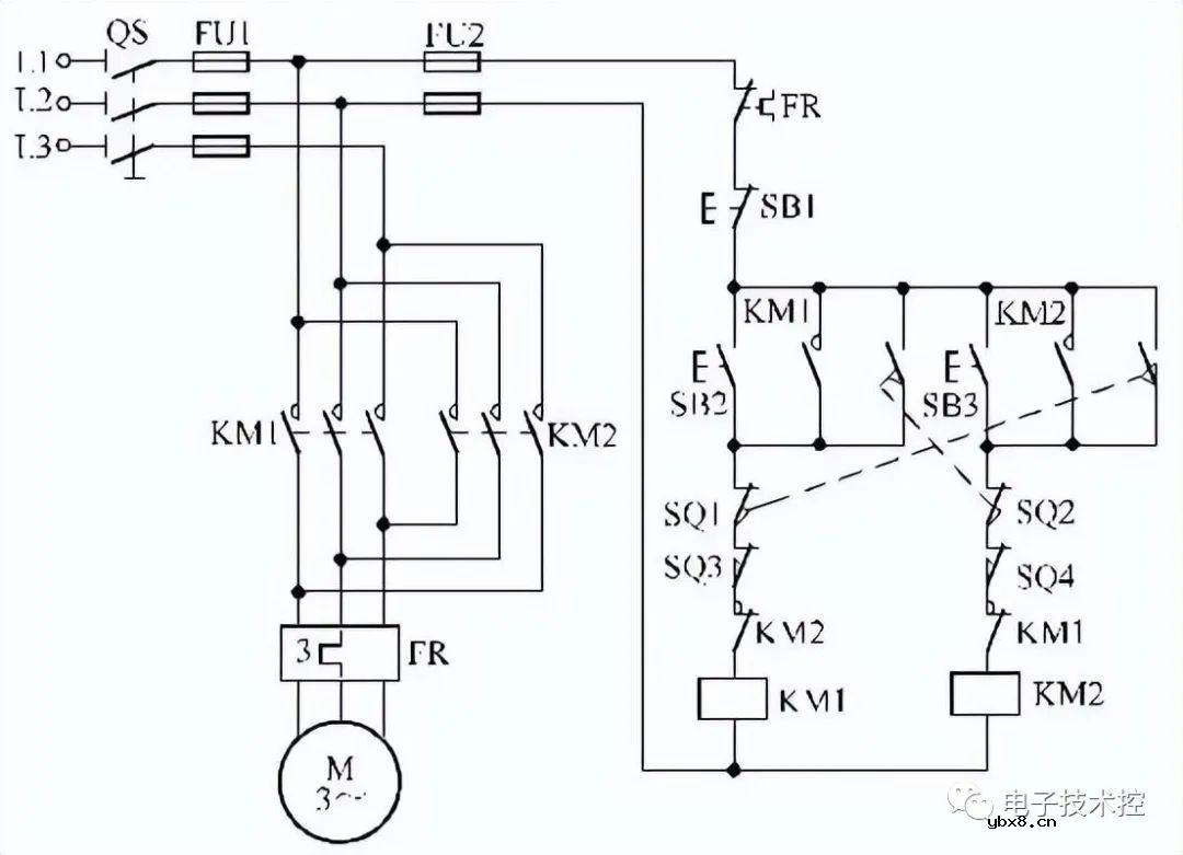
自动往返控制电路

仅用一个行程开关实现自动往返控制电路

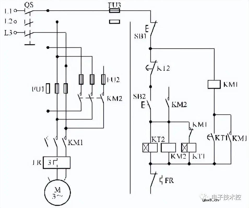
带有起动熔丝的起动电路

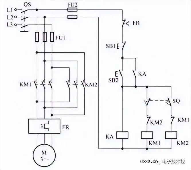
仅用一个按钮控制电动机启停电路

单线远程控制电动机启停电路

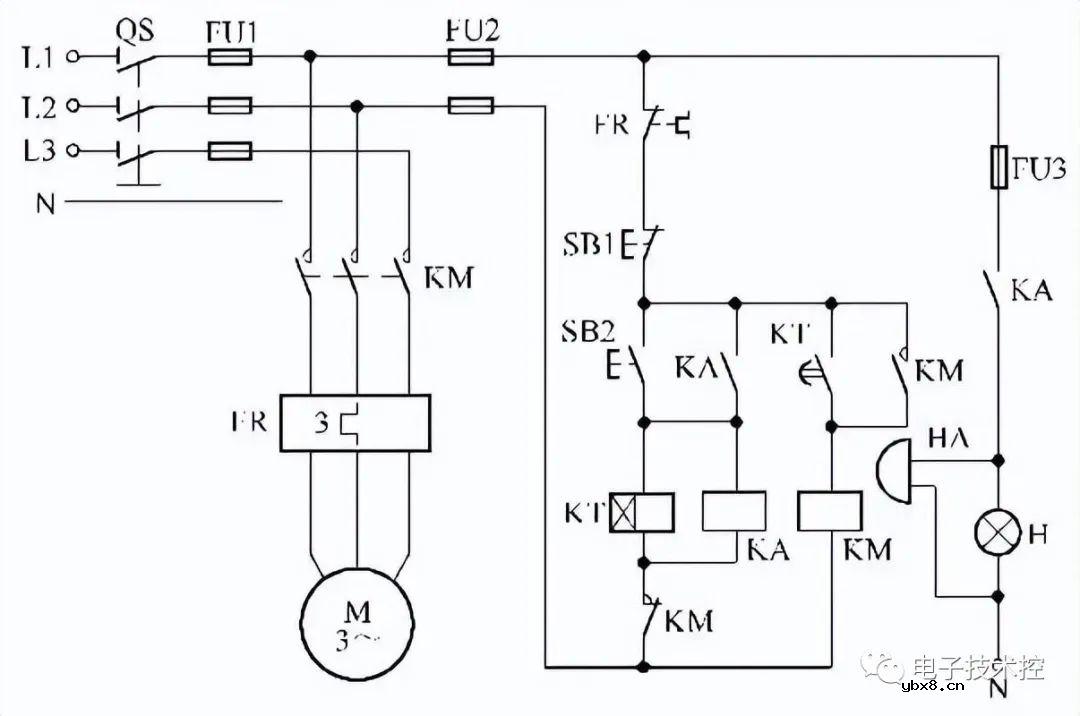
能发出启停信号的控制电路

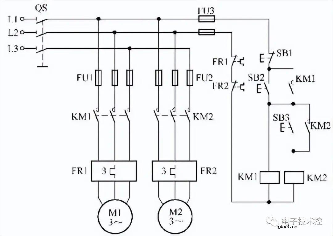
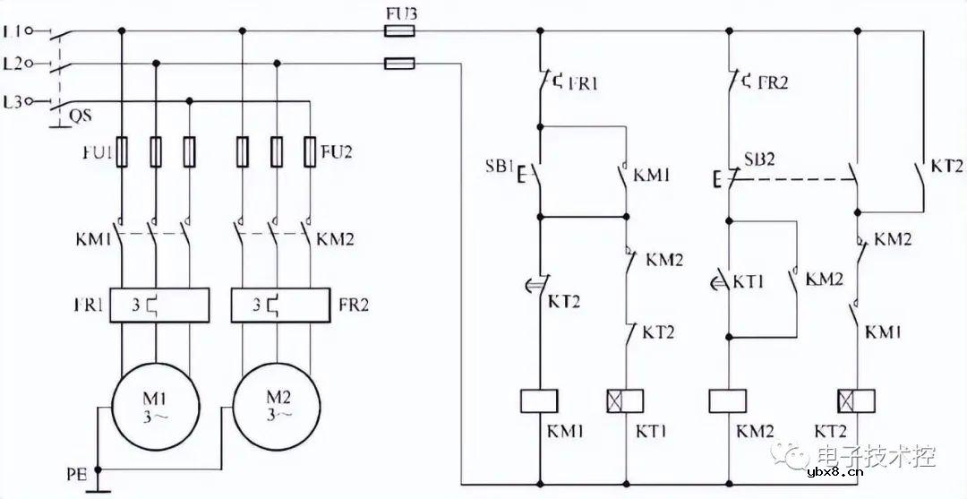
两台电动机按顺序起动同时停止的控制电路

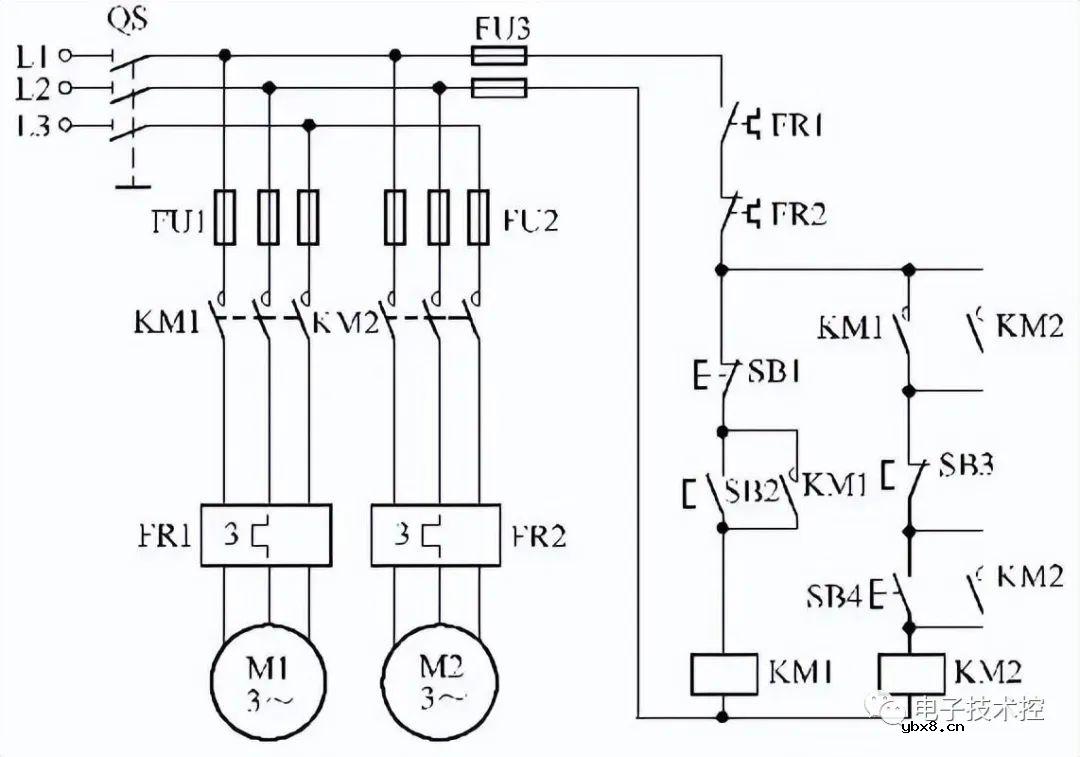
两台电动机按顺序起动分开停止的控制电路

自动切换的两台电动机按顺序起动逆序停止电路

电动机延时开机的间歇运行电路

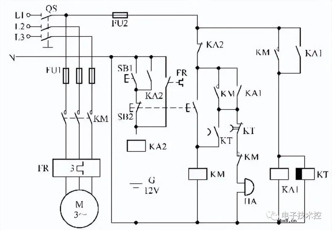
带有报警装置的电动机短暂停电来电后自动再起动电路

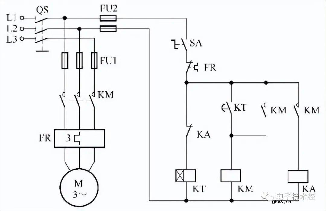
电动机长时间停电来电后自动再起动电路

两条运输原料传送带的电气控制电路

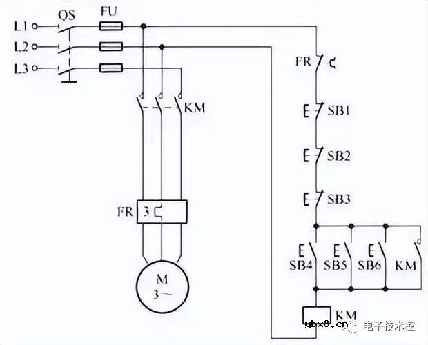
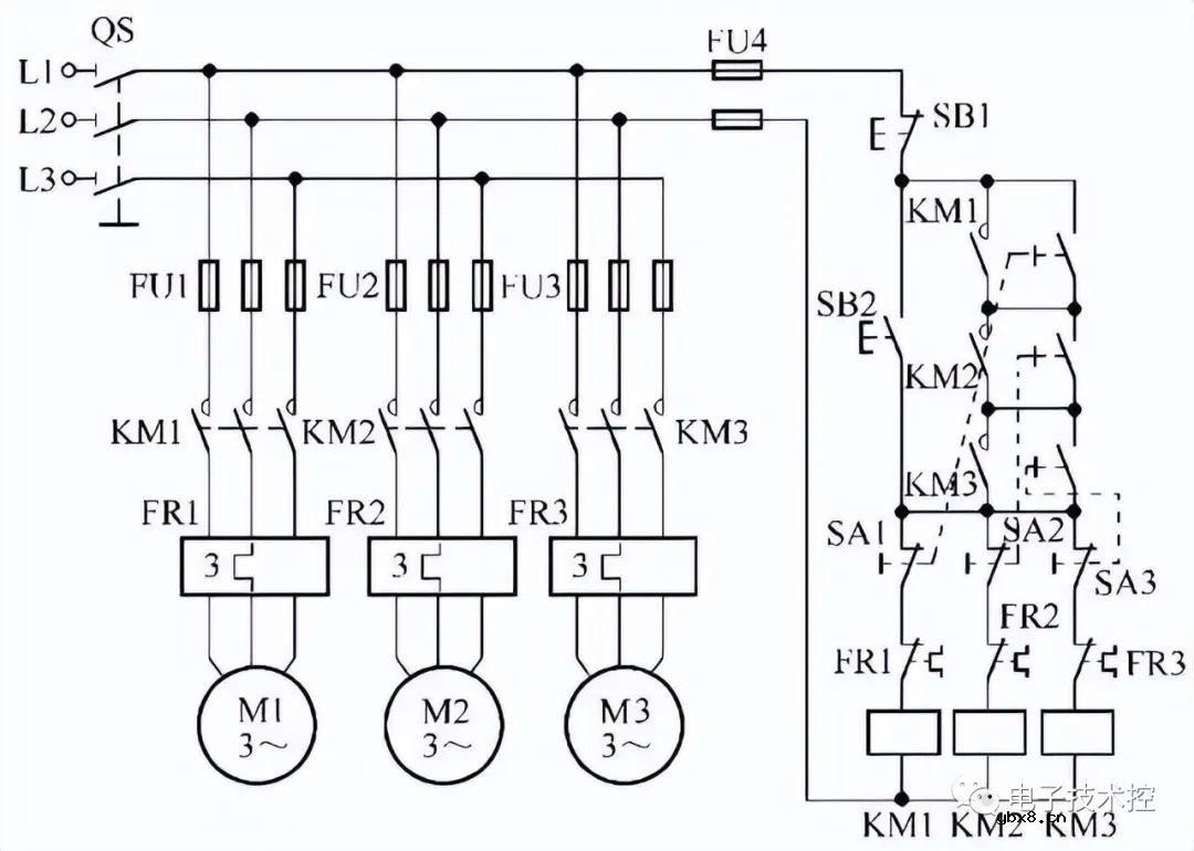
多台电动机可同时起动又可有选择起动的控制电路

低速脉动控制电路
电动阀门控制电路(之一)

电动阀门控制电路(之二)


串励直流电动机刀开关可逆控制电路

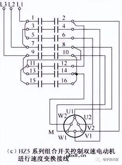
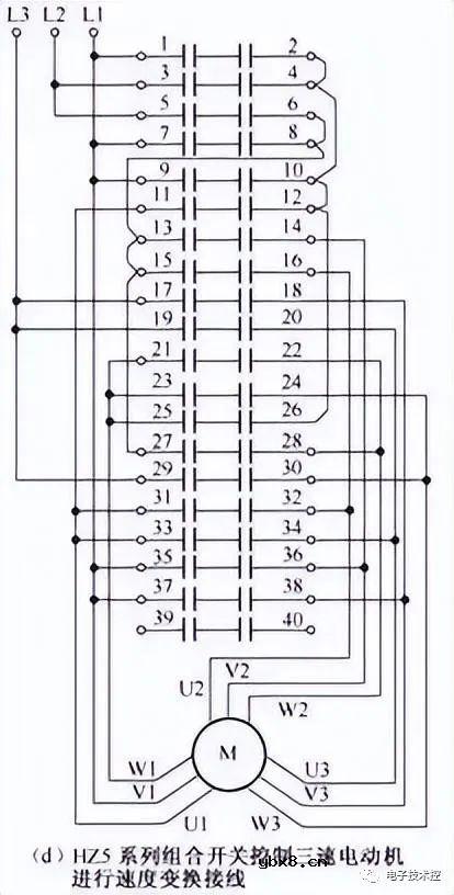
HZ5系列组合开关应用电路




用GYD-16/C型气压开关控制电动机电路

电动葫芦的电气控制电路

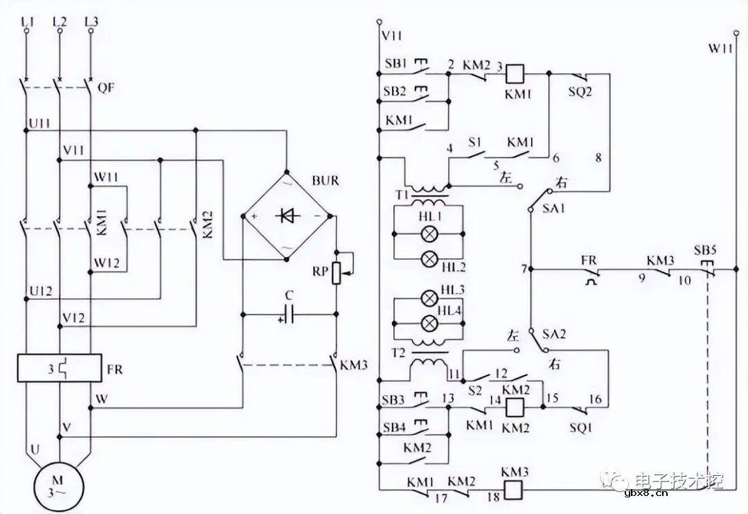
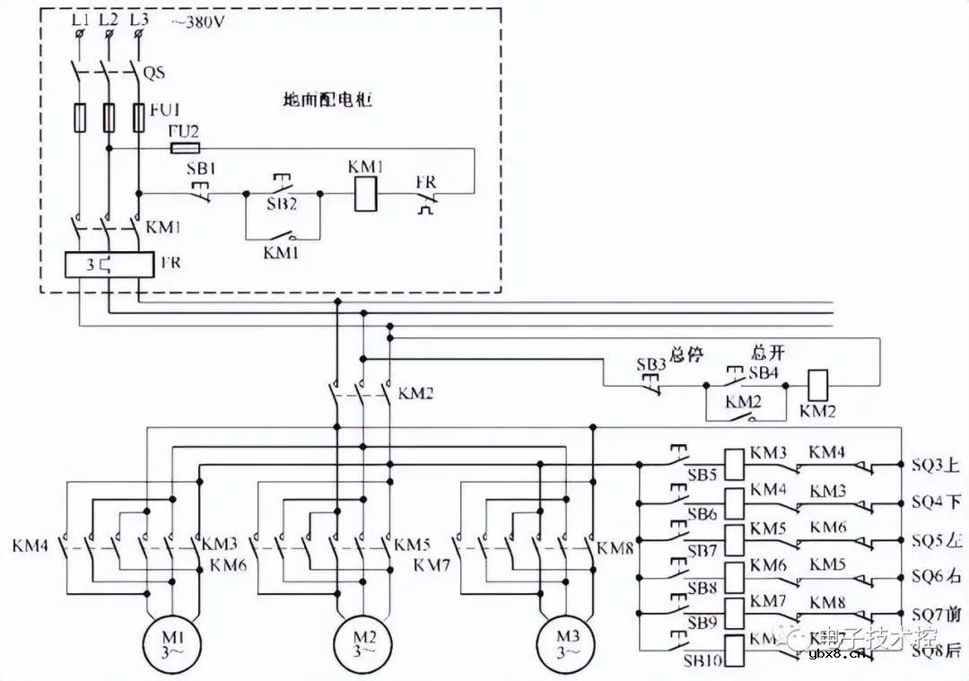
用八挡按钮操作的行车控制电路

扩展小知识--电路
电路由电源、负载、连接导线和辅助设备四大部分组成。实际应用的电路都比较复杂,因此,为了便于分析电路的实质,通常用符号表示组成电路实际原件及其连接线,即画成所谓电路图。其中导线和辅助设备合称为中间环节。
审核编辑:汤梓红
相关热词:#电路图
3dd15d能用什么代替?d209l是能替换3dd15d吗...
时间:2026-03-07
tip41c是什么管_可以用什么代替
时间:2026-03-07
开关三极管工作原理详解
时间:2026-03-07
tip41c好坏怎样识别_数字万用表识别tip41c好...
时间:2026-03-07
三极管基本电路原理和检修详解
时间:2026-03-07
大功率三极管有哪些 中功率三极管型号有哪些
时间:2026-03-07
晶体三极管的结构和作用分析 详解晶体三极管...
时间:2026-03-07
晶体三极管放大原理 详解晶体三极管放大电路
时间:2026-03-07
pnp三级管怎么接线 详解三极管pnp和npn
时间:2026-03-07
三极管参数及功率计算 浅谈三极管参数应用
时间:2026-03-07
彩灯电路
时间:2026-03-05
电动机单线远程正反转控制电路图
时间:2026-03-04
三相异步电动机原理
时间:2026-03-04
三相异步电动机的拆装详讲
时间:2026-03-04
USB转232电路图
时间:2026-03-04
三相异步电动机的七种调速方式
时间:2026-03-04
转角测量电路
时间:2026-03-05
经典的正弦波发生电路
时间:2026-03-05
电度表的工作原理
时间:2026-03-04
电风扇红外遥控器2
时间:2026-03-04