·····/一/·····

实物图1

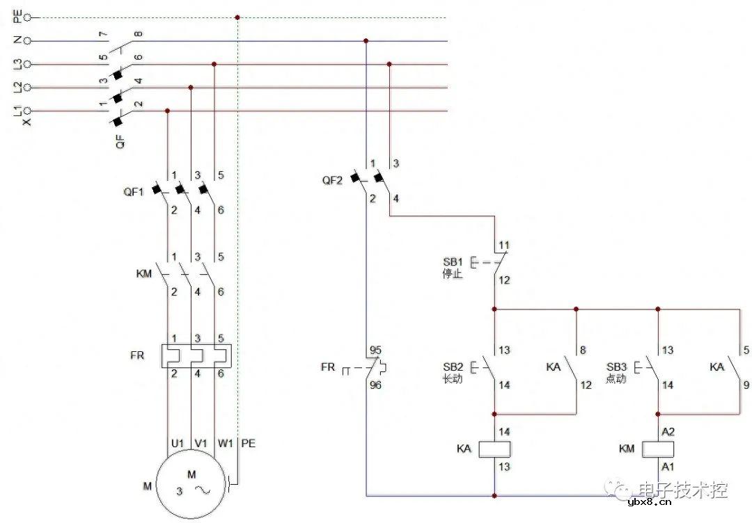
电路图

实物图2
控制要求:按下起动按钮SB2,电动机转动,按下停止按钮SB1,电动机停止;按钮SB3点动控制电动机转动。
在一些有特殊工艺要求、精细加工或调整工作时,要求机床点动运行,但在机床加工过程中,大部分时间要求机床要连续运行。即要求电动机既能点动工作,又能连续运行,这时就要用到电动机的点动与连续运行控制电路。
我们把点动与连续控制功能集中在一个电路中,此电路既能实现点动功能又能实现连续运行功能。如现实中,正常情况下电机一直连续运行,如果遇到故障维修,或某种手动操作时,这时又需要点动功能,那么此电路即可实现。在我们老式的车磨刨铣的机床上就有此电路。此电路中我们认识学习到一个新的元器件-中间继电器。中间继电器的种类也非常之多,在这里不做过多介绍。中间继电器起到功能、信号转换作用,其触点不能用于主电路,只能在控制电路中使用。
当按下SB2按钮,中间继电器线圈得电吸合,此时常开触点闭合,实现自锁,接通接触器KM线圈回路,接触器吸合,电机运行,此时电机处于连续运行状态,所以SB2按钮的功能是连续运行功能,按下停止按钮SB1电机停止。
当按下SB3按钮时,接触器KM1回路接通,电机运行,但松开按钮,KM1失电,电机停止。所以SB3按钮的功能是点动功能。
·····/二/·····

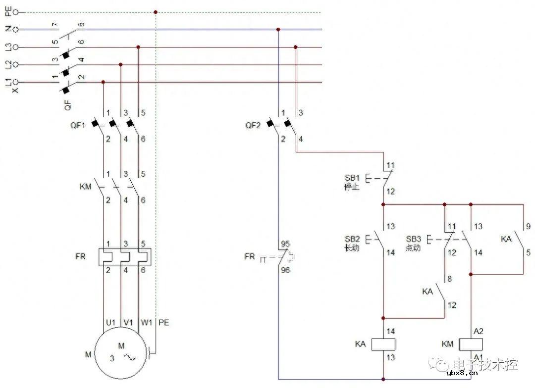
电路图

实物图1

实物图2
控制要求:按下起动按钮SB2,电动机转动,按下停止按钮SB1,电动机停止;按钮SB3点动控制电动机转动。
在一些有特殊工艺要求、精细加工或调整工作时,要求机床点动运行,但在机床加工过程中,大部分时间要求机床要连续运行。即要求电动机既能点动工作,又能连续运行,这时就要用到电动机的点动与连续运行控制电路。
我们把点动与连续控制功能集中在一个电路中,此电路既能实现点动功能又能实现连续运行功能。如现实中,正常情况下电机一直连续运行,如果遇到故障维修,或某种手动操作时,这时又需要点动功能,那么此电路即可实现。在我们老式的车磨刨铣的机床上就有此电路。此电路中我们认识学习到一个新的元器件-中间继电器。中间继电器的种类也非常之多,在这里不做过多介绍。中间继电器起到功能、信号转换作用,其触点不能用于主电路,只能在控制电路中使用。
当按下SB2按钮,中间继电器线圈得电吸合,此时常开触点闭合,实现自锁,接通接触器KM线圈回路,接触器吸合,电机运行,此时电机处于连续运行状态,所以SB2按钮的功能是连续运行功能,按下停止按钮SB1电机停止。
当按下SB3按钮时,接触器KM1回路接通,电机运行,但松开按钮,KM1失电,电机停止。所以SB3按钮的功能是点动功能。
控制要求:按下起动按钮SB2,电动机转动,按下停止按钮SB1,电动机停止;按钮SB3点动控制电动机转动。
本节的实现方法与点动与连续运转控制电路(一)不同,SB3为复合按钮。
按下SB2按钮,接触器得电吸合,辅助触点闭合形成自锁,实现连续运行功能,按下停止按钮,电机停转。所以SB2按钮的功能是连续运行功能。
图中SB3按钮,我们可以看出使用的是复合按钮,现实中,按钮一般都是复合按钮,至少分别带一对常开触点和一对常闭触点,所以此按钮按下时,首先是常闭触点断开,其次是常开触点闭合,因为按钮属于机械按钮,还是有先后之分的。按下SB3按钮,常开触点闭合,接通接触器线圈,电机运行,但这时SB3按钮的常闭触点断开,断开了KM1触点的自锁回路,所以按钮松开后,接触器失电,实现点动运行功能。
审核编辑:汤梓红
相关热词:#电路图
开关三极管的使用和连接 浅谈开关三极管的使...
时间:2026-03-07
三极管各种封装的引脚顺序你知道多少 浅谈三...
时间:2026-03-07
直插三极管封装/封装尺寸/引脚
时间:2026-03-07
三极管贴片和直插的区别 浅谈贴片三极管种类...
时间:2026-03-07
常见的贴片三极管丝印及参数介绍 浅谈贴片三...
时间:2026-03-07
三极管中2TY和J3Y是什么意思 有什么区别
时间:2026-03-07
j3y贴片三极管引脚及参数介绍
时间:2026-03-07
pnp贴片三极管管脚图及管脚排列 浅谈pnp与n...
时间:2026-03-07
贴片三极管有哪些封装 浅谈贴片三极管的选型
时间:2026-03-07
8050NPN型三极管引脚的排列方法 浅谈8050三...
时间:2026-03-07
彩灯电路
时间:2026-03-05
电动机单线远程正反转控制电路图
时间:2026-03-04
三相异步电动机原理
时间:2026-03-04
三相异步电动机的拆装详讲
时间:2026-03-04
USB转232电路图
时间:2026-03-04
三相异步电动机的七种调速方式
时间:2026-03-04
转角测量电路
时间:2026-03-05
经典的正弦波发生电路
时间:2026-03-05
电度表的工作原理
时间:2026-03-04
电风扇红外遥控器2
时间:2026-03-04