电机控制器是一种用于控制电机操作的器件,电机它的主要作用是产生驱动转其功能通常通过集成电路来实现,而非一个独立的仪器装置。
一、异步电动机可逆控制电路

(图A)按下SB2,KM1得电吸合,电动机起动正转。按下SB1,KM1断电释放,电动机停转。按下SB3,KM2得电吸合,电动机起动反转。按下SB1,KM2断电释放,电动机停转。缺点:不能同时按下SB2 、SB3按钮,否则电源将短路,电动机无法工作。原因:主电路接触器KM1、KM2连接到电动机M的是两种相序的电源,若同时吸合,在接触器连接点上电源被短路。
(图B)原理同图A。在KM1线圈电路中串接了KM2的一个动断触点:同样,在KM2线圈电路中串接了KM1的一个动断触点。这两个动断触点称互锁触点,这种互锁称电气互锁。保证了任何时候只有一只接触器吸合,避免了电源短路。缺点:必须先按停止按钮SB1,电动机停转后,才能起动电动机的另一旋转方向。
(图C)在上图基础上增加了由起动按钮的动断触点构成的机械互锁。如:按下SB2,串接在KM2线圈电路中SB2动断触点断开了KM2线路。保证了两个接触器不能同时吸合,又能不按停止按钮直接起动电动机另一旋转方向。
二、控制电机正反转

KM接触器的线圈A1和A2分别连一条火线,SB启动按钮串到任意一条火线都可以实现点动效果,启动按钮都是接的按钮开关的NO常开点。
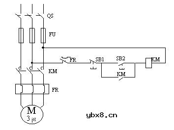
三、单向运行电气控制线路

主电路由隔离开关QS、熔断器FU、接触器KM的常开主触点,热继电器FR的热元件和电动机M组成。控制电路由起动按钮SB2、停止按钮SB1、接触器KM线圈和常开辅助触点、热继电器FR的常闭触头构成。
控制线路工作原理为:
1、起动电动机合上三相隔离开关QS,按起动按钮SB2,按触器KM的吸引线圈得电,3对常开主触点闭合,将电动机M接入电源,电动机开始起动。同时,与SB2并联的KM的常开辅助触点闭合,即使松手断开SB2,吸引线圈KM通过其辅助触点可以继续保持通电,维持吸合状态。凡是接触器(或继电器)利用自己的辅助触点来保持其线圈带电的,称之为自锁(自保)。这个触点称为自锁(自保)触点。由于KM的自锁作用,当松开SB2后,电动机M仍能继续起动,最后达到稳定运转。
2、停止电动机按停止按钮SB1控制工程网版权所有,接触器KM的线圈失电,其主触点和辅助触点均断开,电动机脱离电源,停止运转。这时www.cechina.cn,即使松开停止按钮,由于自锁触点断开,接触器KM线圈不会再通电,电动机不会自行起动。只有再次按下起动按钮SB2时,电动机方能再次起动运转。
责任编辑:pj
相关热词:#集成电路
硬件工程师入门基础元器件与电路原理
时间:2026-03-07
理想二极管大幅改善光伏快速关断器/优化器寿...
时间:2026-03-07
A22: 分立半导体器件知识与应用专题--二极...
时间:2026-03-07
一起来学习升压型(Boost or Step-up)开关...
时间:2026-03-07
19招电路(5V转3.3V)方案,运用起来非常棒
时间:2026-03-07
电路符号、标识快速区分二极管的极性
时间:2026-03-07
微波混频电路仿真设计
时间:2026-03-07
一文详解变压器的连接方法和联结组别
时间:2026-03-07
电源电路设计:详解线性电源和开关电源
时间:2026-03-07
MOS管驱动电路原理与MOS管驱动电路布线设计
时间:2026-03-07
彩灯电路
时间:2026-03-05
电动机单线远程正反转控制电路图
时间:2026-03-04
三相异步电动机原理
时间:2026-03-04
三相异步电动机的拆装详讲
时间:2026-03-04
USB转232电路图
时间:2026-03-04
三相异步电动机的七种调速方式
时间:2026-03-04
转角测量电路
时间:2026-03-05
经典的正弦波发生电路
时间:2026-03-05
电度表的工作原理
时间:2026-03-04
电风扇红外遥控器2
时间:2026-03-04