电子消毒柜电路由电源电路、控制电路和加热电路组成。家用电子消毒柜的型号和规格有多种,但其工作原理基本相同,消毒柜消毒方式分为紫外线消毒、臭氧消毒、高温消毒、臭氧紫外线消毒等。
一、

电路如图所示。臭氧发生器是消毒柜中的核心电路,而核心的重要元件是臭氧玻璃管Q1和Q2。它们与双向晶闸管VS、升压变压器T构成臭氧发生电路。当交流电源为负半周时,二极管VD3导通,VD4截止,VS关断,电源对C9充电,并很快充足,充电电流流向为交流电源L端→R11→L1→C9→N端。当电源处于正半周时,VD3截止,VD4导通,VS导通,充足电荷的C9通过L1→VS进行瞬间放电,使L1产生较大的瞬间放电电流,并在L2感应出较高的感生电压。此高压加到Q1、Q2上,使在玻璃管表面的空气电离而产生臭氧。臭氧发生器电路是受IC1控制的,IC1是双时基集成电路NE555,与外围元件组成间歇定时器,使臭氧电路工作一段时间,停歇一段时间。
二、

图中,电源电路主要由电源开关S1、消毒定时开关S2、 启动按钮SB1、停止按钮SB2等组成;加热电路主要由加热器EH、臭氧发生器Q3、加热温控器T1等组成;控制电路主要由继电器K、保温温控器T2、保温开关S3等组成。
1、接通电源开关S1,将温控器选择至需要消毒的挡位,按下启动按钮SB1,继电器K得电吸合,常开触头K2闭合,加热指示灯亮,加热器EH通电加热。
2、按下消毒定时开关S2,选择合适的时间,S2闭合。臭氧发生器得电产生臭氧对柜内食具进行消毒。
3、当消毒时间达到定时时间,S2断开,臭氧发生器停止工作,消毒结束。
4、消毒结束后,消毒柜内加热器继续加热对食具进行烘干。当柜内温度达到 120℃左右时,温控器T1动作,切断继电器K供电电源,继电器常开触头K1、K2断 开,加热器停止加热,加热指示灯熄灭。
5、加热后进行保温,保温电路由S3、T2及K3组成,当消毒结束后,保温开关S3接通,市电经S3、T2及K3加至EH一端,另一端直接接零线形成回路,保温指示灯亮。
6、随后保温加热器EH加热,当柜内温度上升到60T时,T2动作断开电路,EH 停止加热。
7、当柜内温度低于60℃时,T2又闭合,接通电路,EH又得电加热,如此反复, 使柜内温度始终保持在60℃左右。
三、

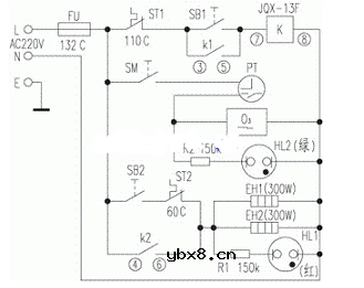
高温消毒电路。接通电源,按消毒开关SB1,继电器K得电吸合,常开触点k1、k2闭合导通,工作指示灯(红)HL1亮。220V交流电源经超温熔断器FU分成两路,一路经高温消毒温控器ST1、k1、K构成控制回路。另一路经k2、石英发热管EH1、EH2及HL1构成发热回路,EH1、EH2通电升温。当高温消毒室温度升到125℃时,ST1触点断开,K失电,k1、k2释放复位,断开控制回路和发热回路电源,EH1、EH2停止工作,HL1熄灭,表示高温消毒完成。
保温电路。按保温开关SB2,HL1亮,交流电源经FU、SB2、保温温控器ST2与EH1、EH2构成回路,EH1、EH2升温。当消毒室温度达到70℃时,ST2触点断开,EH1、EH2停止发热,HL1熄灭。当温度下降至50℃以下时,ST2自动闭合通电,恢复保温状态,使保温温度维持在60℃左右。如需停止保温,关断SB2。
臭氧消毒电路。关好臭氧消毒室柜门,门控开关SM受压闭合,将定时器PT置于合适挡位即接通电源,臭氧指示灯(绿)HL2亮,臭氧发生器O3产生臭氧对食具进行消毒,PT倒计时终了时自动关机。
相关热词:#继电器
关于带灯电源开关里面用的发光二极管批示灯...
时间:2026-03-07
硬件工程师入门的基础元器件知识
时间:2026-03-07
硬件工程师入门基础元器件与电路原理
时间:2026-03-07
理想二极管大幅改善光伏快速关断器/优化器寿...
时间:2026-03-07
A22: 分立半导体器件知识与应用专题--二极...
时间:2026-03-07
一起来学习升压型(Boost or Step-up)开关...
时间:2026-03-07
19招电路(5V转3.3V)方案,运用起来非常棒
时间:2026-03-07
电路符号、标识快速区分二极管的极性
时间:2026-03-07
微波混频电路仿真设计
时间:2026-03-07
一文详解变压器的连接方法和联结组别
时间:2026-03-07
彩灯电路
时间:2026-03-05
电动机单线远程正反转控制电路图
时间:2026-03-04
三相异步电动机原理
时间:2026-03-04
三相异步电动机的拆装详讲
时间:2026-03-04
USB转232电路图
时间:2026-03-04
三相异步电动机的七种调速方式
时间:2026-03-04
转角测量电路
时间:2026-03-05
经典的正弦波发生电路
时间:2026-03-05
电度表的工作原理
时间:2026-03-04
电风扇红外遥控器2
时间:2026-03-04