前言
举一个不恰当的例子,电池的充放电就像孩子喝母乳一样。
1,如果一直让孩子喝,家长不加以控制,那么这个奶可能会被喝光,类似电池过放;
2,如果家长一直不给孩子喝奶,这个奶就会积攒越来越多,类似电池过充;
3,如果孩子喝奶喝的急,容易呛奶,类似电池的过电流保护;
科学喝奶,规律喝奶,需要家长的监督,那电池如何做到科学充电和放电呢?
锂电池都有一个使用的安全电压区间,最高和最低电压一般被称为充放电终止电压或截止电压,当电池的实际工作电压长时间低于放电终止电压或者长时间高于充电终止电压时,电池内部将发生不可逆转的伤害,严重伤害电池,导致性能下降,俗称电池衰减,电池衰减的表现就是电池的内阻增大,容量下降等。
所以一般锂离子电池内部会有一个小的PCB板,和电池封装在一起,如下图所示,主要作用就是用来保护电池。

红色框选部分为电池保护板
这个电路板根据组成电路不同,一般会有过放保护、过充保护、过流保护、短路保护以及控制IC失效之后的FUSE保护这几种,下面会以一个常见的电路,讲解这几种保护的工作原理。
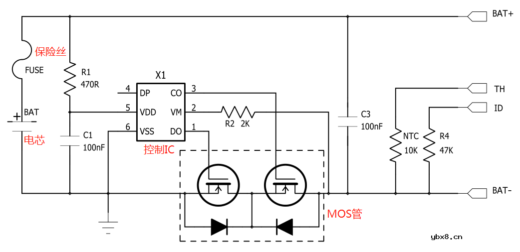
▉ 锂电池保护板组成
一般的锂电池保护板由控制IC、MOS管、电阻电容、保险丝FUSE等组成,如下图所示。

常见的锂电池保护板电路图
TH为温度检测,内部是一个10K NTC接到电池负极;ID是电池在位检测,一般是47K/10K电阻接到电阻负极,有的是0R电阻;TH和ID均是选配,并不是所有锂电池都有的。
接着根据上面这么电路,来看一下如下几种保护的工作原理吧!
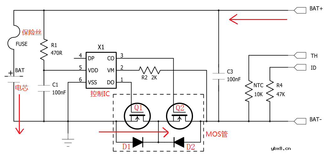
▉ 过充保护
电池充电时,电流(方向如箭头所示)从电池包的正极流入,经过FUSE后从负极流出,最下方的两个MOS管均是导通状态。

电池充电时电流方向如箭头所示
充电时,控制IC X1会时刻监测第5脚VDD和第6脚VSS之间的电压,当这个电压大于等于过充截止电压且满足过充电压的延时时间时,X1会通过控制第3脚来关闭MOS管Q2,Q2被关闭之后,充电回路被切断(Q2的体二极管D2也是反向截止的),这个时候,电池只能放电。
过充保护解除条件(满足其一即可):
1,电芯两端的电压下降到保护IC的过充恢复电压。
2,在电池包得输出端加负载放电,放电到电压小于过充保护电压。
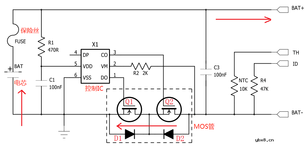
▉ 过放保护
在电池包两端加负载放电时,电流(方向如箭头所示)与充电是相反的,如下图所示。

电池放电时电流方向如箭头所示
放电时,控制IC X1同样会时刻监测第5脚VDD和第6脚VSS之间的电压,当这个电压小于等于过放截止电压且达到过放电压的延时时间,控制IC X1会通过第1脚关闭Q1,Q1被关闭之后,放电回路被切断(Q1的体二极管D1是反向截止),这个时候,电池只能充电。
过放保护解除条件:拿掉负载,给电池包充电,当VM-VDD之间的电压达到过放恢复电压值时,控制IC X1会重新打开MOS管Q1。
▉ 过流保护/短路保护
过流保护指的是过放电流的保护,一般的控制IC有过流保护和短路保护两种,控制IC时刻监测VSS-VM之间的电压值,当电压值达到过流保护或者短路保护的阈值且满足延时时间,控制IC会将MOS管Q1关闭,切断放电回路。

电池放电时电流方向如箭头所示
过电流保护解除的条件是:将输出端负载拿掉,控制IC会自动将Q1重新打开。
过流保护的电压值一般是0.1~0.2V,短路保护检测的电压值一般是0.9V~2V,这两个值都与控制IC有关系,不同的IC,这两个值不一样。
短路保护电压值指的是电流流经Q1和Q2上的导通压降,即可以得出,如果MOS管的导通内阻越大,保护电流值就越小。如:内阻为20mΩ的MOS管,选用的过电流值为0.15V的控制IC,那过流保护的电流应为:0.15V/(0.02*2)=3.75A。
▉ 控制IC失效之后的FUSE保护
有的保护板里面会加上保险丝,在控制IC失效之后,起到一个二级保护作用,避免更坏的结果,当然也会增加成本。
今天的文章内容到这里就结束了,希望对你有帮助,我们下一期见。
审核编辑:汤梓红
相关热词:#锂电池
影响介电常数的因素有哪些?
时间:2026-04-22
关于电流互感器基础知识介绍
时间:2026-04-22
开关电源的工作原理及特性
时间:2026-04-22
绝缘栅双极型晶体管(IGBT)外形、等效结构与...
时间:2026-04-22
信噪比(SNR)的定义,如何计算信噪比
时间:2026-04-22
波特率是什么意思_怎样计算波特率
时间:2026-04-21
RS485基本知识介绍
时间:2026-04-18
什么是激光雷达?激光雷达的构成与分类
时间:2026-04-18
Excelpoint - 一文了解SiC MOS的应用
时间:2026-04-18
什么是磁电阻器?磁电阻特性及应用
时间:2026-04-18
基于逻辑门的构成解释如何完成任意逻辑的管...
时间:2026-03-08
彩灯电路
时间:2026-03-05
NE555的有趣电路设计分享
时间:2026-03-08
三相异步电动机原理
时间:2026-03-04
三相异步电动机的拆装详讲
时间:2026-03-04
从0学电路,万用表演示测量三极管方法
时间:2026-03-08
电动机单线远程正反转控制电路图
时间:2026-03-04
光耦在电子电路中作用、关键参数详解
时间:2026-03-08
H桥电机驱动电路解析
时间:2026-03-08
转角测量电路
时间:2026-03-05