“此电路用在各种ADC之前的采样电路,可以让ADC实现轨到轨的输入,采样电路的工作电压超过Vdd,极大的减少了设置时间,而且几乎没有可靠性的问题。电路里没有任何一个器件是可以被减少或者改变位置的。此电路直接使得ADC的发展往前跃进了一大步,现在几乎成为了除ΔΣ之外各种ADC的标配,是历史上很经典的模拟电路之一。”
作为一个电子人,我们平时需要和不同的电路接触,但有一些电路图是经典的,值得我们永远记住。
自举电路
此电路用在各种ADC之前的采样电路,可以让ADC实现轨到轨的输入,采样电路的工作电压超过Vdd,极大的减少了设置时间,而且几乎没有可靠性的问题。电路里没有任何一个器件是可以被减少或者改变位置的。此电路直接使得ADC的发展往前跃进了一大步,现在几乎成为了除ΔΣ之外各种ADC的标配,是历史上很经典的模拟电路之一。当然,电路原理也不是很好理解。

工作波形看起来比较舒服:

一个神奇的电流源
输入“任意”电流(合理大小的任意电流值),输出都大约是2*ln8*Vt/R。

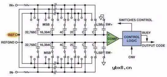
SAR-ADC
工作原理如下:
比较器会在每个时钟沿对电容上的电压和地作比较,由此来决定下一个电容是否接入电路,实质上就是用二分法来逼近某个未知电压。
电容端电压变化

开关电容的共模反馈
仅仅4个电容加6个开关就实现了共模反馈,非常简洁,且几乎不会影响OPAM本身的输出级电压摆幅、增益之类的规格,非常高效。

数据加权平均
基本思想是快速遍历DAC中的每一个电流元,从而减少电流元失配对ADC信噪比的影响,仅仅通过几个简单的数电模块就可以实现对电流元失配的一阶噪声整形,非常巧妙。

无所不能的H桥电路
驱动电机正反转,妥妥的好用而且实惠,买一块驱动芯片的钱够自己搭十个桥了。而且用市场上很常见的三极管就能搞定,功率稍大的换成MOS管就行了。

下面为差分传输方式的终端匹配方法比较:
如下图所示为两种差分传输方式的终端方法,第yi种方法采用单电阻终端,第二种方法采用双电阻终端。

第一种方法对差模信号进行匹配,但不对共模信号匹配。在共模干扰比较理想的情况(干扰信号同时到达A、B线,并且幅度相同)下可以很好的工作。但由于布线等原因造成A、B传输线受干扰情况不完全一致时,干扰信号会在传输线上来回反射。特别是在传输时钟信号,并且传输线延时等于1/4时钟周期时,干扰信号可能在线路上会反射形成自激。
第二种方法对每条传输线单独进行匹配,该方法对共模信号和差模信号同时匹配,故不会在传输线上产生反射。
审核编辑:汤梓红
相关热词:#电路图
影响介电常数的因素有哪些?
时间:2026-04-22
关于电流互感器基础知识介绍
时间:2026-04-22
开关电源的工作原理及特性
时间:2026-04-22
绝缘栅双极型晶体管(IGBT)外形、等效结构与...
时间:2026-04-22
信噪比(SNR)的定义,如何计算信噪比
时间:2026-04-22
波特率是什么意思_怎样计算波特率
时间:2026-04-21
RS485基本知识介绍
时间:2026-04-18
什么是激光雷达?激光雷达的构成与分类
时间:2026-04-18
Excelpoint - 一文了解SiC MOS的应用
时间:2026-04-18
什么是磁电阻器?磁电阻特性及应用
时间:2026-04-18
基于逻辑门的构成解释如何完成任意逻辑的管...
时间:2026-03-08
彩灯电路
时间:2026-03-05
NE555的有趣电路设计分享
时间:2026-03-08
三相异步电动机原理
时间:2026-03-04
光耦在电子电路中作用、关键参数详解
时间:2026-03-08
三相异步电动机的拆装详讲
时间:2026-03-04
从0学电路,万用表演示测量三极管方法
时间:2026-03-08
电动机单线远程正反转控制电路图
时间:2026-03-04
H桥电机驱动电路解析
时间:2026-03-08
转角测量电路
时间:2026-03-05