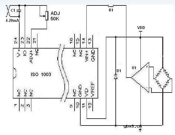
两线制4-20mA信号隔离调理器:ISO4-20mA-PISO4-20mA-P是一种两线制4-20mA信号隔离调理器,属于SUNYUAN ISO4-20mA系列的产品。该IC内部包含有电流信号调制解调电路、信号耦合隔离变换电路等。很小的输入等效电阻,使该IC能够从传感器回路中采集到的信号电压达到超宽范围。

简单仿真了一个4-20mA转换为0.6V-3V的转换电路。



那么我们实际如何来采集4-20mA的电流,首先我们可以把电流信号转换为电压信号,然后经过单片机的12位ADC转换,结果是把0~VCC的值转换成了0~4096。如果VCC是3V,我们可以再利用等比公式,把0~4095转换成0~3V的电压值,最后把电压转换为电流值。这就是我们所采集的最终电流了。
在该系统中主要考虑模拟前端为传感器,从传感器送来的是标准信号(即4mA~20mA),这样设计具有一定的通用性,只要前端接不同的传感器就可以采集不同的信号源。由于A/D转换基准为电压,也就是参考源为电压,所以A/D转换的是电压,这样需要将电流信号转换成电压信号。图为模拟量采集具体的电路。
由图可以看出,采集电路通过一个电阻将电流信号转换成电压信号,为了提高采集的进度,需要采用高精度的电阻,这里采用的是精度为1%的电阻。电路中采用二极管作为ESD保护电路,考虑到干扰问题,采用电容进行滤波处理,增加采集电路的抗干扰问题。

相关热词:#4-20mA
影响介电常数的因素有哪些?
时间:2026-04-22
关于电流互感器基础知识介绍
时间:2026-04-22
开关电源的工作原理及特性
时间:2026-04-22
绝缘栅双极型晶体管(IGBT)外形、等效结构与...
时间:2026-04-22
信噪比(SNR)的定义,如何计算信噪比
时间:2026-04-22
波特率是什么意思_怎样计算波特率
时间:2026-04-21
RS485基本知识介绍
时间:2026-04-18
什么是激光雷达?激光雷达的构成与分类
时间:2026-04-18
Excelpoint - 一文了解SiC MOS的应用
时间:2026-04-18
什么是磁电阻器?磁电阻特性及应用
时间:2026-04-18
基于逻辑门的构成解释如何完成任意逻辑的管...
时间:2026-03-08
彩灯电路
时间:2026-03-05
NE555的有趣电路设计分享
时间:2026-03-08
三相异步电动机原理
时间:2026-03-04
三相异步电动机的拆装详讲
时间:2026-03-04
从0学电路,万用表演示测量三极管方法
时间:2026-03-08
电动机单线远程正反转控制电路图
时间:2026-03-04
光耦在电子电路中作用、关键参数详解
时间:2026-03-08
H桥电机驱动电路解析
时间:2026-03-08
转角测量电路
时间:2026-03-05