选频声控开关是一种以特定哨音控制的声频遥控电路。用它可以遥控各种家用电器电源的开关。它与射频、红外线等遥控方式相比,具有电路简单、调试方便、功耗低、成本低、体积小和发射器无源等特点。由于采用高Q值的电感线圈,提高了电路的抗干扰能力。

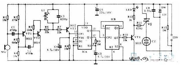
整机电路见上图。电路由放大、选频、整形、记忆、触发、执行和电源等部分组成。发射器是一只皮囊哨,用手捏动时会发出大约12kHz…的叫声。话筒MIC收到声信号后转换成电信号,由三极管VT1、VT2放大,并经由电感L1和电容C3组成12kHz的选频回路选频。当电路中出现12kHz频率的信号时电路谐振,输出最大,使平时处于截止状态的三极管VT3迅速饱和,在其集电极电阻R8两端产生一接近电源电压的高电平信号,触发记忆单元的IC。由于谐振回路中电感Q值较高,其通带较窄。因为家庭环境噪声大多在10kHz以下,又由于普通驻极体话筒的频响上限为十几kHz,故选频电路谐振频率确定为12kHz。
当IC被前级的高电平触发后,电路翻转,Q2端输出电平亦发生变化,使晶体管VT4状态发生变化从而触发双向可控硅VS导通或关断,完成了对电器的开关控制。附图中的IC采用一片CMOS双D触发器CD4013。为保证触发可靠,将其中一个D触发器接成单稳态电路,当第11脚接收到上升沿高电平信号时,由于VD1接地,使Q1变为低电平,Q1端输出变为高电平,并通过电阻R8给电容C5充电。当c5上的电压充至S1端的转移电压时,使Q1端跳变回高电平,再去触发下一级D触发器构成的双稳态电路。单稳电路的时间常数T≈0.7R9C5,按图中的数值,在3秒钟内只接受一个控制信号,可以有效地克服双稳电路由于触发原因引起翻转不稳定的缺点。
整机电路采用电容降压方式供电,不存在过热问题,功耗也有降低。

(综合整理:360个人图书馆、家电资料维修网)
相关热词:#声控开关
波特率是什么意思_怎样计算波特率
时间:2026-04-21
RS485基本知识介绍
时间:2026-04-18
什么是激光雷达?激光雷达的构成与分类
时间:2026-04-18
Excelpoint - 一文了解SiC MOS的应用
时间:2026-04-18
什么是磁电阻器?磁电阻特性及应用
时间:2026-04-18
什么是电场?电场在电容器中的应用
时间:2026-04-18
什么是ARM64?
时间:2026-04-17
vga和hdmi的区别
时间:2026-04-17
什么是ESD?ESD及TVS的原理和应用
时间:2026-04-17
开关电源原理与维修完整版 (10)_标清视频
时间:2026-04-16
基于逻辑门的构成解释如何完成任意逻辑的管...
时间:2026-03-08
彩灯电路
时间:2026-03-05
NE555的有趣电路设计分享
时间:2026-03-08
三相异步电动机原理
时间:2026-03-04
三相异步电动机的拆装详讲
时间:2026-03-04
从0学电路,万用表演示测量三极管方法
时间:2026-03-08
电动机单线远程正反转控制电路图
时间:2026-03-04
光耦在电子电路中作用、关键参数详解
时间:2026-03-08
H桥电机驱动电路解析
时间:2026-03-08
转角测量电路
时间:2026-03-05