霍尔元件是应用霍尔效应的半导体。一般用于电机中测定转子转速,如录像机的磁鼓,电脑中的散热风扇等;是一种基于霍尔效应的磁传感器,已发展成一个品种多样的磁传感器产品族,并已得到广泛的应用。
工作原理
霍尔元件应用霍尔效应的半导体。
所谓霍尔效应,是指磁场作用于载流金属导体、半导体中的载流子时,产生横向电位差的物理现象。金属的霍尔效应是1879年被美国物理学家霍尔发现的。当电流通过金属箔片时,若在垂直于电流的方向施加磁场,则金属箔片两侧面会出现横向电位差。半导体中的霍尔效应比金属箔片中更为明显,而铁磁金属在居里温度以下将呈现极强的霍尔效应。
利用霍尔效应可以设计制成多种传感器。霍尔电位差UH的基本关系为:
UH=RHIB/d (1) RH=1/nq(金属) (2)式中 RH――霍尔系数;n――单位体积内载流子或自由电子的个数;q――电子电量;I――通过的电流;B――垂直于I的磁感应强度;d――导体的厚度。
对于半导体和铁磁金属,霍尔系数表达式和式(2)不同,此处从略。
由于通电导线周围存在磁场,其大小和导线中的电流成正比,故可以利用霍尔元件测量出磁场,就可确定导线电流的大小。利用这一原理可以设计制成霍尔电流传感器。其优点是不和被测电路发生电接触,不影响被测电路,不消耗被测电源的功率,特别适合于大电流传感。
若把霍尔元件置于电场强度为E、磁场强度为H的电磁场中,则在该元件中将产生电流I,元件上同时产生的霍尔电位差和电场强度E成正比,如果再测出该电磁场的磁场强度,则电磁场的功率密度瞬时值P可由P=EH确定。
利用这种方法可以构成霍尔功率传感器。
如果把霍尔元件集成的开关按预定位置有规律地布置在物体上,当装在运动物体上的永磁体经过它时,可以从测量电路上测得脉冲信号。根据脉冲信号列可以传感出该运动物体的位移。若测出单位时间内发出的脉冲数,则可以确定其运动速度。
元件分类
按照霍尔元件的功能可将它们分为: 霍尔线性器件 和 霍尔开关器件 。前者输出模拟量,后者输出数字量。
按被检测的对象的性质可将它们的应用分为:直接应用和间接应用。前者是直接检测出受检测对象本身的磁场或磁特性,后者是检测受检对象上人为设置的磁场,用这个磁场来作被检测的信息的载体,通过它,将许多非电、非磁的物理量例如力、力矩、压力、应力、位置、位移、速度、加速度、角度、角速度、转数、转速以及工作状态发生变化的时间等,转变成电量来进行检测和控制。
霍尔开关
按照霍尔开关的感应方式可将它们分为:单极性霍尔开关、双极性霍尔开关、全极性霍尔开关。
单极性霍尔开关的感应方式:磁场的一个磁极靠近它,输出低电位电压(低电平)或关的信号,磁场磁极离开它输出高电位电压(高电平)或开的信号,但要注意的是,单极性霍尔开关它会指定某磁极感应才有效,一般是正面感应磁场S极,反面感应N极。
双极性霍尔开关的感应方式:因为磁场有两个磁极N、S(正磁或负磁),所以两个磁极分别控制双极性霍尔开关的开和关(高低电平),它一般具有锁定的作用,也就是说当磁极离开后,霍尔输出信号不发生改变,直到另一个磁极感应。另外,双极性霍尔开关的初始状态是随机输出,有可能是高电平,也有可能是低电平。
全极性霍尔开关的感应方式:全极性霍尔开关的感应方式与单极性霍尔开关的感应方式相似,区别在于,单极性霍尔开关会指定磁极,而全极性霍尔开关不会指定磁极,任何磁极靠近输出低电平信号,离开输出高电平信号。
线性霍尔
线性霍尔元件是一种模拟信号输出的磁传感器,输出电压随输入的磁力密度线性变化。
线性霍尔效应传感器 IC 的电压输出会精确跟踪磁通密度的变化。在静态(无磁场)时,从理论上讲,输出应等于在工作电压及工作温度范围内的电源电压的一半。增加南极磁场将增加来自其静态电压的电压。相反,增加北极磁场将增加来自其静态电压的电压。这些部件可测量电流的角、接近性、运动及磁通量。它们能够以磁力驱动的方式反映机械事件。
恒流工作电路
温度变化引起霍尔元件的输入电阻变化,从而使控制电流发生变化带来误差,为了减少这种误差,常采用恒流源供电,如图1所示。在恒流工作条件下,没有霍尔元件输入电阻和磁阻效应的影响。

恒压工作电路
恒压工作比恒流工作的性能要差些,只适用于精度要求不太高的地方,如图2所示。

差分放大电路
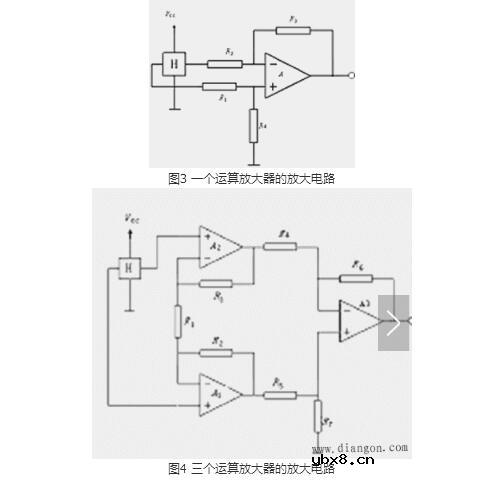
霍尔元件的输出电压一般较小,需要用放大电路放大其输出电压。为了获得较好的放大效果,需采用差分放大电路,如图3所示。使用一个运算放大器时,霍尔元件的输出电阻可能会大于运算放大器的输入电阻,从而产生误差,而采用图4所示的电路,则不存在这个问题。

霍尔元件的应用电路图

相关热词:#霍尔元件
影响介电常数的因素有哪些?
时间:2026-04-22
关于电流互感器基础知识介绍
时间:2026-04-22
开关电源的工作原理及特性
时间:2026-04-22
绝缘栅双极型晶体管(IGBT)外形、等效结构与...
时间:2026-04-22
信噪比(SNR)的定义,如何计算信噪比
时间:2026-04-22
波特率是什么意思_怎样计算波特率
时间:2026-04-21
RS485基本知识介绍
时间:2026-04-18
什么是激光雷达?激光雷达的构成与分类
时间:2026-04-18
Excelpoint - 一文了解SiC MOS的应用
时间:2026-04-18
什么是磁电阻器?磁电阻特性及应用
时间:2026-04-18
基于逻辑门的构成解释如何完成任意逻辑的管...
时间:2026-03-08
彩灯电路
时间:2026-03-05
NE555的有趣电路设计分享
时间:2026-03-08
三相异步电动机原理
时间:2026-03-04
光耦在电子电路中作用、关键参数详解
时间:2026-03-08
三相异步电动机的拆装详讲
时间:2026-03-04
从0学电路,万用表演示测量三极管方法
时间:2026-03-08
电动机单线远程正反转控制电路图
时间:2026-03-04
H桥电机驱动电路解析
时间:2026-03-08
转角测量电路
时间:2026-03-05