机械开关闭合时,一般都会产生“抖动”,在某些控制电路中,是不允许这种现象发生的。如图所示,为单脉冲发生器,可有效地去除机械开关的抖动问题。

图、单脉冲发生器
开机时,R、C清零IC1,Q1=Q2=0。J—K触发器IC1接成2位移位寄存器。当开关K置a时,门c输出“1”,CP脉冲来到时,Q1=J1=1,此时,若K产生了抖动,假设为一通一断,只要K不与—a接通,门c输出为“1”不变。在下一个CP脉冲来到时,Q2=J2=1,Q1和—Q2的状态改变正好经历了1个CP脉冲的周期,经与非门2a后,输出1个单脉冲。波形图如图所示。

图、单脉冲发生器波形图
安装在逻辑开关的右边。当按、放一次按纽“P”时,可在P+、P—端同时产生正极性和负极性单次脉冲。电路如附图1-6所示。单次脉冲分别在输入(出)插孔板上对应的P+、P—插孔输出。单脉冲发生器的电源与+5V电源在内部已接通。由于采用了防抖动电路,输出电平是无抖动的。

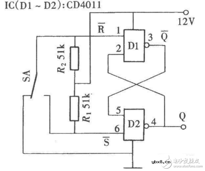
单次脉冲本来是可以由按钮式开关来获取的,但是由于在按钮的按动过程中极易发生抖动现象,因而所获取的往往并不是单个的脉冲,而是一组数目不定的脉冲串,虽然有的电路中加有防抖动电路,但对于某些电路仍不能保证其工作的可靠性。如图所示电路可以确保每按动一次按钮,可以取得一个脉冲,工作十分可靠。

真值表

相关热词:#脉冲发生器
波特率是什么意思_怎样计算波特率
时间:2026-04-21
RS485基本知识介绍
时间:2026-04-18
什么是激光雷达?激光雷达的构成与分类
时间:2026-04-18
Excelpoint - 一文了解SiC MOS的应用
时间:2026-04-18
什么是磁电阻器?磁电阻特性及应用
时间:2026-04-18
什么是电场?电场在电容器中的应用
时间:2026-04-18
什么是ARM64?
时间:2026-04-17
vga和hdmi的区别
时间:2026-04-17
什么是ESD?ESD及TVS的原理和应用
时间:2026-04-17
开关电源原理与维修完整版 (10)_标清视频
时间:2026-04-16
基于逻辑门的构成解释如何完成任意逻辑的管...
时间:2026-03-08
彩灯电路
时间:2026-03-05
NE555的有趣电路设计分享
时间:2026-03-08
三相异步电动机原理
时间:2026-03-04
三相异步电动机的拆装详讲
时间:2026-03-04
从0学电路,万用表演示测量三极管方法
时间:2026-03-08
电动机单线远程正反转控制电路图
时间:2026-03-04
光耦在电子电路中作用、关键参数详解
时间:2026-03-08
H桥电机驱动电路解析
时间:2026-03-08
转角测量电路
时间:2026-03-05