超外差式收音机机主要由输入调谐电路、混频电路、中放电路、检波电路、前置低放、功率放大电路和喇叭或耳机组成。
1、输入电路,即选择电路,或称调谐电路把空中许多无线广播电台发出的信号选择其中的一个,送给变频级中的混频电路。
2、混频将输入电路送来的已调幅调信号变为中频调幅信号,而他们所携带的信号是不变的,即调幅信号的频率变为中频,但其幅值变化规律不改变。不管输入的高频信号的频率如何,混频后的频率是固定的,我国规定为465千赫。
3、中放将中频调幅信号放大到检波器所要求的大小。由检波器将中频调幅信号所携带的音频信号取下来,送给前置低放。
4、前置低放将检波出来的音频信号进行电压放大。再由功放将音频信号放大,放大到其功率能够推动扬声器或耳机的水平,扬声器或耳机将音频信号转变为声音。
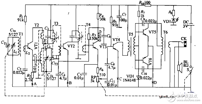
调谐回路是由可变电容cI.、Cn和天线线圈L】组成。调节可变电容G,。可改变LC回路的固有频率,使其等于电台频率,产生谐振,以选择不同频率的电台信号。再由天线Lz耦合到下级变频电路进行变频。
变频电路由混频、本机振荡回路和选频三部分电路组成。变频级是以晶体管VT1为中心,它兼有振荡、混频两种作用。
由晶体管VTl (3AG24)、可变电容Cib. Cr2、振荡变压器(简称中振或短振)T2和电容G、C3构成变压器反馈式振荡器。它能产生高频等幅振荡信号,由于Ci.和Clh是双连可变电容器的组成成分,同轴转动,保证了本机振荡频率总是比输入的电台信号频率高465kHz,把输入的不同频率的高频信号变换成固定的465kHz的中频信号。
输入电台信号与本振信号差出的中频信号,l恒为某一固定值465kHz,它可以在晶体管VT4组成的中频“通道”中畅通无阻,并被逐级放大,用固定调谐的中频放大器将频率固定的中频信号进行放大性能稳定。
晶体管VT3的主要作用是检波。
晶体管VT4组成电压放大级(推动级),它的主要任务是把音频信号进行放大,使功放级得到更大的音频信号电压,使收音机有足够的音量。
晶体管VT5和VT6组成乙类功率放大级,把音频信号进行功率放大,以推动扬声器发出声音。超外差式收音机电路如图。

图1.1.1所示为普通调幅收音机的通用模型,即使是集成片构成的收音机,其模型也是如此。

天线上有所有的无线电信号。输入回路的功能是从天线上选出所需要的电台。输入回路由电感和电容并联组成并联谐振槽路,具有频率选择作用。当某电台的载波频率与谐振槽路的固有频率相等时,就会发生并联谐振。此时,在谐振槽路两端产生较大的谐振电压,即表明此电台被选中。通常谐振槽路中的电容是可变的,以适应多电台选频的需要。天线接收下来的是高频载波调幅信号,波形如图1.1.1中的uA。变频级是超外差接收的核心。它的功能是把所选电台的高频调幅信号变成一个载波频率较低的中频信号(我国规定为465 kHz)。变频级自身产生一高频本地等幅振荡信号(频率为fL),与电台高频调幅信号(频率为fc)相混频,输出中频信号(频率为fL)。混频遵循±fL±fc=f1的数学模型(或叫混频方程)。通过同时改变本地振荡器的谐振电容和输入回路谐振电容来实现。通过变频级uA信号的包络不变,载波频率变为465 kHz,如图1.1.1中波形uB。中频放大器是一个高频小信号谐振放大器,中心频率为465 kHz。它的功能是对中频调幅信号进行有效的幅度放大。它通常由多级小信号谐振放大器组成。它的输出波形如图1.1.1中uC。检波器的功能是把原声音信号从调幅信号中解调出来。幅度足够大的波形uC经过二极管包络检波器输出信号如图1.1.1中波形uD(是音频信号和直流信号的叠加)。低频电压放大器的功能是对音频信号进行有效的电压放大,输出波形如图1.1.1中的uE。功率放大器的功能是对音频信号进行有效的功率放大,以推动扬声器发音。
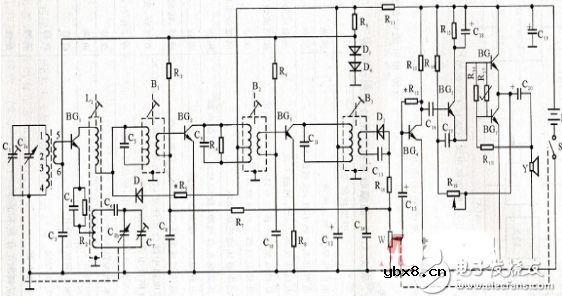
图2所示为普通七管OTL输出超外差式晶体管收音机电路。

图2 超外差式晶体管收音机电路
相关热词:#收音机
波特率是什么意思_怎样计算波特率
时间:2026-04-21
RS485基本知识介绍
时间:2026-04-18
什么是激光雷达?激光雷达的构成与分类
时间:2026-04-18
Excelpoint - 一文了解SiC MOS的应用
时间:2026-04-18
什么是磁电阻器?磁电阻特性及应用
时间:2026-04-18
什么是电场?电场在电容器中的应用
时间:2026-04-18
什么是ARM64?
时间:2026-04-17
vga和hdmi的区别
时间:2026-04-17
什么是ESD?ESD及TVS的原理和应用
时间:2026-04-17
开关电源原理与维修完整版 (10)_标清视频
时间:2026-04-16
基于逻辑门的构成解释如何完成任意逻辑的管...
时间:2026-03-08
彩灯电路
时间:2026-03-05
NE555的有趣电路设计分享
时间:2026-03-08
三相异步电动机原理
时间:2026-03-04
三相异步电动机的拆装详讲
时间:2026-03-04
从0学电路,万用表演示测量三极管方法
时间:2026-03-08
电动机单线远程正反转控制电路图
时间:2026-03-04
光耦在电子电路中作用、关键参数详解
时间:2026-03-08
H桥电机驱动电路解析
时间:2026-03-08
转角测量电路
时间:2026-03-05