用NE555开机延时输出高电平电路
开机延时输出高电平电路如上图所示。当开机接通电源后,由于电容C来不及充电,555时基电路的②、⑥脚处于高电平,③脚输出低电平。随着电容C充电,555时基电路的②、⑥脚电位下降。直到②脚电位低于1/3Vcc 时,电路状态发生翻转,③脚由低电平变为高电平,并一直保持下去。开机延迟时间tw=1.1RC. 电路中的二极管VD是为电源断电后电容C放电而设置的。这种电路一般用来控制高压电源的延迟接通或控制其他电源电路的延迟接通,故又把这种电路叫做开机高压延时电路。

电路工作原理
当按下按钮SB时,12V的电源通过电阻器Rt向电容器Ct充电,使得6脚的电位不断升高,当6脚的电位升到5脚的电位时,电路复位定时结束。由于在5脚串上了一个二极管

VD1使得5脚电位上升,因此比一般接法(悬空或通过小电容接地)具有了更长时间的定时。
元器件的选择
555电路选用NE555、μA555、SL555等时基集成电路;二极管VT1、VT2选用4148型硅开关二极管;电阻器R1、Rt选用RTX—1/4W型碳膜电阻器;电容器Ct选用电解电容器;继电器K可根据用电设备的需要选择。
制作与调试方法
电路定时时间可以通过调节电阻器Rt、电容器Ct的参数值来改变定时时间的长短。本电路结构简单,只要按照电路图焊接,选用的元器件无误,都能正常工作。
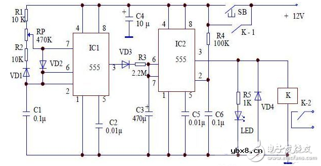
电路工作原理
电路原理如图1所示。

图1双555时基电路长延时电路图
IC1555时基电路接成占空比可调的自激多谐振荡器。当按下按钮SB后,12V的直流电压加到电路中,由于电容器C6的电压不能突变,使得IC2电路的2脚为低电平,IC2电路处于置位状态,3脚输出高电平,继电器K得电,触点K-1、K-2闭合,K-1触点闭合后形成自锁状态,K-2触点连接用电设备,达到控制用电设备通、断的作用。同时IC1555时基电路开始形成振荡,因此3脚交替输出高、低电平。当3脚输出高电平时,通过二极管VD3、电阻器R3对电容器C3充电。当3脚输出低电平时,二极管VD3截止,C3没有充电,因此只有在3脚为高电平时才对C3充电,所以电容器C3的充电时间较长。当电容器C3的电位升到2/3VDD时,IC2555时基电路复位,3脚输出低电平,继电器K失电,触点K-1、K-2断开,恢复到初始状态,为下次定时做好准备。
元器件的选择
IC1、IC2选用NE555、μA555、SL555等时基集成电路;VD1~VD4选用IN4148硅型开关二极管,发光二极管可选用一般的发光二极管;R1~R5选用RTX—1/4W型碳膜电阻器;电容器C1、C2、C5、C6选用CT1型瓷介电容器,C4选用CD11—16V电解电容器,C3选用漏电流极小的钽电解电容器;RP可用WSW型有机实心微调可变电阻器;继电器K选用JRX—13F型具有两组转换触点的小型电磁继电器。
制作与调试方法
在调试中,可以调节可变电阻器RP改变IC1555时基电路3脚输出方波脉冲的占空比,从而改变定时器的定时时间。本电路结构简单,只要按照电路图焊接,选用的元器件无误,都能正常工作。
NE555相邻脉冲等延时电路图解

一般延时开关电路多用NE555来做,但是其最高工作电压只能达到18伏,有客户要求能工作在24伏的延时开关电路,用于汽车延时点火。我用LM431设计了一个延时开关电路,它可以工作在24伏,满足了客户的要求。电原理图如下:

相关热词:#延时电路
波特率是什么意思_怎样计算波特率
时间:2026-04-21
RS485基本知识介绍
时间:2026-04-18
什么是激光雷达?激光雷达的构成与分类
时间:2026-04-18
Excelpoint - 一文了解SiC MOS的应用
时间:2026-04-18
什么是磁电阻器?磁电阻特性及应用
时间:2026-04-18
什么是电场?电场在电容器中的应用
时间:2026-04-18
什么是ARM64?
时间:2026-04-17
vga和hdmi的区别
时间:2026-04-17
什么是ESD?ESD及TVS的原理和应用
时间:2026-04-17
开关电源原理与维修完整版 (10)_标清视频
时间:2026-04-16
基于逻辑门的构成解释如何完成任意逻辑的管...
时间:2026-03-08
彩灯电路
时间:2026-03-05
NE555的有趣电路设计分享
时间:2026-03-08
三相异步电动机原理
时间:2026-03-04
三相异步电动机的拆装详讲
时间:2026-03-04
从0学电路,万用表演示测量三极管方法
时间:2026-03-08
电动机单线远程正反转控制电路图
时间:2026-03-04
光耦在电子电路中作用、关键参数详解
时间:2026-03-08
H桥电机驱动电路解析
时间:2026-03-08
转角测量电路
时间:2026-03-05