最简单的八路跑马灯电路图。用一条8PIN的数据排线把CPU部份的P1口(JP44)连接到八路指示灯部份的JP32;可以看到8路灯轮流闪烁。

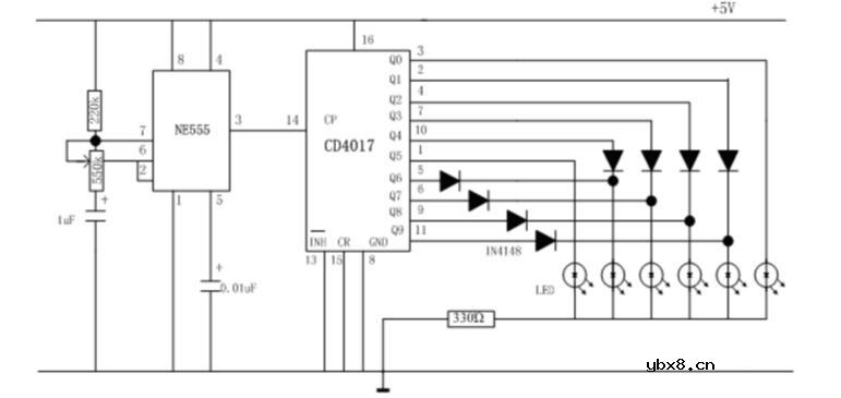
CD4017iC内部逻辑电路原理图如图所示。它是由十进制计数器电路和时序译码电路两部分组成。其中的D触发器Fl~F5构成了十进制约翰逊计数器,门电路5~14构成了时序译码电路。约翰逊计数器的结构比较简单.它实质上是一种串行移位寄存器。除了第3个触发器是通过门电路15、16构成的组合逻辑电路作用于F3的D3端以外,其余各级均是将前一级触发器的输出端连接到后一级触发器的输入端D的,计数器最后—级的端连接到第一级的D1端。这种计数器具有编码可靠,工作速度快、译码简单,只需由二输入端的与门即可译码,且译码输出无过渡脉冲干扰等特点。通常只有译码选中的那个输出端为高电平,其余输出端均为低电平。


相关热词:#CD4017
波特率是什么意思_怎样计算波特率
时间:2026-04-21
RS485基本知识介绍
时间:2026-04-18
什么是激光雷达?激光雷达的构成与分类
时间:2026-04-18
Excelpoint - 一文了解SiC MOS的应用
时间:2026-04-18
什么是磁电阻器?磁电阻特性及应用
时间:2026-04-18
什么是电场?电场在电容器中的应用
时间:2026-04-18
什么是ARM64?
时间:2026-04-17
vga和hdmi的区别
时间:2026-04-17
什么是ESD?ESD及TVS的原理和应用
时间:2026-04-17
开关电源原理与维修完整版 (10)_标清视频
时间:2026-04-16
基于逻辑门的构成解释如何完成任意逻辑的管...
时间:2026-03-08
彩灯电路
时间:2026-03-05
NE555的有趣电路设计分享
时间:2026-03-08
三相异步电动机原理
时间:2026-03-04
三相异步电动机的拆装详讲
时间:2026-03-04
从0学电路,万用表演示测量三极管方法
时间:2026-03-08
电动机单线远程正反转控制电路图
时间:2026-03-04
光耦在电子电路中作用、关键参数详解
时间:2026-03-08
H桥电机驱动电路解析
时间:2026-03-08
转角测量电路
时间:2026-03-05