二次回路(secondary circuit) 定义:测量回路、继电保护回路、开关控制及信号回路、操作电源回路、断路器和隔离开关的电气闭锁回路等全部低压回路。由二次设备互相连接,构成对一次设备进行监测、控制、调节和保护的电气回路称为二次回路。是在电气系统中由互感器的次级绕组、测量监视仪器、继电器、自动装置等通过控制电缆联成的电路。用以控制、保护、调节、测量和监视一次回路中各参数和各元件的工作状况。 用于监视测量表计、控制操作信号、继电保护和自动装置等所组成电气连接的回路均称为二次回路或称二次接线。
9、根据图10 说明闪光装置接线的构成及动作过程
答:图10 中,由KM、R、C组成闪光继电器。按下按钮SE时,它相当于一个不对应回路,闪光母线与负电源接通,闪光继电器KTW的线圈回路接通 ,电容器C经附加电阻R和“不对应”回路中的信号灯充电,于是加在KM两端的电压不断升高,当达到其动作电压时,KM动作,其常开触点KM.2闭合,闪光母线(+)WTW与正电源直接接通,信号灯全亮。同时其常闭触点KM.1断开它的线圈回路,电容C 便放电,放电后,电容C 的端电压逐渐降低,待降至KM的返回电压时,KM复归,KM.2断开,KM.1闭合,闪光母线经KM、KM.1与正电源接通,信号灯呈半亮。重复上述过程,便发出连续闪光。

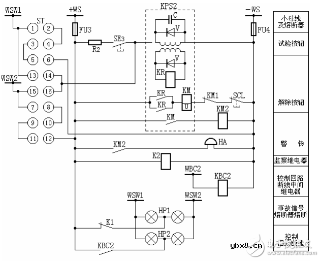
10、根据图11 说明各符号元件的名称及动作过程
答:预告信号装置是当设备发生故障或某些不正常运行情况时能自动发出音响和光字牌灯光信号的装置。它可帮助运行人员及时地发现故障及隐患,以便采取适当措施加以处理,防止事故扩大。变电所常见的预告信号有:变压器轻瓦斯动作、变压器过负荷、变压器油温过高、电压互感器二次回路断线、直流回路绝缘降低、控制回路断线、事故音响信号回路熔断器熔断、直流电压过高或过低等。
预告信号一般发自各种监测运行参数的单独继电器,例如过负荷信号由过负荷保护继电器发出。
预告信号分瞬时预告信号和延时信号两种,对某些当电力系统中发生短路故障可能伴随发出的预告信号,例如:过负荷、电压互感器二次回路断线等,都应带延时发出,其延时应大于外部短路的最大切除时限。这样,在外部短路切除后,这些由系统短路所引起的异常就会自动消失,而不让它发出警报信号,以免分散运行人员的注意力。
目前,广泛采用的中央复归带重复动作的预告信号装置,其动作原理与事故音响信号装置相同,所不同的是只是用光字牌灯泡代替了事故音响信号装置不对应启动回路中的电阻R,并用警铃代替了蜂鸣器,图16 所示为由ZC-23型冲击继电器构成的中央复归能重复动作瞬时预告信息装置接线图,其动作原理与图8 相似,图中KM1由图14 引来,用以自动解除音响,WSW1和WSW2为瞬时预告小母线。
当设备发生不正常情况时,例如控制回路断线,则KBC2动作,其常开触点闭合,通过回路+WS→ KBC2常开触点→ HP2→ WSW1和WSW2→ST13-14→ ST15-16→ KSP2→ -WS,使KSP2动作,触点KM2闭合,使警铃HA发出音响信号,同时光字牌HP2示出“控制回路断线”信号,按下解除按钮SCL,音响即可解除(也可经一定延时,自动解除),而光字牌信号直到故障消除,KBC2触点返回才会消失。由于采用了ZC-23型继电器,因而信号是可以重复动作的。为能经常检查光字牌灯泡的完好性,设有转换开关ST。处于“合”位时,ST触点1-2、3-4、5-6、7-8、9-10、11-12全接通,分别将信号电源+WS和-WS接至小母线WSW2和WSW1,使光字牌所有的灯泡亮。发预告信号时,两只灯泡是并联的,灯泡明亮,当其中一只灯泡损坏时,仍能保证发出信号。而试验光字牌时,两只灯泡则是串联的,因而灯光较暗,此时若一只灯泡损坏则该光字牌即不亮。
预告信号装置由单独的熔断器FU3、FU4供电,若FU3或FU4熔断则不能发出预告信号,所以对熔断器电源采用了灯光监视的方法。图17 为预告信号装置的熔断器监视灯接线图。正常运行时,熔断器监视继电器K2带电,其常开触点闭合,中央信号屏上的白色指示灯HW亮;当FU3熔断时,K2失电,其常闭触点闭合,HW被接至闪光小母线(+)WTW上发出闪光。

图11 用ZC-23型冲击继电器构成的中央复归能重复动作瞬时预告信号装置的回路图

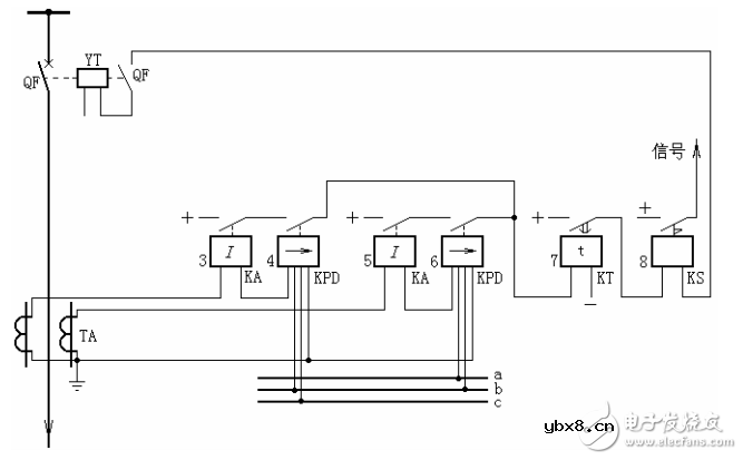
11、根据图13 说明线路方向过电流保护的构成及动作过程
答:方向过流的保护原理接线如图13 所示,电流继电器3、5是启动元件,功率方向继电器4、6是方向元件,采用90°接线(UbcIA及UabIc)。各相电流继电器的触点和对应功率方向继电器触点串联,以达到按相启动的作用。时间继电器7是使保护装置获得必要的动作时限,其触点闭合,经信号继电器8发出跳闸脉冲,使断路器QF跳闸。
方向过电流保护,由于加装了功率方向继电器,因此线路发生短路时,虽然电流继电器都可能动作,但只有流入功率方向继电器的电流与功率方向继电器规定的方向一致时(当规定指向线路时,即一次电流从母线流向线路时),功率方向继电器才动作,从而使断路器跳闸。而当流入功率方向继电器的电流与功率方向继电器规定的方向相反时(即一次电流从线路流向母线时),功率方向继电器不动作,将方向过电流保护闭锁,保证了方向过电流保护的选择性。
在正常运行时,负荷电流的方向也可能符合功率方向继电器的动作方向,其触点闭合,但此时电流继电器未动作,所以整套方向过电流保护仍被闭锁不动作。
方向过电流保护的动作时限,是将动作方向一致的保护,按逆向阶梯原则进行整定的。

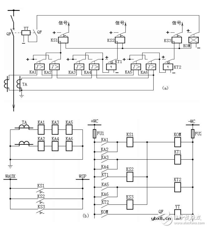
12、根据图14 说明输电线路三段式电流保护的构成及动作过程
答:线路三段式电流保护的原理接线图及展开图如图14 所示。其中KA1、KA2、KS1构成第Ⅰ段瞬时电流速断;KA3、KA4、KT1、KS2构成第Ⅱ段限时电流速断;KA5、KA6、KT2、KS3构成第Ⅲ段定时限过电流。三段保护均作用于一个公共的出口中间继电器KOM,任何一段保护动作均启动KOM,使断路器跳闸,同时相应段的信号继电器动作掉牌,值班人员便可从其掉牌指示判断是哪套保护动作,进而对故障的大概范围作出判断。

编辑点评:二次回路图的最大特点是逻辑性很强,其设备、元件的动作严格按照设计的先后顺序进行,所以看图时只要抓住一定的规律:先一次,后二次;先交流,后直流;先电源,后接线;先线圈,后触点;先上后下;先左后右。
系列回顾
二次回路电路原理图及讲解(一)——电路天天读
二次回路电路原理图及讲解(二)——电路天天读
接着看
二次回路电路原理图及讲解(四)——电路天天读
相关热词:#二次回路
影响介电常数的因素有哪些?
时间:2026-04-22
关于电流互感器基础知识介绍
时间:2026-04-22
开关电源的工作原理及特性
时间:2026-04-22
绝缘栅双极型晶体管(IGBT)外形、等效结构与...
时间:2026-04-22
信噪比(SNR)的定义,如何计算信噪比
时间:2026-04-22
波特率是什么意思_怎样计算波特率
时间:2026-04-21
RS485基本知识介绍
时间:2026-04-18
什么是激光雷达?激光雷达的构成与分类
时间:2026-04-18
Excelpoint - 一文了解SiC MOS的应用
时间:2026-04-18
什么是磁电阻器?磁电阻特性及应用
时间:2026-04-18
基于逻辑门的构成解释如何完成任意逻辑的管...
时间:2026-03-08
彩灯电路
时间:2026-03-05
NE555的有趣电路设计分享
时间:2026-03-08
三相异步电动机原理
时间:2026-03-04
三相异步电动机的拆装详讲
时间:2026-03-04
从0学电路,万用表演示测量三极管方法
时间:2026-03-08
电动机单线远程正反转控制电路图
时间:2026-03-04
光耦在电子电路中作用、关键参数详解
时间:2026-03-08
H桥电机驱动电路解析
时间:2026-03-08
转角测量电路
时间:2026-03-05