电源开关电路采用双D触发器CD4013和阻容器构成。如图所示,ICa和R1、C组成单稳态触发器。(单稳态电路只有一个稳定状态,触发翻转后经过一段时间会回到原来的稳定状态。)ICb组成双稳态触发器(双稳态电路有两个稳定状态,触发翻转后会一直保持,有记忆效用,一般作存储器或计数器)。
CP为脉冲输入端,R为复位断,S为置位端,Q为输出端。当M被按下时,CP1上升沿到来,由于D1一直为1,所以Q1为1,由低电平变为高电平,此时Q1通过R1向C1充电,当C1上电压到达触发器复位端电平时,Q1又由原来的高电平变为低电平,转换时间为0.7R1*C。由于Q1与CP2相连,在CP2处就产生了一个脉冲,又由于D与Q非相连,所以每产生一个脉冲,Q就翻转一次,达到开关的目的。

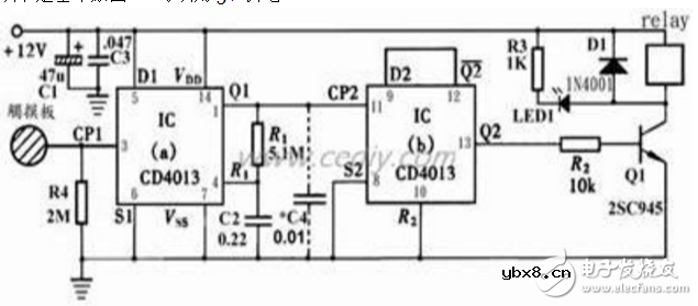
CMOS集成电路CD4013双D正反器,分别接成一个单稳态电路和一个双稳态电路。单稳态电路的作用是对触摸信号进行脉波宽度整形,保证每次触摸动作都可靠。双稳态电路用来驱动晶体管Q1的开通或关闭,进而控制继电器。
以下是基本原图:可以用5V供电

M为触摸电极片,手指摸一下M,使人体泄漏的交流电在R4上的压降,其正半周信号进入IC1的第3脚即单稳态电路的CP端,使单稳态电路反转进入瞬时,其输出端Q即1脚由原来的低电位跳变为高电位,此高电位经R1向C2充电,使4脚即R1端的电位上升,当上升到复位(Reset)电位时,单稳态电路复位,1脚恢复低电位。所以每触摸一次电极片M,1脚就输出一个固定宽度的正脉波。此正脉波将直接加到11脚即双稳态电路的CP端,使双稳态电路反转一次,其输出端Q即13脚电位就改变一次。当13脚为高电位时,Q1的基极透过R2获得正向电流而开通,使继电器动作,进而以它的接点来做控制。由此可见,每触摸一次电极片M,就能实现继电器“开”或“关”的动作。
组件选择与制作,CD4013型双D正反器数字集成电路,它采用14脚双列直插式塑封包装。Q1采用CS9013或2SC945等小功率NPN晶体管即可。以下附上CD4013 的接脚图及真值表:


注意事项:
在实际的制作上我发现了一些问题,有几点要特别再跟大家说明一下:
1. 尽量以市电经变压器降压的方式来获取5V的供电:因为使用电池供电时,有时会有不能触发的情形,因为使用电池供电时,电路本身跟大地并没实际的连接,导致人体对地泄漏的交流电并没和电路的接地发生关连,所以进入触摸点的电压也跟着变小。实际应用中发现用手拿金属物品点触,效果会更好。
2. 输入对地电阻R4(2M),也是会影响灵敏度,如果发现不够灵敏,可以把2M的电阻再加大,如2.7M。
相关热词:#CD4013
影响介电常数的因素有哪些?
时间:2026-04-22
关于电流互感器基础知识介绍
时间:2026-04-22
开关电源的工作原理及特性
时间:2026-04-22
绝缘栅双极型晶体管(IGBT)外形、等效结构与...
时间:2026-04-22
信噪比(SNR)的定义,如何计算信噪比
时间:2026-04-22
波特率是什么意思_怎样计算波特率
时间:2026-04-21
RS485基本知识介绍
时间:2026-04-18
什么是激光雷达?激光雷达的构成与分类
时间:2026-04-18
Excelpoint - 一文了解SiC MOS的应用
时间:2026-04-18
什么是磁电阻器?磁电阻特性及应用
时间:2026-04-18
基于逻辑门的构成解释如何完成任意逻辑的管...
时间:2026-03-08
彩灯电路
时间:2026-03-05
NE555的有趣电路设计分享
时间:2026-03-08
三相异步电动机原理
时间:2026-03-04
三相异步电动机的拆装详讲
时间:2026-03-04
从0学电路,万用表演示测量三极管方法
时间:2026-03-08
电动机单线远程正反转控制电路图
时间:2026-03-04
光耦在电子电路中作用、关键参数详解
时间:2026-03-08
H桥电机驱动电路解析
时间:2026-03-08
转角测量电路
时间:2026-03-05