74LS138为3线-8线译码器,共有54/74S138和 54/74LS138两种线路结构型式,其工作原理如下:
当一个选通端(G1)为高电平,另两个选通端(/(G2A)和/(G2B))为低电平时,可将地址端(A、B、C)的二进制编码在一个对应的输出端以低电平译出。利用 G1、/(G2A)和/(G2B)可级联扩展成 24 线译码器;若外接一个反相器还可级联扩展成 32 线译码器。若将选通端中的一个作为数据输入端时,74LS138还可作数据分配器。

无论从逻辑图还是功能表我们都可以看到74LS138的八个输出引脚,任何时刻要么全为高电平1—芯片处于不工作状态,要么只有一个为低电平0,其余7个输出引脚全为高电平1。如果出现两个输出引脚同时为0的情况,说明该芯片已经损坏。
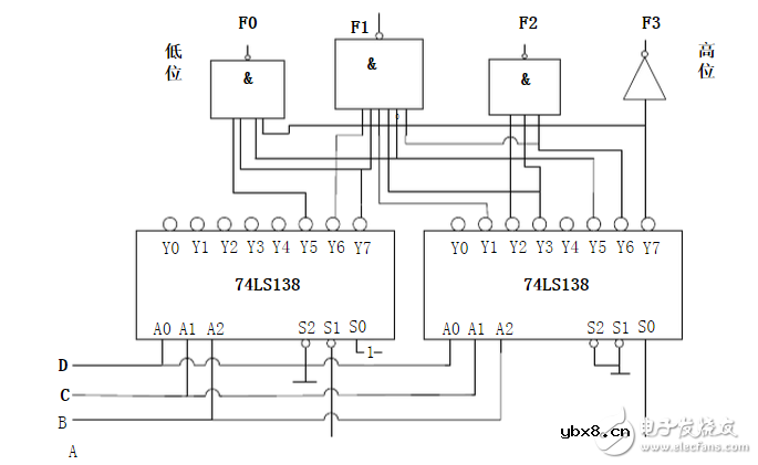
使用74138和必要的门电路设计一个乘法器电路。能实现两位二进制数相乘,并输出结果。

两位二进制数相乘真值表。设两个乘数是AB和CD,结果是F3F2F1F0

写出最小项逻辑表达式:
F3=m15
F2=m10+m11+m14→F2=(m10’m11’m14’)’
F1=m6+m7+m9+m11+m13+m14
F0=m5+m7+m13+m15
相关热词:#74ls138
波特率是什么意思_怎样计算波特率
时间:2026-04-21
RS485基本知识介绍
时间:2026-04-18
什么是激光雷达?激光雷达的构成与分类
时间:2026-04-18
Excelpoint - 一文了解SiC MOS的应用
时间:2026-04-18
什么是磁电阻器?磁电阻特性及应用
时间:2026-04-18
什么是电场?电场在电容器中的应用
时间:2026-04-18
什么是ARM64?
时间:2026-04-17
vga和hdmi的区别
时间:2026-04-17
什么是ESD?ESD及TVS的原理和应用
时间:2026-04-17
开关电源原理与维修完整版 (10)_标清视频
时间:2026-04-16
基于逻辑门的构成解释如何完成任意逻辑的管...
时间:2026-03-08
彩灯电路
时间:2026-03-05
NE555的有趣电路设计分享
时间:2026-03-08
三相异步电动机原理
时间:2026-03-04
三相异步电动机的拆装详讲
时间:2026-03-04
从0学电路,万用表演示测量三极管方法
时间:2026-03-08
电动机单线远程正反转控制电路图
时间:2026-03-04
光耦在电子电路中作用、关键参数详解
时间:2026-03-08
H桥电机驱动电路解析
时间:2026-03-08
转角测量电路
时间:2026-03-05