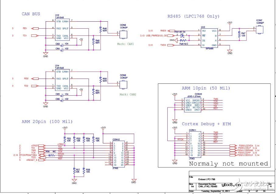
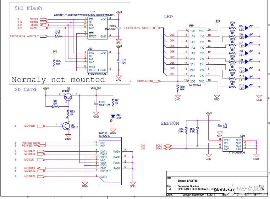
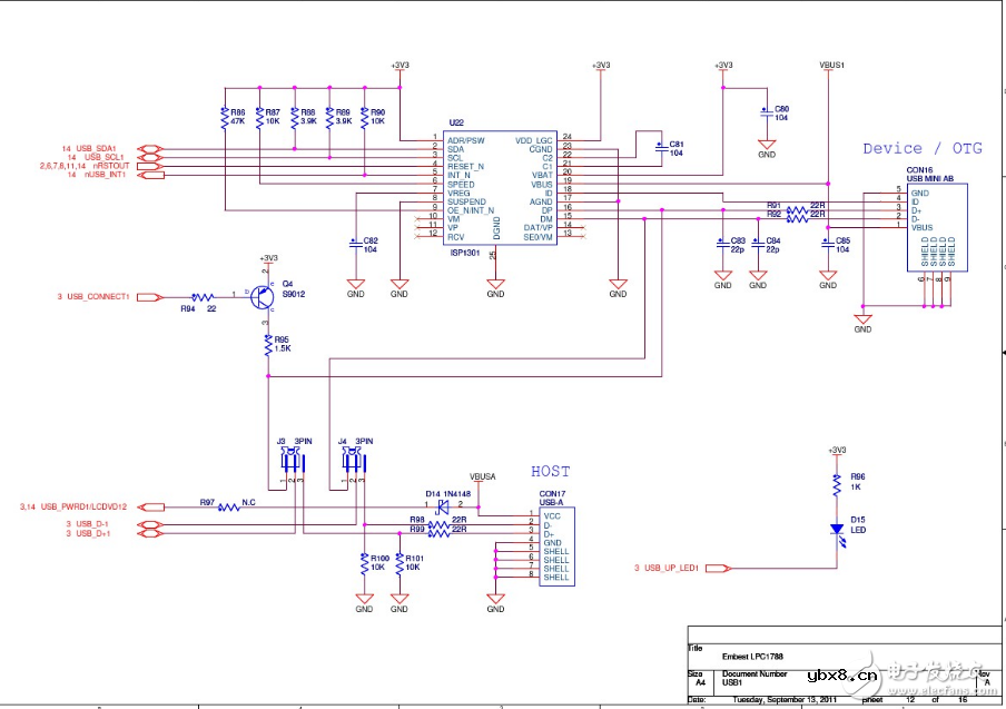
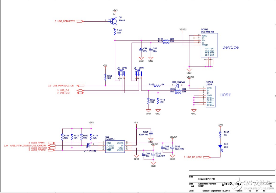
LPC1788是一种适合嵌入式应用的Cortex-M3微控制器,具有较高的整合度和低功耗,运行频率为120 MHz。功能包括512 kB闪存、96 kB数据存储器、以太网、USB 2.0设备/主机/OTG、8通道DMA控制器、5个UART、2个CAN通道、3个SSP/SPI、3个I2C、I2S、8通道12位ADC、10位DAC、QEI、LCD控制器、SD/MMC接口、电机控制PWM、4个通用定时器、6输出通用PWM、带独立电池供电的超低功耗实时时钟以及最多165个通用I/O引脚。
















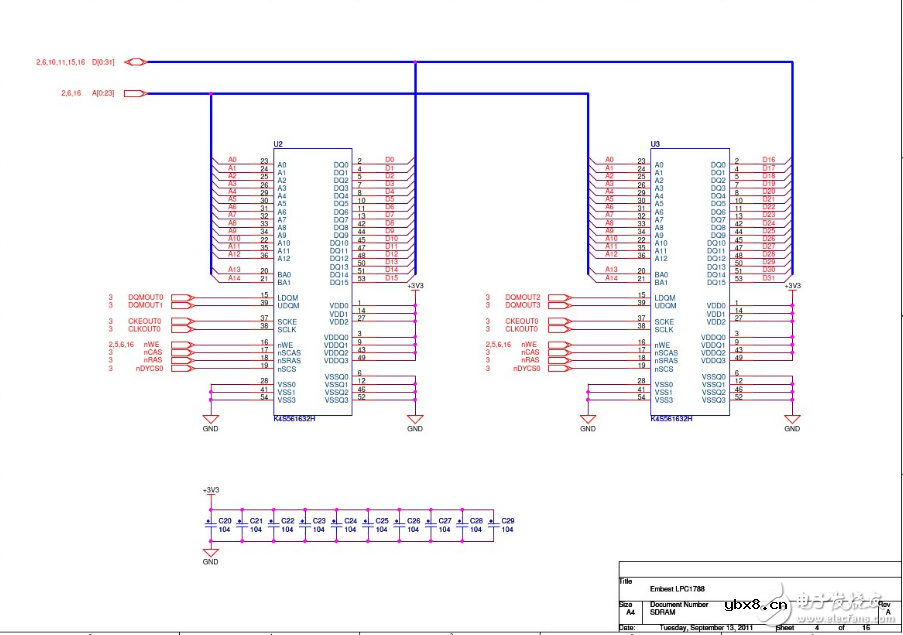
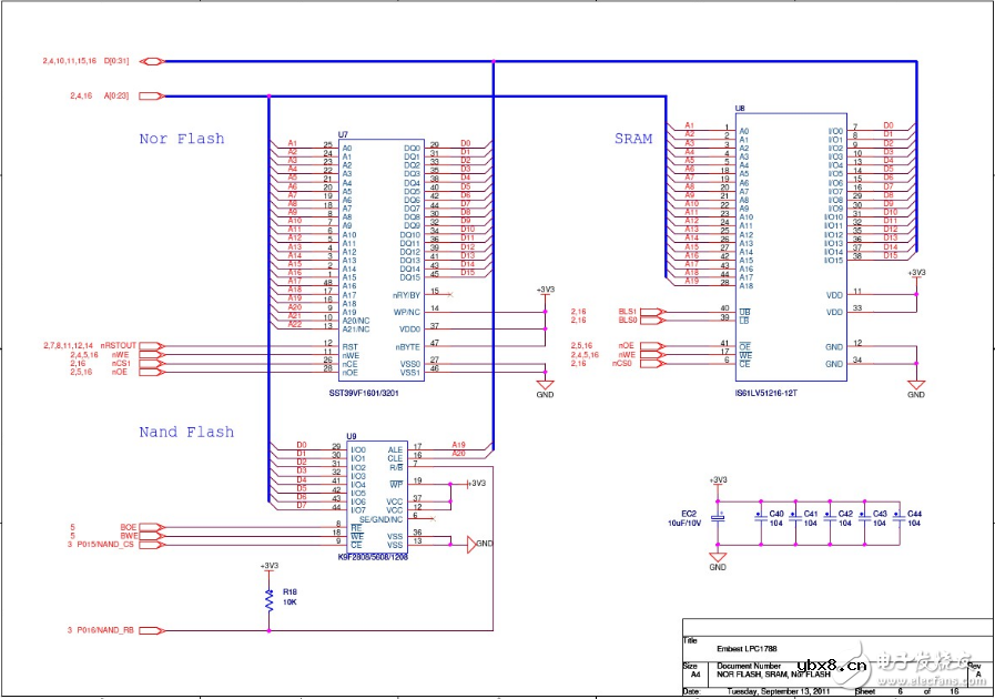
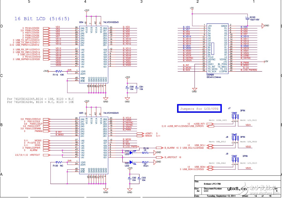
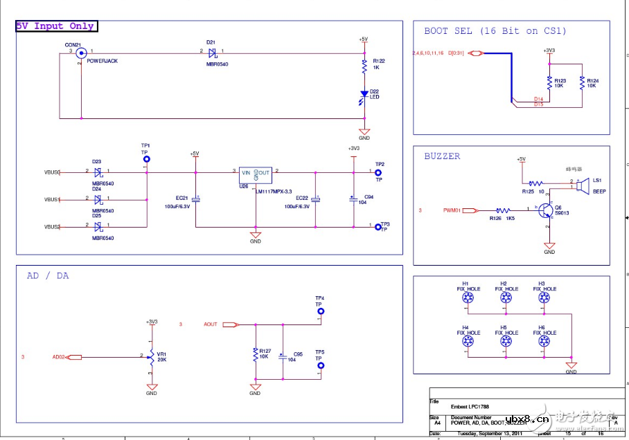
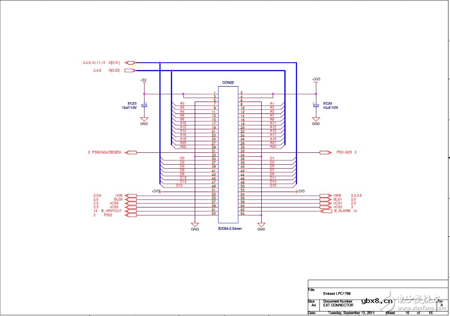
MYD-LPC1788开发板是由米尔科技推出的一款基于NXP(恩智浦)LPC1788 Cortex-M3内核的全功能开发板。该开发板具丰富的存储资源,包括片内512 KB FLASH、96KB SRAM和4KB EEPROM,以及片外32MB SDRAM、1MB SRAM、2MB NorFlash, 256B EEPROM, 4MB SPI Flash。
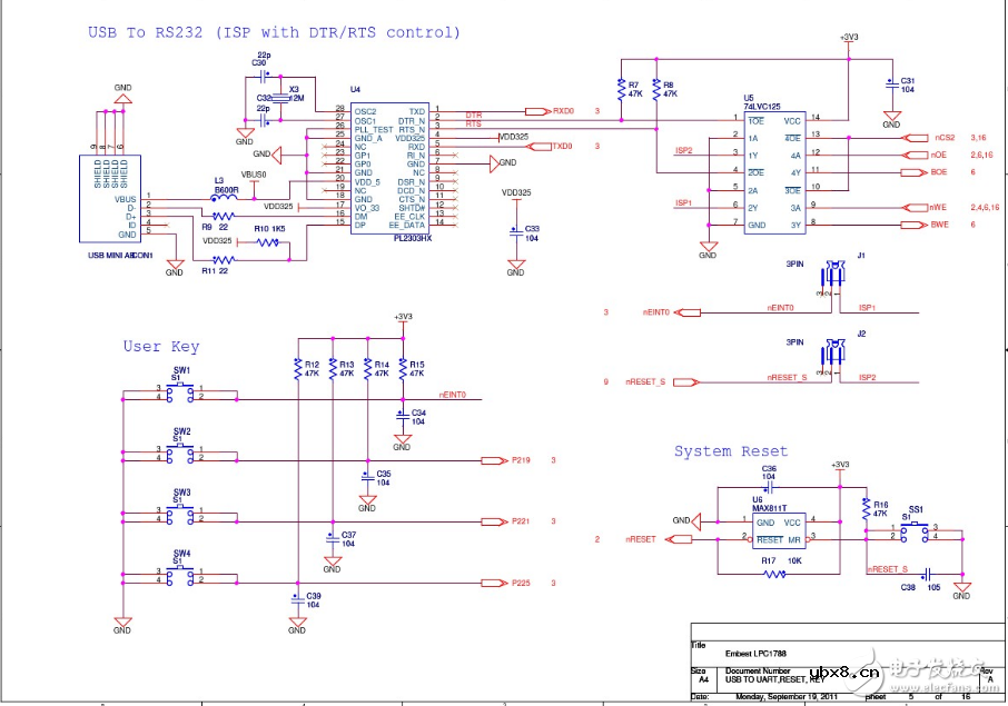
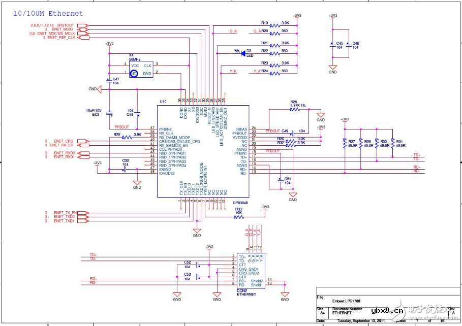
MYD-LPC1788开发板上扩展了SD Card、USB Host/Device/OTG、CAN、RS485、音频输入输出、以太网、LCD和JTAG等接口,丰富的外围资源和软件例程搭建了一个强大完善的开发平台,帮助客户在开发设计LPC1788上游刃有余。
应用领域
MYD-LPC1788系列开发板应用领域:便携式数据终端、汽车控制、工业控制、医疗设备、家庭自动化、自动化资讯娱乐设备、安防系统、教学仪器、测试与测量仪器等。
相关热词:#原理图
影响介电常数的因素有哪些?
时间:2026-04-22
关于电流互感器基础知识介绍
时间:2026-04-22
开关电源的工作原理及特性
时间:2026-04-22
绝缘栅双极型晶体管(IGBT)外形、等效结构与...
时间:2026-04-22
信噪比(SNR)的定义,如何计算信噪比
时间:2026-04-22
波特率是什么意思_怎样计算波特率
时间:2026-04-21
RS485基本知识介绍
时间:2026-04-18
什么是激光雷达?激光雷达的构成与分类
时间:2026-04-18
Excelpoint - 一文了解SiC MOS的应用
时间:2026-04-18
什么是磁电阻器?磁电阻特性及应用
时间:2026-04-18
基于逻辑门的构成解释如何完成任意逻辑的管...
时间:2026-03-08
彩灯电路
时间:2026-03-05
NE555的有趣电路设计分享
时间:2026-03-08
三相异步电动机原理
时间:2026-03-04
三相异步电动机的拆装详讲
时间:2026-03-04
从0学电路,万用表演示测量三极管方法
时间:2026-03-08
电动机单线远程正反转控制电路图
时间:2026-03-04
光耦在电子电路中作用、关键参数详解
时间:2026-03-08
H桥电机驱动电路解析
时间:2026-03-08
转角测量电路
时间:2026-03-05