洗碗机是一种自动清洗餐具的厨房设备,它的出现减轻了炊事员及家庭“煮夫”的劳动强度,并且提高了相应地工作效率。目前,洗碗机在欧美已经广泛用于普通家庭中。有数据统计,在欧美主要国家,洗碗机的普及率已达到70%以上,几乎是家家户户必备的厨房生活电器,由于洗碗机在中国的发展时间较短,家庭普及率很低。随着科技和时代的进步,人们追求生活的便利性也在增长,洗碗机必然受到当代青年的追求。
本设计是一种基于单片机去实现自动洗碗机的功能,实现一键操作整个过程。本设计的洗碗机主要过程包括自动进水、循环洗碗、自动出水的功能,并能实时地显示出当前剩余的时间;另外,为了更好地实现生活的便利性,该系统还设计了对碗筷等进行紫外光消毒、风干等功能。为了实现各部分的功能,本设计主要采用单片机的定时/计数器的功能去控制时间变量。通过对时间变量的比较,达到控制洗碗机按照自动进水、自动循环搅动、自动出水、风干、消毒等程序顺序执行,从而实现一键启动洗碗机的简单操作流程。洗碗机整体设计框图如图1所示。

图1 洗碗机整体设计框图
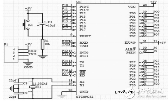
本设计采用STC89C52单片机作为核心处理器。STC89C52是一种带8K系统可编程Flash存储器的低功耗、高性能CMOS8位微处理器。它是增强型的8051单片机,指令代码完全兼容传统8051单片机,用户可应用的程序空间为8K字节,片上集成了512字节RAM,具有EEPROM功能以及看门狗功能。除此之外,还具有3个16位定时器/计数器。在编程上,其ISP/IAP无需专用编程器以及专用的仿真器,直接可以通过串口线下载程序。单片机的时钟电路通常采用内部时钟电路,利用石英晶体和电容组成的并联谐振回路。晶振的负载电容

式中的Cd,Cg分别为接在晶振的两个引脚上和对地的电容,而Cic+c的经验值是3-5pf,电容的大小可以起到频率微调的作用。通常晶振在11.592MHZ的时候,所匹配的电容为22p。复位电路能使单片机在出错后,能够使个寄存器的值变回初始状态的操作。在时钟电路工作后,复位引脚上出现持续的2个机器周期的高电平就能完成复位操作。为了便于操作,通常采用开关复位的模式,按键按下的时候,电容C短路,RST出现高电平。如果时间超过复位的时间,即可完成复位操作。当按键弹起后,由于电容(隔直通交)的作用,使得RESET引脚出现低电平,即可使单片机恢复正常运行。其电阻R与电容C的大小的选择,只要其时间常数τ=RC的值大于2个机器周期即可。STC89C52的EA/VPP引脚控制着程序访问的地方,当EA=1时,CPU从片内ROM读取指令;EA=0时,CPU从片外ROM读取指令。由于片内ROM能满足本设计的存储大小,故本设计的引脚设置为高电平。STC89C52单片机可通过IAP模式进行程序下载,即通过串口接受需要烧录的程序代码,然后进行“自编程”完成烧录。因此电路设计上预留RXD、TXD的接口连接RS232转TTL的模块上来完成烧录的功能。单片小系统电路图如图2所示。

图2 单片机小系统电路图
相关热词:#STC89C52
波特率是什么意思_怎样计算波特率
时间:2026-04-21
RS485基本知识介绍
时间:2026-04-18
什么是激光雷达?激光雷达的构成与分类
时间:2026-04-18
Excelpoint - 一文了解SiC MOS的应用
时间:2026-04-18
什么是磁电阻器?磁电阻特性及应用
时间:2026-04-18
什么是电场?电场在电容器中的应用
时间:2026-04-18
什么是ARM64?
时间:2026-04-17
vga和hdmi的区别
时间:2026-04-17
什么是ESD?ESD及TVS的原理和应用
时间:2026-04-17
开关电源原理与维修完整版 (10)_标清视频
时间:2026-04-16
基于逻辑门的构成解释如何完成任意逻辑的管...
时间:2026-03-08
彩灯电路
时间:2026-03-05
NE555的有趣电路设计分享
时间:2026-03-08
三相异步电动机原理
时间:2026-03-04
三相异步电动机的拆装详讲
时间:2026-03-04
从0学电路,万用表演示测量三极管方法
时间:2026-03-08
电动机单线远程正反转控制电路图
时间:2026-03-04
光耦在电子电路中作用、关键参数详解
时间:2026-03-08
H桥电机驱动电路解析
时间:2026-03-08
转角测量电路
时间:2026-03-05