温度变送器采用热电偶、热电阻作为测温元件,从测温元件输出信号送到变送器模块,经过稳压滤波、运算放大、非线性校正、V/I转换、恒流及反向保护等电路处理后,转换成与温度成线性关系的4~20mA电流信号0-5V/0-10V电压信号,RS485数字信号输出。
作用
将物理测量信号或普通电信号转换为标准电信号输出或能够以通讯协议方式输出的设备。温度变送器是将温度变量转换为可传送的标准化输出信号的仪表,主要用于工业过程温度参数的测量和控制。电流变送器是将被测主回路交流电流转换成恒流环标准信号,连续输送到接收装置。
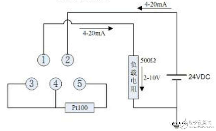
温度电流变送器是把温度传感器的信号转变为电流信号,连接到二次仪表上,从而显示出对应的温度。比如,图中该温度传感器的型号为PT100,那么温度电流变送器的作用就是把电阻信号转变为电流信号,输入仪表,显示温度。
性能指标温度变送器是一种将温度变量转换为可传送的标准化输出信号的仪表。主要用于工业过程温度参数的测量和控制。
带传感器的变送器通常由两部分组成:传感器和信号转换器。传感器主要是热电偶或热电阻;信号转换器主要由测量单元、信号处理和转换单元组成(由于工业用热电阻和热电偶分度表是标准化的,因此信号转换器作为独立产品时也称为变送器),有些变送器增加了显示单元,有些还具有现场总线功能。如右图:

变送器如果由两个用来测量温差的传感器组成,输出信号与温差之间有一给定的连续函数关系。故称为温度变送器。
变送器输出信号与温度变量之间有一给定的连续函数关系(通常为线性函数),早期生产的变送器其输出信号与温度传感器的电阻值(或电压值)之间呈线性函数关系。
标准化输出信号主要为0mA~10mA和4mA~20mA(或1V~5V)的直流电信号。不排除具有特殊规定的其他标准化输出信号。温度变送器按供电接线方式可分为两线制和四线制,除RWB型温度变送器为三线制外。
变送器有电动单元组合仪表系列的和小型化模块式的,多功能智能型的。前者均不带传感器,后两类变送器可以方便的与热电偶或热电阻组成带传感器的变送器。
应用领域
石油、化工、化纤;纺织、橡胶、建材;电力、冶金、医药;食品等工业领域现场测温过程控制;特别适用于计算机测控系统,也可与仪表配套使用。








1、温度变送器接线前,检查配件是否齐全,紧固件有无松动,将天线拧紧。
2、温度变送器接线时,注意轻拿轻放,切勿敲、摔。将天线拧紧后即可正常工作
3、温度变送器接线后,加电后,禁止非操作人员打开前盖,如操作人员误操作后,严禁保存,断电后重新开启即可。
购买的正规温度变送器一般都附带有说明书,上面有温度变送器接线图,照着安装就行,如果没有,就要请专业人士来知道安装,以免出现不是由产品质量引起的故障。
相关热词:#温度变送器
影响介电常数的因素有哪些?
时间:2026-04-22
关于电流互感器基础知识介绍
时间:2026-04-22
开关电源的工作原理及特性
时间:2026-04-22
绝缘栅双极型晶体管(IGBT)外形、等效结构与...
时间:2026-04-22
信噪比(SNR)的定义,如何计算信噪比
时间:2026-04-22
波特率是什么意思_怎样计算波特率
时间:2026-04-21
RS485基本知识介绍
时间:2026-04-18
什么是激光雷达?激光雷达的构成与分类
时间:2026-04-18
Excelpoint - 一文了解SiC MOS的应用
时间:2026-04-18
什么是磁电阻器?磁电阻特性及应用
时间:2026-04-18
基于逻辑门的构成解释如何完成任意逻辑的管...
时间:2026-03-08
彩灯电路
时间:2026-03-05
NE555的有趣电路设计分享
时间:2026-03-08
三相异步电动机原理
时间:2026-03-04
三相异步电动机的拆装详讲
时间:2026-03-04
从0学电路,万用表演示测量三极管方法
时间:2026-03-08
电动机单线远程正反转控制电路图
时间:2026-03-04
光耦在电子电路中作用、关键参数详解
时间:2026-03-08
H桥电机驱动电路解析
时间:2026-03-08
转角测量电路
时间:2026-03-05