LM1875为单片30W集成功率放大电路。它的主要特性:最大输出功率为30W(8欧),开环增益90dB,总谐波失真0,02%,功率带宽为70kHz,最大电流容量3A,供电电压范围为15-20V。
(1)稳定性。闭环增益在10dB或稍大于10dB使用时,电路工作最稳定。和其它大电流放大器件一样,当因布线不当造成输出与输入之间产生耦台时,会出现自激。可在3脚、5脚与地之间加入0.1uF的退耦电容。
电路的输出可直接与扬声器连接(不安全)也可通过电容与扬声器耦台。并在输出与地之间加入平衡网络,用1欧电阻与0.22v.F电容串联。
(2)保护:正常应用时,工作电流限制在4A左右,当输出管加上高电压时,则降低最大电流,以确保安全。
LM1875在驱动非线性的电抗性负载时,例如装有保护继电器的扬声器时,由于电感反动势的作用,可能使负载上的电压摆幅超过电源电压,导致晶体管损坏,一般电路常用反向电压泄放二极管以保安全,这就是所谓的SOA保护。LM1875内装有SOA保护电路,确保电路安全。
(3)过热保护。LM1875内部设有先进的过热保护电路,当管芯温度达到170℃时,电路自动停止工作。当温度降至145℃时,又重新工作。此后若温度再度上升时,只要升到150℃时,即停止工作。这样即使在持续故障下也能保证过热保护的可靠性。
下图是单电源供电电路图:

TDA2040是单片集成音频放大器,AB类模式运行。该集成电路还内置电路短路保护和热关机和更多的可以从单电源操作过于。该放大器可提供12瓦到8欧姆扬声器。
电路中的IC是有线,以经营从汽车12V线。电容C7是输入直流去耦电容和R4提供反馈。网络由电阻R5和电容C5提供高频率稳定度和防止振荡的机会。电容C6夫妇的IC输出到扬声器。C2和C1是电源滤波器。
车音响电路采用TDA2040的电路图

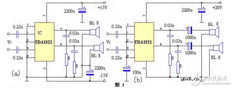
TDA1521A制作功放电路,具有外围元件少,不用调试,一装就响的特点。适合自制,用于随身听功率接续,或用于改造低档电脑有源音箱。TDA1521A采用九脚单列直插式塑料封装,具有输出功率大、两声道增益差小、开关机扬声器无冲击声及可靠的过热过载短路保护等特点。TDA1521A既可用正负电源供电,也可用单电源供电,电路原理分别见图1(a)、(b)。双电源供电时,可省去两个音频输出电容,高低音音质更佳。单电源供电时,电源滤波电容应尽量靠近集成电路的电源端,以避免电路内部自激。制作时一定要给集成块装上散热片才能通电试音,否则容易损坏集成块。散热板不能小于200×100×2mm3。

TDA2030A为单声道功放集成电路如下。

相关热词:#功放电路
波特率是什么意思_怎样计算波特率
时间:2026-04-21
RS485基本知识介绍
时间:2026-04-18
什么是激光雷达?激光雷达的构成与分类
时间:2026-04-18
Excelpoint - 一文了解SiC MOS的应用
时间:2026-04-18
什么是磁电阻器?磁电阻特性及应用
时间:2026-04-18
什么是电场?电场在电容器中的应用
时间:2026-04-18
什么是ARM64?
时间:2026-04-17
vga和hdmi的区别
时间:2026-04-17
什么是ESD?ESD及TVS的原理和应用
时间:2026-04-17
开关电源原理与维修完整版 (10)_标清视频
时间:2026-04-16
基于逻辑门的构成解释如何完成任意逻辑的管...
时间:2026-03-08
彩灯电路
时间:2026-03-05
NE555的有趣电路设计分享
时间:2026-03-08
三相异步电动机原理
时间:2026-03-04
三相异步电动机的拆装详讲
时间:2026-03-04
从0学电路,万用表演示测量三极管方法
时间:2026-03-08
电动机单线远程正反转控制电路图
时间:2026-03-04
光耦在电子电路中作用、关键参数详解
时间:2026-03-08
H桥电机驱动电路解析
时间:2026-03-08
转角测量电路
时间:2026-03-05