无线话筒线圈L1匝间距离变近和换容量大一点的电容关联会使发射频率变低;要使发射频率变高,就需要采取相反的措施。和L1并联的电容变化范围不可以太大和太小,否则发射频率会偏到离谱,甚至不会产生高频发射信号(电路不会起振)。如果你想要更远的传输距商,请给收音机和无线话筒增加更好的天线,并适当升高无线话筒的电源电压。
简易型无线话筒中的L2用铁线短路;调节增强型无线话筒中的L2、L3可以使距离会达到最远。选用灵敏度更高、选择性更强的高档收音机可以进行更远距离的接收。
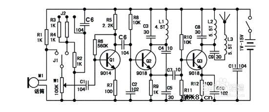
频率:88MHz到108MHz距离范围:20到50米(1V---15V)供电

增强型的原理图:
频率:88MHz到108MHz距离范围:100到300米(1V---15V)供电

频率:88MHz到108MHz距离范围:20到30米3V供电。
该电路(见图)采用电容反馈振荡器,其频率稳定、可调。它的反馈信号是以电容分压的形式,将振荡管的输出信号反馈到输入端。其中Re为直流负反馈电阻,C3为隔直耦合电容,Ce为发射极旁路电容。L、C1、C2、C组成谐振回路。由于C2相当于接在晶体管BG的基极与发射极之间,又构成了由C1、C2分压的反馈式电路,反馈信号取自C2上的电压。该电路的振荡频率为f=1/2π,其中C=C1C2/C1+C2。

制作点评
该调频话筒简单易作,比较适合初学者仿制。在空旷地区,本电路发射距离为20~30米。长时间工作频率有较大的偏移。信号的谐波含量多,对邻频会产生干扰。在具体制作时,MIC最好不要用软导线引出,而要将其焊牢在电路板上。电感L可在Φ0.3mm圆棒上绕5-7匝脱胎而成,在调好匝距后,用高频蜡固定。在判断电路是否起振时,可用以下简法。用普通指针万用表AC2V挡,任一表笔悬空,另一表笔接触天线,若发现指针有摆动,说明电路已起振,即可做拉距调试。
频率:70MHz到120MHz 距离范围:20到30米 9V供电

频率:88MHz到108MHz 距离范围:100到200米 3V供电

相关热词:#无线话筒
影响介电常数的因素有哪些?
时间:2026-04-22
关于电流互感器基础知识介绍
时间:2026-04-22
开关电源的工作原理及特性
时间:2026-04-22
绝缘栅双极型晶体管(IGBT)外形、等效结构与...
时间:2026-04-22
信噪比(SNR)的定义,如何计算信噪比
时间:2026-04-22
波特率是什么意思_怎样计算波特率
时间:2026-04-21
RS485基本知识介绍
时间:2026-04-18
什么是激光雷达?激光雷达的构成与分类
时间:2026-04-18
Excelpoint - 一文了解SiC MOS的应用
时间:2026-04-18
什么是磁电阻器?磁电阻特性及应用
时间:2026-04-18
基于逻辑门的构成解释如何完成任意逻辑的管...
时间:2026-03-08
彩灯电路
时间:2026-03-05
NE555的有趣电路设计分享
时间:2026-03-08
三相异步电动机原理
时间:2026-03-04
三相异步电动机的拆装详讲
时间:2026-03-04
从0学电路,万用表演示测量三极管方法
时间:2026-03-08
电动机单线远程正反转控制电路图
时间:2026-03-04
光耦在电子电路中作用、关键参数详解
时间:2026-03-08
H桥电机驱动电路解析
时间:2026-03-08
转角测量电路
时间:2026-03-05