数字钟实际上是一个对标准频率(1HZ)进行计数的计数电路。由于计数的起始时间不可能与标准时间(如北京时间)一致,故需要在电路上加一个校时电路,同时标准的1HZ时间信号必须做到准确稳定。通常使用石英晶体振荡器电路构成数字钟。
将时钟信号输给秒模块,秒模块的进位输给分模块,分模块进位输入给时模块,切换的时候使用2选1数据选择器进行切换,电路框图如下:

该方案的优点是模块内部简单,基本不需要额外的电路,但缺点也很明显,该方案结构不清晰,模块间关系混乱,模块外还需使用较多门电路,不利于功能扩充,且使用了异步电路,计数在59的时候,高一级马上进位,故本次设计不采用此方案。
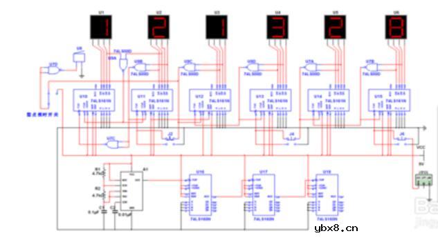
时钟信号分别加到各个模块,各个模块功能相对独立,框图如下:

该方案用总线结构,主要功能集中在模块内部,模块功能较为独立,模块间连线简单,易于扩展,本次设计采用此方案。

相关热词:#数字钟
影响介电常数的因素有哪些?
时间:2026-04-22
关于电流互感器基础知识介绍
时间:2026-04-22
开关电源的工作原理及特性
时间:2026-04-22
绝缘栅双极型晶体管(IGBT)外形、等效结构与...
时间:2026-04-22
信噪比(SNR)的定义,如何计算信噪比
时间:2026-04-22
波特率是什么意思_怎样计算波特率
时间:2026-04-21
RS485基本知识介绍
时间:2026-04-18
什么是激光雷达?激光雷达的构成与分类
时间:2026-04-18
Excelpoint - 一文了解SiC MOS的应用
时间:2026-04-18
什么是磁电阻器?磁电阻特性及应用
时间:2026-04-18
基于逻辑门的构成解释如何完成任意逻辑的管...
时间:2026-03-08
彩灯电路
时间:2026-03-05
NE555的有趣电路设计分享
时间:2026-03-08
三相异步电动机原理
时间:2026-03-04
光耦在电子电路中作用、关键参数详解
时间:2026-03-08
三相异步电动机的拆装详讲
时间:2026-03-04
从0学电路,万用表演示测量三极管方法
时间:2026-03-08
电动机单线远程正反转控制电路图
时间:2026-03-04
H桥电机驱动电路解析
时间:2026-03-08
转角测量电路
时间:2026-03-05