提出一种工业现场总线与以太网互联方法,介绍以太网与CAN 现场总线之间协议转换网关的设计与实现,采用AT89C55 作为主处理器,通过两个接口芯片实现CAN总线与以太网的互连,分别给出其硬件结构和软件设计思想。
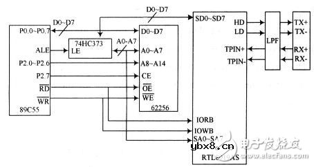
目前,对于CAN 和以太网相连的嵌入式网关设计主要有两种方法:一种是低档MCU 加接口芯片的设计方法,另一种是高档MCU 加EOS(实时多任务操作系统)再加接口芯片的设计方法。因CAN 只采用了ISO/OSI 参考模型的一、二层,协议相对简单,比较适合用于低成本、速率要求不高的离散控制系统。从合理的成本和有效利用处理能力这两方面考虑,该设计采用低档MCU 加接口芯片的方法,其硬件框图见图。

主控芯片及以太网接口模块
根据要求,该系统选择了性能价格比较高的AT89C55 单片机。它是面向测控对象和嵌入式应用的,所以它的体系结构以及CPU、指令系统、外围单元电路都是按照这种要求专门设计的。它内部带高达20 KB 的FLASH 程序存储器,AT89C55 完全兼容8051 指令集,片上FLASH 方便了使用者进行在线编程,工作速率最高可达33 MHz,256 B 的内部RAM,32 个可编程的I/O口,3 个16 位的定时/计数器,8 个中断源,支持低功耗的空闲工作模式。以太网接口选用的是RTL8019AS 芯片,它是一种高度集成的以太网控制器,能实现以太网媒介访问层(MAC)和物理层(PHY)的全部功能。RTL8019AS 内部有两个RAM 区域:一是16 KB,地址为0x4000~0x7fff,要接收和发送数据包必须通过DMA 读写RTL8019AS 内部的16 KB 的RAM,它实际上是双端口RAM,即有两条总线与其连接,一条总线用于RTL8019AS读/写或写/读该RAM,即本地DMA;另一条总线用于单片机读或写该RAM,即远程DMA;二是32 个字节,地址为0x0000~0x001F,用于存储以太网物理地址。主控芯片和以太网接口芯片的硬件接口原理图见图2。值得注意的是由于以太网的包最大可以超过1 500 个字节,AT89C55 的片内RAM 只有256 个字节,因此无法存储这么大的包,所以这里扩展了一个32 KB 的外部RAM,这样同时也能提高单片机的数据传输速度。

图2 以太网接口电路原理图
----------------------------------------
智能家电技术资料集锦——让家电设计迈入崭新时代!
相关热词:#嵌入式
波特率是什么意思_怎样计算波特率
时间:2026-04-21
RS485基本知识介绍
时间:2026-04-18
什么是激光雷达?激光雷达的构成与分类
时间:2026-04-18
Excelpoint - 一文了解SiC MOS的应用
时间:2026-04-18
什么是磁电阻器?磁电阻特性及应用
时间:2026-04-18
什么是电场?电场在电容器中的应用
时间:2026-04-18
什么是ARM64?
时间:2026-04-17
vga和hdmi的区别
时间:2026-04-17
什么是ESD?ESD及TVS的原理和应用
时间:2026-04-17
开关电源原理与维修完整版 (10)_标清视频
时间:2026-04-16
基于逻辑门的构成解释如何完成任意逻辑的管...
时间:2026-03-08
彩灯电路
时间:2026-03-05
NE555的有趣电路设计分享
时间:2026-03-08
三相异步电动机原理
时间:2026-03-04
三相异步电动机的拆装详讲
时间:2026-03-04
从0学电路,万用表演示测量三极管方法
时间:2026-03-08
电动机单线远程正反转控制电路图
时间:2026-03-04
光耦在电子电路中作用、关键参数详解
时间:2026-03-08
H桥电机驱动电路解析
时间:2026-03-08
转角测量电路
时间:2026-03-05