基于当前手持式触摸屏稳定性不高,性能不可靠的状况,采用AT91X40 系列微控制器作为控制芯片,由于该芯片功能强大,集成度高,处理数据能力强,稳定性高,所以基于AT91X40 系列的手持式触摸屏具有体积小巧,功能强大,操作简便等特点。手持式触摸屏的显示和输入设备选用了ADS7843 和SED1335 两种主流触摸和LCD 显示芯片。通过现场的实验验证,基于AT91X40 系列的手持式触摸屏稳定性高,工作可靠,具有实际应用价值。
触摸控制芯片ADS7843 的功能特性
ADS7843 是4 线电阻触摸屏转换接口芯片。它是一款具有同步串行接口的12 位取样模数转换器。在125 kHz 吞吐速率和2.7 V 电压下的功耗为750 μW,而在关闭模式下的功耗仅为0.5 μW。因此,ADS7843 以其低功耗和高速率等特性,被广泛应用在采用电池供电的小型手持设备上。ADS7843 采用SSOP-16 引脚封装形式,温度范围是-40~+85 ℃。ADS7843具有两个辅助输入(IN3、IN4),可设为8 位或12 位模式。其外部连接电路如图3 所示, 该电路的工作电压Vcc 在2.7~5.25 V 之间,基准电压介于1 V~+Vcc。该电路基准电压确定了转换器输入范围,输出数据中每个数字位代表的模拟电压等于基准电压除以4 096。平均基准输入电流由ADS7843 转换率来确定。

图3 ADS7843 外部连接电路
液晶显示芯片SED1335 的结构和特点
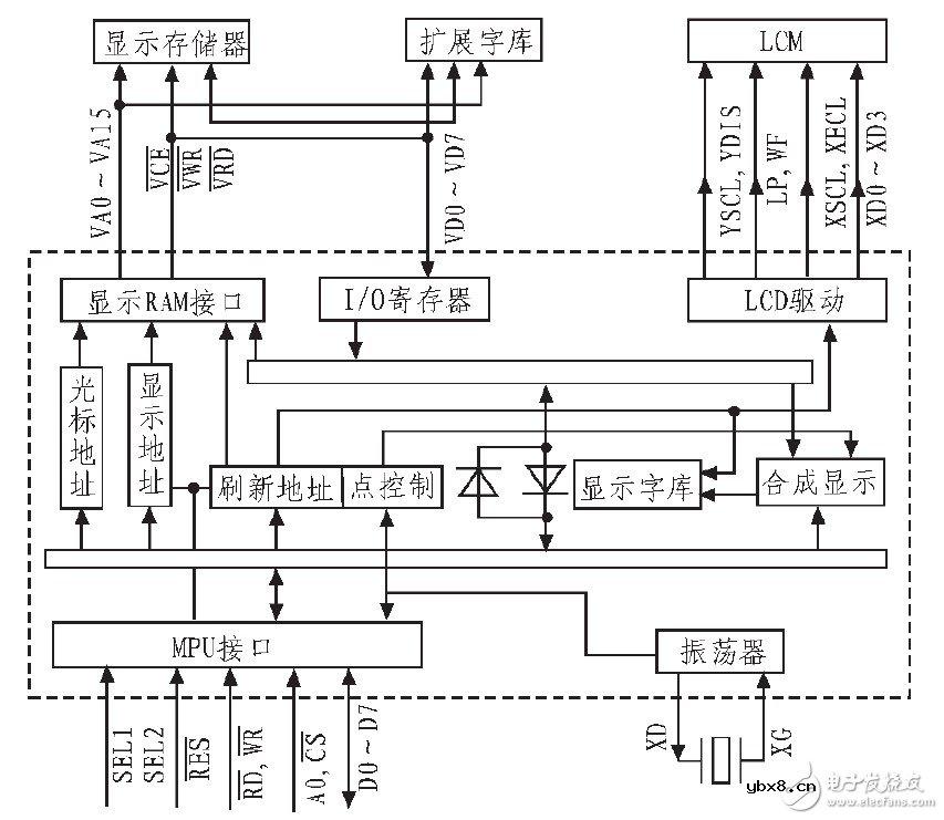
液晶显示器简称LCD, 由于液晶显示器具有低损耗、低价格、寿命长、接口方便等优点,被广泛应用于手机、照相机、计算机、智能仪器仪表等产品上。主要有两种液晶显示控制器。一种是将控制器集成在CPU 中,制成带液晶显示控制器的专用CPU。这种控制器的CPU 功能强大,外电路简单,一般只适用于小规模LCD 模块。另一种是专用控制器芯片。这种芯片具有较强的指令功能,与CPU 接口简单,便于控制,驱动能力可达640 ×256 点阵。本系统液晶显示控制芯片SED1335 具有功能较强的I/O 缓冲器和丰富的指令系统,可以并行传送4 位数据,最大驱动能力达640×256 点阵,而且能够实现图形和文本格式混合显示。它的结构包括接口部分、管理控制部分和LCD 显示驱动部分。其电路原理如图4所示。

图4 电路原理图
基于AT91X40 系列的手持式触摸屏,具有体积小巧,功能强大,操作简便等特点。手持式触摸屏的显示和输入设备,采用了现在流行的触摸屏。触摸屏技术发展速度快,前景广阔,目前已经得到广泛应用,具有极大的研究价值。这个系统中,选用了ADS7843 和SED1335 两种主流触摸和LCD 显示芯片。整个硬件的选择突出了主流性、先进性,保证研究成果拥有一定实际价值。
相关热词:#连接器
影响介电常数的因素有哪些?
时间:2026-04-22
关于电流互感器基础知识介绍
时间:2026-04-22
开关电源的工作原理及特性
时间:2026-04-22
绝缘栅双极型晶体管(IGBT)外形、等效结构与...
时间:2026-04-22
信噪比(SNR)的定义,如何计算信噪比
时间:2026-04-22
波特率是什么意思_怎样计算波特率
时间:2026-04-21
RS485基本知识介绍
时间:2026-04-18
什么是激光雷达?激光雷达的构成与分类
时间:2026-04-18
Excelpoint - 一文了解SiC MOS的应用
时间:2026-04-18
什么是磁电阻器?磁电阻特性及应用
时间:2026-04-18
基于逻辑门的构成解释如何完成任意逻辑的管...
时间:2026-03-08
彩灯电路
时间:2026-03-05
NE555的有趣电路设计分享
时间:2026-03-08
三相异步电动机原理
时间:2026-03-04
三相异步电动机的拆装详讲
时间:2026-03-04
从0学电路,万用表演示测量三极管方法
时间:2026-03-08
电动机单线远程正反转控制电路图
时间:2026-03-04
光耦在电子电路中作用、关键参数详解
时间:2026-03-08
H桥电机驱动电路解析
时间:2026-03-08
转角测量电路
时间:2026-03-05