在飞行器发射试验中,常用遥测系统获取其内部各系统的工作状态参数和环境数据,为评定飞行器的性能及故障分析提供依据。数字量变换器作为遥测系统弹上的重要设备,它的主要功能是控制接收弹上的各种飞行参数。变换器性能的优劣将直接影响遥测结果,对飞行器研制和试验过程中试验数据的测试产生很大影响,将关系到飞行器试验的成败和以后飞行器性能的改进和提高。在飞行器的研制过程中,多次试验和考核是非常重要的。对数字量变换器做出准确、客观、可靠地评价是其生产过程中的关键环节,而这一环节只能由变换器测试系统来完成。可编程逻辑器件(FPGA)以其高速、可重构、设计灵活、开发费用低、I/O 引脚和内部资源丰富的等优点,在近代测试系统中赢得了越来越广泛的应用。本文以FPGA 为逻辑控制中心设计的测试系统,主要是对数字量变换器进行单元测试,在其实际研制和调试过程中发挥了关键的作用。
系统结构和工作原理
系统设计时,采用模块化设计的思想,按照技术指标设计各个功能模块,通过各模块之间的协调配合完成系统的测试任务。系统的整体结构框图如图1所示,整个系统由计算机、USB 芯片FT245、两片FPGA、输出电源电压控制模块、计算机字信号发送模块、勤务信号发送模块、计算机字数码与指令数码接收模块和指令信号发送模块组成。模块化设计能够使在进行系统调试和硬件编程时,简单、快速的定位并解决问题。

硬件电路选用XILINX 公司的XC3S200-208和XC2S100-208两片FPGA 作为系统的逻辑控制中心,其中XC3S200-208作为主控芯片,主要实现对上位机的命令接收和判断,进而产生和发送计算机字信号,接收计算机字数码和指令数码并编帧、上传数据至上位机;XC2S100-208作为从控制芯片,完成128路指令信号的发送;两片FPGA 之间采用串行通信的方式发送控制命令来实现通讯。另外,通过上位机软件可以实现向系统发送复位或停止命令,这样能够减少硬件的功耗并提高测试系统的工作效率。
USB 接口模块实现
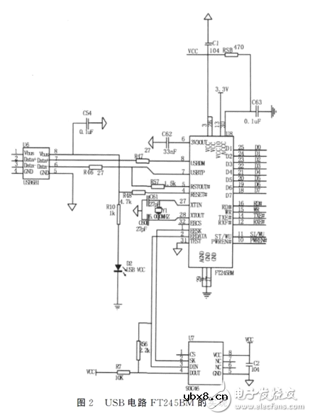
USB 具有成本低、通用性好、连接简单、支持热拔插等特点,而从系统实际的速率传输要求出发,设计采用通用USB 接口芯片FT245BM 实现与上位机的通信。FT245BM 主要的功能是在内部逻辑的作用下实现数据串/并双向转换,它的最大传输速率可以达到M/s.FT245BM 免去了复杂的固件编程及驱动程序的编写,能够简化USB 的接口设计,为系统节省设计时间。

FT245BM 的8位数据线D7~D0、读信号RD、写信号WR、发送使能TXE、接收数据完毕信号RXF 与FPGA 连接,来完成两者的通信。计算机通过应用程序、动态链接库的有效配合将控制命令信号发送到FT245BM,FPGA 利用与之相连的I/O 口接收下发的控制命令或是发送上传的测试数据。
输出电源电压控制模块实现
由于需要为被测数字量变换器提供3档工作电压25V、28V、31V,在电源模块输出端连接三种不同阻值的电阻,就可以实现3种电压的切换,实现控制的电路如图3所示。

图中VCON+,VCON-为电源模块的输入电压,R25、R26、R27三组电位器用来调节电阻。25VCON、31VCON 分别与FPGA 的I/O 相连,是FPGA 给出的控制信号,电路中三极管的作用是利用其电流放大来增加信号的驱动能力。通过FPGA 对控制命令的判断来实现3档电压的控制。此外,系统的默认及复位的输出电压为28V。
相关热词:#fpga
影响介电常数的因素有哪些?
时间:2026-04-22
关于电流互感器基础知识介绍
时间:2026-04-22
开关电源的工作原理及特性
时间:2026-04-22
绝缘栅双极型晶体管(IGBT)外形、等效结构与...
时间:2026-04-22
信噪比(SNR)的定义,如何计算信噪比
时间:2026-04-22
波特率是什么意思_怎样计算波特率
时间:2026-04-21
RS485基本知识介绍
时间:2026-04-18
什么是激光雷达?激光雷达的构成与分类
时间:2026-04-18
Excelpoint - 一文了解SiC MOS的应用
时间:2026-04-18
什么是磁电阻器?磁电阻特性及应用
时间:2026-04-18
基于逻辑门的构成解释如何完成任意逻辑的管...
时间:2026-03-08
彩灯电路
时间:2026-03-05
NE555的有趣电路设计分享
时间:2026-03-08
三相异步电动机原理
时间:2026-03-04
光耦在电子电路中作用、关键参数详解
时间:2026-03-08
三相异步电动机的拆装详讲
时间:2026-03-04
从0学电路,万用表演示测量三极管方法
时间:2026-03-08
电动机单线远程正反转控制电路图
时间:2026-03-04
H桥电机驱动电路解析
时间:2026-03-08
转角测量电路
时间:2026-03-05