心血管类疾病已经成为威胁人类身体健康的重要疾病之一,而清晰有效的心电图为诊断这类疾病提供了依据,心电采集电路是心电采集仪的关键部分,心电信号属于微弱信号,其频率范围在0.03~100 Hz 之间,幅度在0~5 mV 之间,同时心电信号还掺杂有大量的干扰信号,因此,设计良好的滤波电路和选择合适的控制器是得到有效心电信号的关键。基于此,本文设计了以STM32 为控制核心,AD620 和OP07 为模拟前端的心电采集仪,本设计简单实用,噪声干扰得到了有效抑制。
主控模块电路设计
主控模块的STM32F103VET 单片机是控制器的核心,该单片机是ST 意法半导体公司生产的32 位高性能、低成本和低功耗的增强型单片机,其内核采用ARM公司最新生产的Cortex—M3 架构,最高工作频率72 MHz、512 kB 的程序存储空间、64 kB 的RAM,8 个定时器/计数器、两个看门狗和一个实时时钟RTC,片上集成通信接口有两个I2C、3 个SPI、5 个USART、一个USB、一个CAN、一个SDIO,并集成有3 个ADC 和一个DAc,具有100 个I/O 端口。主控单片机管脚排列图如图2 所示。
前置放大电路的设计
前置放大电路是模拟信号采集的前端,也是整个电路设计的关键,它不仅要求从人体准确地采集到微弱的心电信号,还要将干扰信号降到最低,由于心电信号属于差分信号,所以电路应采用差动放大的结构,同时要求系统具有高共模抑制比、高输入阻抗、低漂移等特点。因此,选择合适的运算放大器至关重要,这里选择仪用运放AD620 实现前置放大,AD620 具有高精度、低噪声、低输入偏置电流低功耗等特点,使之适合ECG 监测仪等医疗应用。AD620 的放大倍数由1 与8 脚之间的反馈电阻决定,增益G=49.4 kΩRG+1,由于心电信号中含有较大的直流分量,因此前置放大电路的放大倍数不能过大,在这里选择放大约10倍,因此反馈电阻R6 取约5 kΩ,为提高电路的共模抑制能力,这里用一个OP07检测R10,R4 上的共模信号驱动导线屏蔽层,消除分布电容。同时用另一个OP07运放和R5,C3,R7 组成右腿驱动电路,在R10,R4 上检测到的共模信号经反相放大器后经R7,反馈到人的右腿,进一步抑制了共模信号和50 Hz 工频干扰,这里右腿驱动有一个对交流电的反馈通路,交流电的干扰可能对人体产生危害,因此这里要注意做好绝缘措施,同时保护电阻R7 尽可能大,取1 MΩ以上。此外系统电源的不稳定也对心电信号的采集有较大影响,因此在本系统中,所有运放的电源脚都并联两个0.1μF 和10μF 的电容退耦,提高系统的稳定性,前置放大电路的电路图如图3 所示。

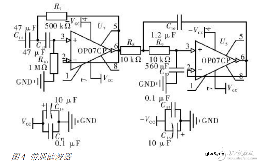
带通滤波器的设计
从前置放大电路输出的心电信号还含有较大直流分量和肌电信号,基线漂移等干扰成分,所需采集的有用心电信号在0.03~100 Hz 范围之间,因此需设计合理的滤波器使该范围内的信号得以充分通过,而该范围以外的信号得到最大限度的衰减,这里采用具有高精度,低偏置,低功耗特点的两个OP07 运放分别组成二阶有源高通滤波器和低通滤波器,高通滤波器由C11,C17,R7,R10 组成,截止频率f1≈0.03 Hz,低通滤波器由R8,R9,C10,C13 组成,截止频率约为f2≈100Hz,系统带通滤波器的电路如图4 所示。

本设计实现的是以STM32 为控制核心,以AD620,OP07 为模拟信号采集端的小型心电采集仪,该设计所测心电波形基本正常,噪声干扰得到有效抑制,电路性能稳定,基本满足家居监护以及病理分析的要求,整个系统设计简单,成本低廉,具有一定的医用价值。
相关热词:#控制电路
影响介电常数的因素有哪些?
时间:2026-04-22
关于电流互感器基础知识介绍
时间:2026-04-22
开关电源的工作原理及特性
时间:2026-04-22
绝缘栅双极型晶体管(IGBT)外形、等效结构与...
时间:2026-04-22
信噪比(SNR)的定义,如何计算信噪比
时间:2026-04-22
波特率是什么意思_怎样计算波特率
时间:2026-04-21
RS485基本知识介绍
时间:2026-04-18
什么是激光雷达?激光雷达的构成与分类
时间:2026-04-18
Excelpoint - 一文了解SiC MOS的应用
时间:2026-04-18
什么是磁电阻器?磁电阻特性及应用
时间:2026-04-18
基于逻辑门的构成解释如何完成任意逻辑的管...
时间:2026-03-08
彩灯电路
时间:2026-03-05
NE555的有趣电路设计分享
时间:2026-03-08
三相异步电动机原理
时间:2026-03-04
三相异步电动机的拆装详讲
时间:2026-03-04
从0学电路,万用表演示测量三极管方法
时间:2026-03-08
电动机单线远程正反转控制电路图
时间:2026-03-04
光耦在电子电路中作用、关键参数详解
时间:2026-03-08
H桥电机驱动电路解析
时间:2026-03-08
转角测量电路
时间:2026-03-05