本文设计实现了一种以CC24 30为核心的无线传感器网络。其中,传感器模块包括有温湿度传感器SHTll、红外传感器BS520、光照度传感器PGM5506。
无线传感器网络系统总体结构
无线传感器网络是对周围环境的温度、湿度、光、加速度等信息进行监控和管理的技术。这种无线传感器节点中内置了传感器、传感器控制电路、 CPU、无线通信模块、天线、电源装置等,通过Ad-Hoc通信技术,可以与周围的传感器节点一起把数据传输到汇聚节点。本文介绍的无线传感器网络由一个汇聚节点和多个传感器节点组成,通过汇聚节点上传到远程主机。系统的总体结构如图1所示。

硬件电路的设计
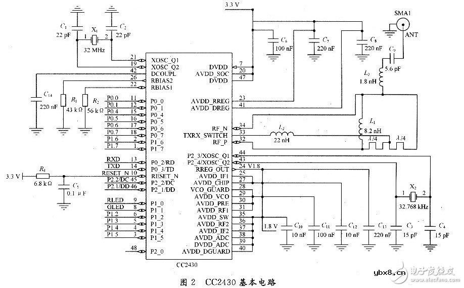
CC2430是Chipcon公司推出的用来实现嵌入式ZigBee应用的片上系统。CC2430只需要很少的外接元件就可以运行,其内部已集成了大量必要的电路,因此采用较少的外围电路即实现信号的收发功能。图2为CC2430基本电路设计。

图2中C1,C2为22pF的电容,连接32 MHz的晶振电路,此石英晶振用于正常工作使用。C3,C4为15 pF的电容,连接32.768 kHz的晶振电路,此石英晶振用于休眠时工作,从而降低功耗。C5=O.1μF,用于去除一些杂波干扰,防止单片机错误复位。C6~C8分别为100 nF,220nF,220 nF,用作滤波,去除杂波干扰使电压更稳定。C9=5.6 pF,电路中非平衡变压器由电容C9和电感L1,L2,L3以及一个PCB微波传输线组成,整个结构满足RF输入/输出匹配电阻(50 Ω)的要求,L1,L2,L3分别为8.2 nH,22 nH,1.8 nH。C10,C11,C12,C13,C14为去耦合电容,用于电源滤波,以提高芯片工作的稳定性。偏置电阻器R1,R2分别为43 kΩ,56 kΩ,R1用于为32 MHz晶体振荡器设置精密偏置电流。
由于CC2430芯片具有低功耗的特性,选用2节2 800 mAh的干电池为节点机供电。天线选用外置天线。CC2430与温湿度传感器SHTll,光照度传感器PGM5506,红外传感器BS520连接原理图如图3所示,其中P0.O,P0.1,P0.6,P1.2和P1.3为CC2430的I/O端口。

SHTll采用两线串行线和处理器进行数据通信,SCK数据线负责处理器和SHTll的通讯同步;DATA三态门用于数据的读取。为避免信号冲突,微处理器应驱动DATA在低电平。需要一个外部的上拉电阻将信号提拉至高电平,图3显示CC2430的引脚P1.2用于SCK,P1.3用于 DATA。
光照度传感器PGM5506实际就是一个光敏电阻,随着周边环境的光量而改变电阻值,从而输入3 V电压受到随着光量而变化的光敏电阻的影响,因而输出电压值改变。在测定输出电压值的LIGHTOUT中,可以根据变化的电压量感知光量。图3显示 CC2430的引脚P0.0连接LIGHT OUT。红外传感器BS520,随着红外线的强弱输出A/D也变化,因此CC2430处理器可以根据输入的电流变化量来测定红外线值。图3显示 CC2430的引脚PO.1连接INFRARED ADC,通过对无线传感器网络系统的设计和对CC2430的了解,ZigBee技术未来的应用前景被看好。未来的几年里,它将在工业控制、汽车自动化、楼宇自动化、消费电子等多个领域实现应用。
相关热词:#传感器
波特率是什么意思_怎样计算波特率
时间:2026-04-21
RS485基本知识介绍
时间:2026-04-18
什么是激光雷达?激光雷达的构成与分类
时间:2026-04-18
Excelpoint - 一文了解SiC MOS的应用
时间:2026-04-18
什么是磁电阻器?磁电阻特性及应用
时间:2026-04-18
什么是电场?电场在电容器中的应用
时间:2026-04-18
什么是ARM64?
时间:2026-04-17
vga和hdmi的区别
时间:2026-04-17
什么是ESD?ESD及TVS的原理和应用
时间:2026-04-17
开关电源原理与维修完整版 (10)_标清视频
时间:2026-04-16
基于逻辑门的构成解释如何完成任意逻辑的管...
时间:2026-03-08
彩灯电路
时间:2026-03-05
NE555的有趣电路设计分享
时间:2026-03-08
三相异步电动机原理
时间:2026-03-04
三相异步电动机的拆装详讲
时间:2026-03-04
从0学电路,万用表演示测量三极管方法
时间:2026-03-08
电动机单线远程正反转控制电路图
时间:2026-03-04
光耦在电子电路中作用、关键参数详解
时间:2026-03-08
H桥电机驱动电路解析
时间:2026-03-08
转角测量电路
时间:2026-03-05