传统非隔离的RS232常会因回路的地弹、浪涌、静电、热插拔等导致损坏。RSM232系列隔离收发器采用特有的光电隔离技术,可以有效的保护RS-232串口设备,适用于环境恶劣的工控、电力、医疗等领域。
应用实例

图 1 实物连接图
为什么选择RSM232系列隔离收发器模块?
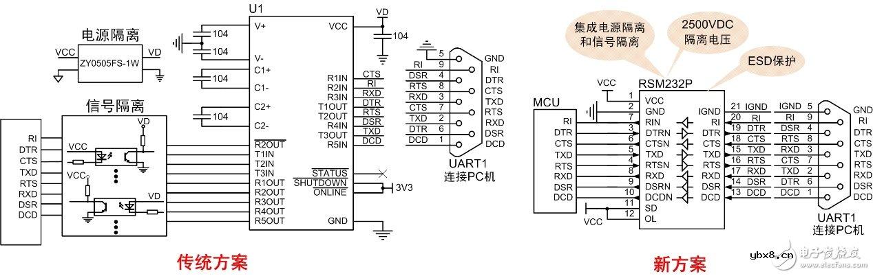
RSM232系列隔离收发器采用电源隔离和信号隔离,使通讯总线和控制板应完全隔离,
这样不仅可以减少总线上的干扰,更能提高系统安全和可靠性。
致远电子RSM232系列隔离收发器由于其标准的波特率和良好的EMC特性,应用简单,已被广泛应用于汽车电子、仪器、仪表、石油化工、电力监控等领域。

图 2 常规隔离设计和使用RSM232P模块应用对比
RSM232系列隔离收发器保留了传统隔离电路的设计理念,包括电源隔离、信号隔离,更重要的是具有完善的测试系统以及先进的工艺保证产品的一致性,具有防水、防震、使用寿命长等众多优点。采用灌封工艺,能够对电路板以及电子元器件进行全面保护,使其免受潮湿、震动、过热、腐蚀以及辐射的影响,延长电子产品的寿命。采用一体化的隔离RS232通讯模块比分立元器件设计给客户带来的价值如表 1所示。
表 1 为客户带来的价值

根据不同的应用场合,选用对应的隔离收发器模块实现不同的输出接口。推荐型号如所示:
表 2 RSM232系列隔离收发器产品型号

相关热词:#RS232
波特率是什么意思_怎样计算波特率
时间:2026-04-21
RS485基本知识介绍
时间:2026-04-18
什么是激光雷达?激光雷达的构成与分类
时间:2026-04-18
Excelpoint - 一文了解SiC MOS的应用
时间:2026-04-18
什么是磁电阻器?磁电阻特性及应用
时间:2026-04-18
什么是电场?电场在电容器中的应用
时间:2026-04-18
什么是ARM64?
时间:2026-04-17
vga和hdmi的区别
时间:2026-04-17
什么是ESD?ESD及TVS的原理和应用
时间:2026-04-17
开关电源原理与维修完整版 (10)_标清视频
时间:2026-04-16
基于逻辑门的构成解释如何完成任意逻辑的管...
时间:2026-03-08
彩灯电路
时间:2026-03-05
NE555的有趣电路设计分享
时间:2026-03-08
三相异步电动机原理
时间:2026-03-04
三相异步电动机的拆装详讲
时间:2026-03-04
从0学电路,万用表演示测量三极管方法
时间:2026-03-08
电动机单线远程正反转控制电路图
时间:2026-03-04
光耦在电子电路中作用、关键参数详解
时间:2026-03-08
H桥电机驱动电路解析
时间:2026-03-08
转角测量电路
时间:2026-03-05