根据压电陶瓷微位移器对驱动电源的需求,设计了压电驱动电源系统的方案。该方案先介绍了电源系统中的数字电路部分和模拟电路部分,并对驱动电源的精度与稳定性进行了分析与改进。最后对驱动电源的性能进行了实验验证。实验结果表明:该设计方案的电源输出电压噪声低于0.43 mV、输出最大非线性误差低于0.024%、分辨率可达1.44 mV,能够满足高分辨率微位移定位系统中静态定位控制的需求。
压电陶瓷驱动器(PZT)是微位移平台的核心,其主要原理是利用压电陶瓷的逆压电效应产生形变,从而驱动执行元件发生微位移。压电陶瓷驱动器具有分辨率高、响应频率快、推力大和体积小等优点,在航空航天、机器人、微机电系统、精密加工以及生物工程等领域中得到了广泛的应用。然而压电陶瓷驱动器的应用离不开性能良好的压电陶瓷驱动电源。要实现纳米级定位的应用,压电陶瓷驱动电源的输出电压需要在一定范围内连续可调,同电压分辨率需要达到毫伏级。因此压电陶瓷驱动电源技术已成为压电微位移平台中的关键技术。
D/A 电路设计
由于压电驱动电源要求输出电压范围为0~100 V,分辨率达到毫伏级,所以D/A 的分辨率需达到亚毫伏级。本设计采用AD5781作为D/A 器件。AD5781是一款SPI 接口的18位高精度转换器, 输出电压范围-10~10 V,提供±0.5 LSB INL,±0.5 LSB DNL 和7.5 nV/Hz 噪声频谱密度。另外,AD5781 还具有极低的温漂(0.05 ppm/℃)特性。因此,该D/A 转换器芯片特别适合于精密模拟数据的获取与控制。D/A 电路设计如图2 所示。

在硬件电路设计中,由于AD5781 采用的精密架构,要求强制检测缓冲其电压基准输入,确保达到规定的线性度。因此选择用于缓冲基准输入的放大器应具有低噪声、低温漂和低输入偏置电流特性。这里选用AD8676,AD8676 是一款超精密、36 V、2.8 nV/ Hz 双通道运算放大器,具有0.6 μV/℃低失调漂移和2 nA 输入偏置电流,因而能为AD5781提供精密电压基准。通过下拉电阻将AD5781的CLR 和LDAC 引脚电平拉低,用于设置AD5781为DAC 二进制寄存器编码格式和配置输出在SYNC 的上升沿更新。在ARM 端的软件设计中,除正确配置AD5781的相关寄存器外,还应正确配置SPI的时钟相位、时钟极性和通信模式。
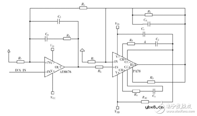
线性放大电路设计
从工程角度考虑,由于干扰源的存在,会使系统的稳定性发生变化,导致系统发生震荡。因此保证控制系统具有一定的抗干扰性的方法是使系统具有一定的稳定裕度即相角裕度。由于实际电路中存在杂散电容,其中放大器反向输入端的对地电容对系统的稳定性有较大的影响。如图6所示,采用C5和C6补偿反向端的杂散电容。从系统函数的角度看,即构成超前校正,增加开环系统的开环截止频率,从事增加系统带宽提高响应速度。PA78有两对相位补偿引脚,通过外部的RC 网络对放大器内部的零极点进行补偿。通过PA78的数据表可知,PA78内部的零极点位于高频段。根据控制系统抗噪声能力的需求,配置RC 网络使高频段的幅值特性曲线迅速衰减,从而提高系统的抗干扰能力。图中,R4,C1与R5,C2构成RC 补偿网络。

此外电路中C3的作用是防止输出信号下降沿的振动引起的干扰;R10起到偏置电阻的作用,将电源电流注入到放大器的输出级,提高PA78的驱动能力。将PI 控制器的参数分别设置为KP=10、KI=0.02;超前校正补偿电容分别为12 pF 和220 pF;RC 补偿网络为R=10 kΩ、C=22 pF.利用线性放大电路的Spice 模型进行仿真得到幅频特性和相频特性曲线如图所示。从图中观察可得,放大系统的带宽可达100 kHz,从而保证了系统良好的动态特性,同时相角裕度6使系统具有较高的稳定性。
相关热词:
影响介电常数的因素有哪些?
时间:2026-04-22
关于电流互感器基础知识介绍
时间:2026-04-22
开关电源的工作原理及特性
时间:2026-04-22
绝缘栅双极型晶体管(IGBT)外形、等效结构与...
时间:2026-04-22
信噪比(SNR)的定义,如何计算信噪比
时间:2026-04-22
波特率是什么意思_怎样计算波特率
时间:2026-04-21
RS485基本知识介绍
时间:2026-04-18
什么是激光雷达?激光雷达的构成与分类
时间:2026-04-18
Excelpoint - 一文了解SiC MOS的应用
时间:2026-04-18
什么是磁电阻器?磁电阻特性及应用
时间:2026-04-18
基于逻辑门的构成解释如何完成任意逻辑的管...
时间:2026-03-08
彩灯电路
时间:2026-03-05
NE555的有趣电路设计分享
时间:2026-03-08
三相异步电动机原理
时间:2026-03-04
光耦在电子电路中作用、关键参数详解
时间:2026-03-08
三相异步电动机的拆装详讲
时间:2026-03-04
从0学电路,万用表演示测量三极管方法
时间:2026-03-08
电动机单线远程正反转控制电路图
时间:2026-03-04
H桥电机驱动电路解析
时间:2026-03-08
转角测量电路
时间:2026-03-05