教室是学校照明用电的主要部分。教室灯光照度设计标准为室内平均照度300 lx,这样高的照度要求,如果没有合理控制方案,能源上将造成巨大的浪费。因此将智能照明控制系统应用于普通教室、阶梯教室具有相当的实际意义。对于学校而言,使用调光控制方式显然造价过高,难以接受,而且教学楼的灯具大多选择了 日光灯 ,调光控制需要专用的调光 镇流器 ,比较烦琐。因此, 开关 控制是学校教室照明主要的控制方式。本文结合学校实际电路,利用电力线通讯,采用PLCBUS 协议,设计了教学楼内各教室统一控制灯的低成本智能照明控制系统。
智能照明系统设计组成
智能照明系统设计分为主控模块、从控模块和照度传感器模块三部分。其中从控模块可以设置多个地址,主控模块和传感器模块发出地址控制指令,具有相同地址的接收模块根据指令作出响应,打开或关闭灯光。通过对接收模块设置地址的分组,可实现对所有教室的灯光分片和分区域的控制。PC 机和控制器也可发出用户开或关闭指令,使相同用户码的所有教室灯光打开或关闭。
接收模块的电路
采用PLCBUS-9402393 芯片设计的接收模块电路如图6 所示。一个接收模块可以控制两个照明回路,分别由芯片的12 脚和13 脚控制,每个回路可以设置一个主地址和15 个副地址。接收模块的19 和22 管脚连接电力线,从电力线上接收指令,芯片判断其指令中的目的地址是否与模块某接收到指令后判断其指令中的目的地址是否与模块某回路的地址相同, 如相同按照指令代码对芯片12 脚或13 脚输出高电平,Q1 和Q2 三极管 9014 起放大电流的作用,电流增大至 信号继电器 OJT-SS-112LM 动作电流后,使继电器 线圈 导通,则K1 或K2 闭合,照明回路LOAD1 或LOAD2 导通,灯光打开。如按照指令芯片12 和13 管脚无高电平输出或输出值小于信号继电器动作电流时, 则相应照明回路关断,灯光关闭。接收模块执行完控制指令后将发送反馈信息给控制模块。墙壁开关可安装在接收模块后,只有在模块供电后, 才能使用墙壁开关打开灯光,这样可以有效节约电能。

图6 接收模块照明灯光 控制电路
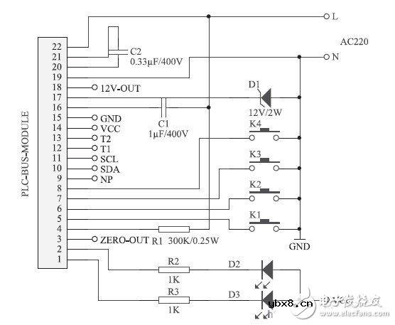
控制模块电路
芯片的5,6,7,8 管脚分别连接4 个按钮K1,控制模块电路如图7 所示。K1,K2,K3,K4, 通过对芯片的预设置可以使每个按钮发送不同的地址控制指令,例如设置K1 触发时芯片向电力线上发送B1 on 指令,则当按钮K1 按下时,模块发送B_ 指令,地址为B1 的接收模块的相应照明回路的开关将闭合,灯光打开。设置K2 触发时芯片向电力线上发送B1 off 指令,则当按钮K2 按下时,模块发送B1 off 指令,地址为B1 的接收模块的相应照明回路的开关将打开,灯光关闭。芯片的1 0 和1 1 脚连接PC 或 MCU 进行通讯,可完成发出控制指令和对模块芯片设置功能。

图7 控制模块电路
语音识别被认定是未来物联网领域的基础需求之一,甚至将会无处不在,详情请点击进入》》》
相关热词:#单片机
影响介电常数的因素有哪些?
时间:2026-04-22
关于电流互感器基础知识介绍
时间:2026-04-22
开关电源的工作原理及特性
时间:2026-04-22
绝缘栅双极型晶体管(IGBT)外形、等效结构与...
时间:2026-04-22
信噪比(SNR)的定义,如何计算信噪比
时间:2026-04-22
波特率是什么意思_怎样计算波特率
时间:2026-04-21
RS485基本知识介绍
时间:2026-04-18
什么是激光雷达?激光雷达的构成与分类
时间:2026-04-18
Excelpoint - 一文了解SiC MOS的应用
时间:2026-04-18
什么是磁电阻器?磁电阻特性及应用
时间:2026-04-18
基于逻辑门的构成解释如何完成任意逻辑的管...
时间:2026-03-08
彩灯电路
时间:2026-03-05
NE555的有趣电路设计分享
时间:2026-03-08
三相异步电动机原理
时间:2026-03-04
三相异步电动机的拆装详讲
时间:2026-03-04
从0学电路,万用表演示测量三极管方法
时间:2026-03-08
电动机单线远程正反转控制电路图
时间:2026-03-04
光耦在电子电路中作用、关键参数详解
时间:2026-03-08
H桥电机驱动电路解析
时间:2026-03-08
转角测量电路
时间:2026-03-05