BP01 型压力传感器是为监测血压而专门设计的,主要用于便携式电子血压计。它采用精密厚膜陶瓷芯片和尼龙塑料封装,具有高线性、低噪声和外界应力小的特点;采用内部标定和温度补偿方式,从而提高了测量的精度、稳定性以及可重复性,在全量程范围内,精度为±1%,零点失调不大于±300μV。

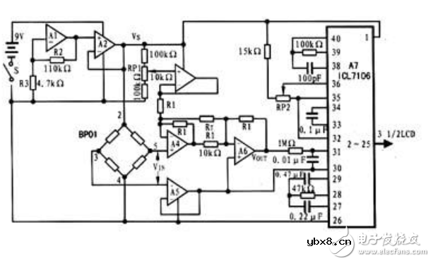
工作原理:用BP01构成的便携式电子血压计的原理电路如图所示,它由偏置电源电路(A1、A2)、前置处理电路(A3~A6)、显示电路(A7)和压力传感器(BP01)组成,该血压计的血压测量范围为0~200mmHg,分辨率为0.1mmHg,工作电源为一节9V迭层电池。现将血压计中各主要电路的工作原理分述如下:

偏置电源电路:电源电路由带有内置参考电压的双运放LM10组成,A1构成同相放大器,A2构成跟随器,它们的作用是将内置的参考电压放大后用作压力传感器BP01的偏置电压Vs,其Vs的值由下式决定:Vs=Vref(1+R2/R3) 式中:Vref为LM10的内置参考电压。其值为200mV,将此值连同电路中的R2和R3的值代入上式即可求得偏置电压Vs的值为5V。
前置处理电路:前置处理电路由A3~A6四个运算放大器组成,其中A3构成失调偏置电路以对电路失调进行补偿;A5构成跟随器,用于对压力传感器BP01的输出信号进行隔离缓冲;A4、A6构成放大电路,其增益AV由下式决定AV=1+(R1/RT) 若忽略失调,前置处理电路的输出电压Vout为: Vout=2(1+R1/RT)VIN 式中:VIN为压力传感器BP01的输出电压。
显示电路:显示电路选用三位半的显示驱动器。工作时,压力传感器BP01的输出经前置处理电路放大后,由显示驱动电路来驱动LCD,以读出测量的血压值。
调试方法:零压输出调整 在零压输出时,调整失调电位器RP1,在血压计的显示值为000.0时,即可认为完成了零压输出调整。
电子发烧友网技术编辑点评分析:
前置电路增益与压力传感器BP01的满量程输出与偏置电压有一定的关系,当5V偏置时,在200mmHg压力下的输出为10mV,其对应的显示驱动电路的输入为200mV,因此前置电路的增益AV为200mV/10mV,这样,利用前面Av的计算公式即可反推出增益电阻RT的值。 若选取电阻R1为10kΩ,则增益电阻RT应为1.1kΩ。当满量程调整时,先在显示电路的输入端加200mV电压,然后调整电位器RP2,使其读数为199.9mmHg即可。
在元器件的选择上为保证测量精度,上述电路的外围元器件的选择也是一个不容忽视的重要环节。一般情况下,电位器RP1、RP2应选用1%精度的金属膜多圈电位器;电阻应选用1%精度的金属膜电阻器;电容一般选用聚脂薄膜或者云母电容。最后在使用压力传感器BP01和其它器件设计便携式电子血压计时,应注意的是:对于不同的偏置电压,其输出也不同,因而前置处理电路的增益应做相应的调整,以满足满量程的不同要求。
大家如有问题,欢迎在评论处讨论。
——电子发烧友网整理,转载请注明出处!
相关热词:#压力传感器
5v太阳能路灯电路图大全(四款5v太阳能路灯...
时间:2026-03-07
双向可控硅调光电路图大全(四款模拟电路设...
时间:2026-03-07
太阳能路灯电路设计与仿真
时间:2026-03-07
30w太阳能路灯设计方案汇总(六款太阳能路灯...
时间:2026-03-07
ne555调光电路图大全(五款模拟电路设计原理...
时间:2026-03-07
60w太阳能路灯设计方案汇总(四款模拟电路设...
时间:2026-03-07
220v双向可控硅电路图大全(八款模拟电路设...
时间:2026-03-07
单向可控硅光控电路图大全(四款模拟电路设...
时间:2026-03-07
可控硅调压器电路图大全(八款模拟电路设计...
时间:2026-03-07
单向可控硅最筒单电路图大全(四款模拟电路...
时间:2026-03-07
彩灯电路
时间:2026-03-05
三相异步电动机原理
时间:2026-03-04
三相异步电动机的七种调速方式
时间:2026-03-04
转角测量电路
时间:2026-03-05
经典的正弦波发生电路
时间:2026-03-05
电动机单线远程正反转控制电路图
时间:2026-03-04
三相异步电动机的拆装详讲
时间:2026-03-04
USB转232电路图
时间:2026-03-04
电度表的工作原理
时间:2026-03-04
电风扇红外遥控器2
时间:2026-03-04